GM Service Manual Online
For 1990-2009 cars only
Makes
🢒
Chevrolet
🢒
2005
🢒
Express
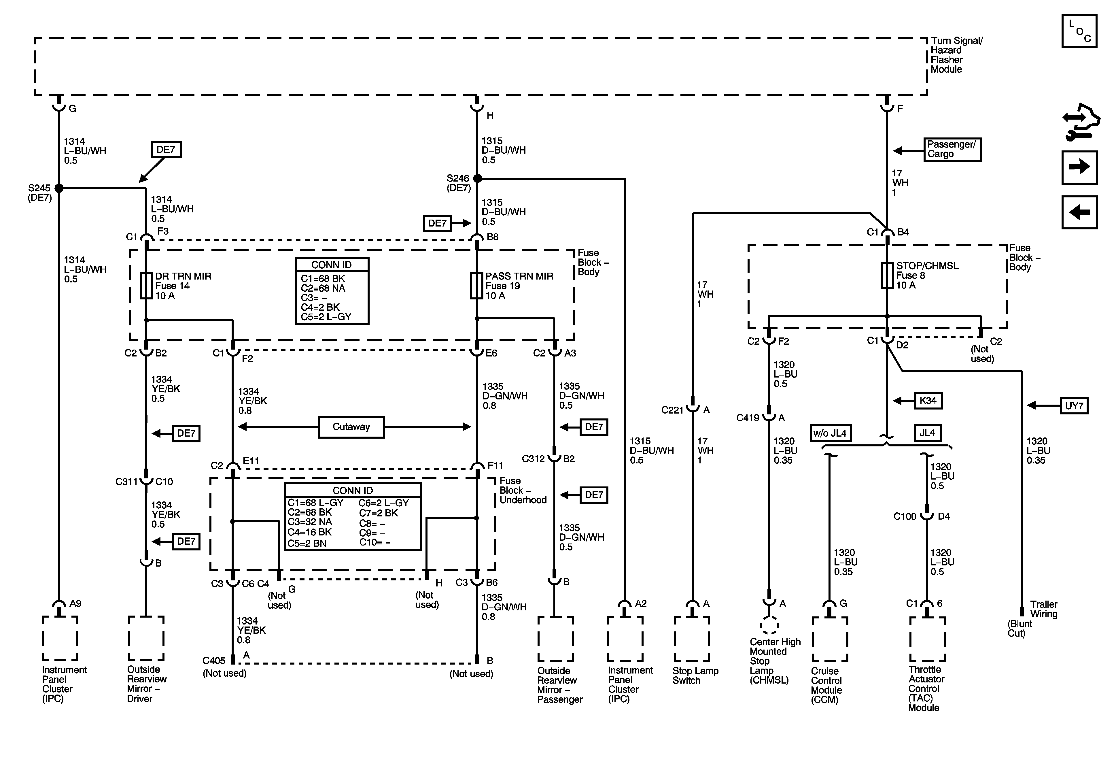
🢒 DR TRN MIR, PASS TRN MIR and STOP/CHMSL Fuses
DR TRN MIR, PASS TRN MIR and STOP/CHMSL Fuses
DR TRN MIR, PASS TRN MIR and STOP/CHMSL Fuses
Master Electrical Component List
Control Module References
AUXILIARY 1, OSRVM, RR BLOWER and SPARE Fuses
LR STOP/TRN, LT DRL/TRN, RR STOP/TRN and RT DRL/TRN Fuses