GM Service Manual Online
For 1990-2009 cars only
Makes
🢒
Chevrolet
🢒
2005
🢒
Express
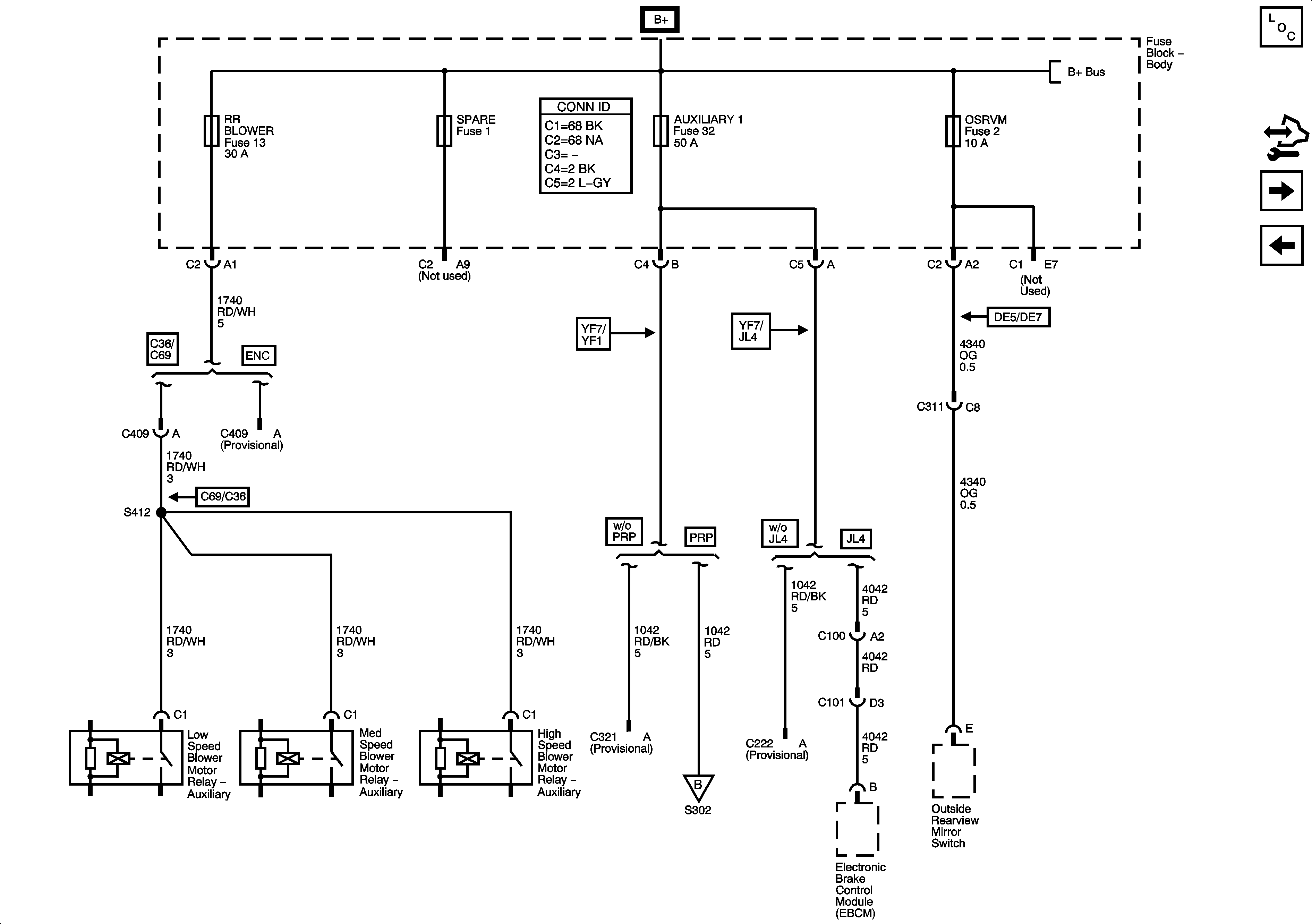
🢒 AUXILIARY 1, OSRVM, RR BLOWER and SPARE Fuses
AUXILIARY 1, OSRVM, RR BLOWER and SPARE Fuses
AUXILIARY 1, OSRVM, RR BLOWER and SPARE Fuses
Master Electrical Component List
Control Module References
DOME FLUORESCENT WORK LAMPS and PANEL ACTUATORS Fuses
DR TRN MIR, PASS TRN MIR and STOP/CHMSL Fuses
B+ Bus - Body Fuse Block
DOME FLUORESCENT WORK LAMPS and PANEL ACTUATORS Fuses