GM Service Manual Online
For 1990-2009 cars only
Makes
🢒
Chevrolet
🢒
2005
🢒
Express
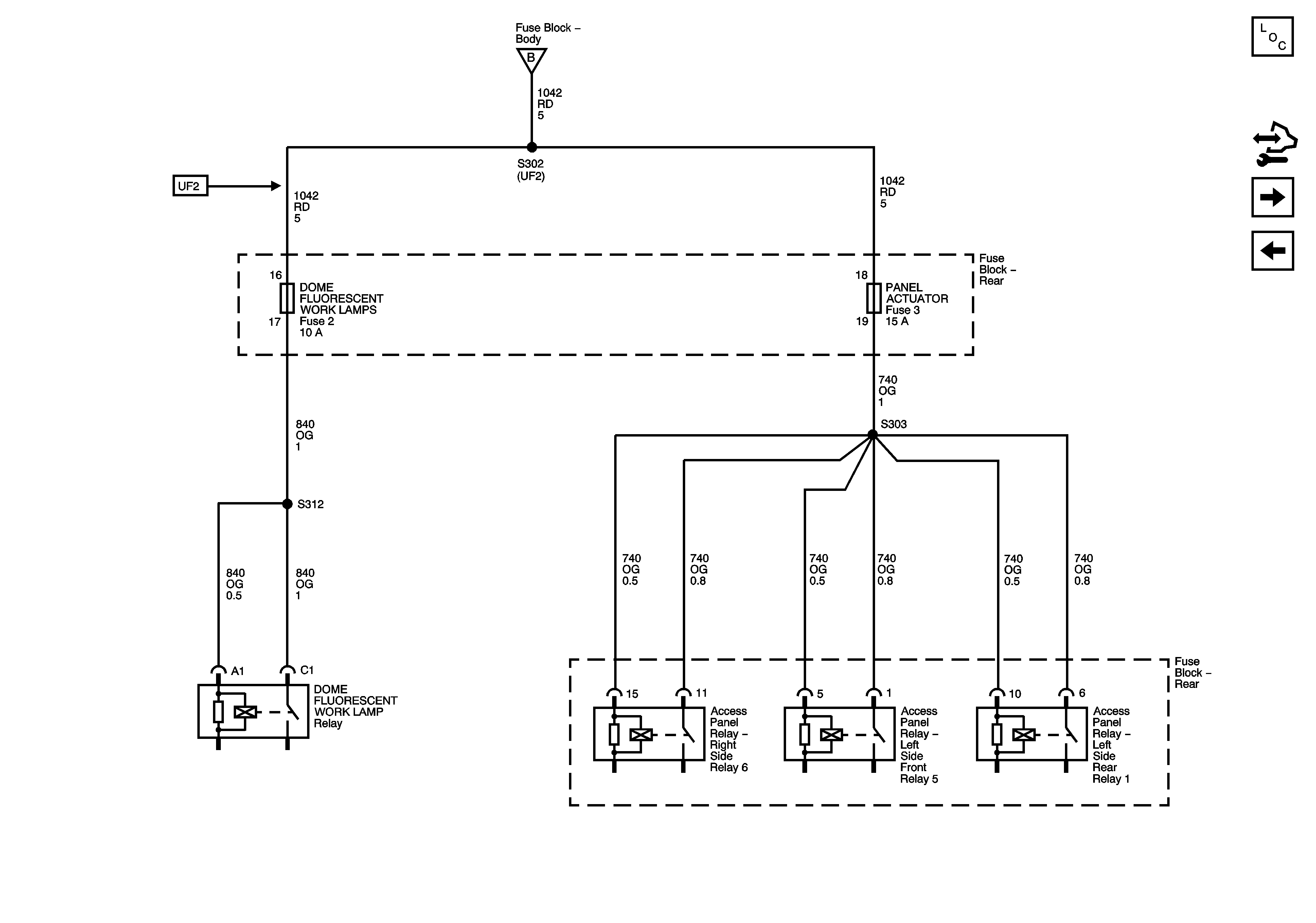
🢒 DOME FLUORESCENT WORK LAMPS and PANEL ACTUATORS Fuses
DOME FLUORESCENT WORK LAMPS and PANEL ACTUATORS Fuses
DOME FLUORESCENT WORK LAMPS and PANEL ACTUATOR Fuses
Master Electrical Component List
Control Module References
Ignition Switch - ACCY/RUN, RUN/START Bus Bars and IGN B Fuse
AUXILIARY 1, OSRVM, RR BLOWER and SPARE Fuses
AUXILIARY 1, OSRVM, RR BLOWER and SPARE Fuses