GM Service Manual Online
For 1990-2009 cars only
Makes
🢒
Chevrolet
🢒
2005
🢒
Express
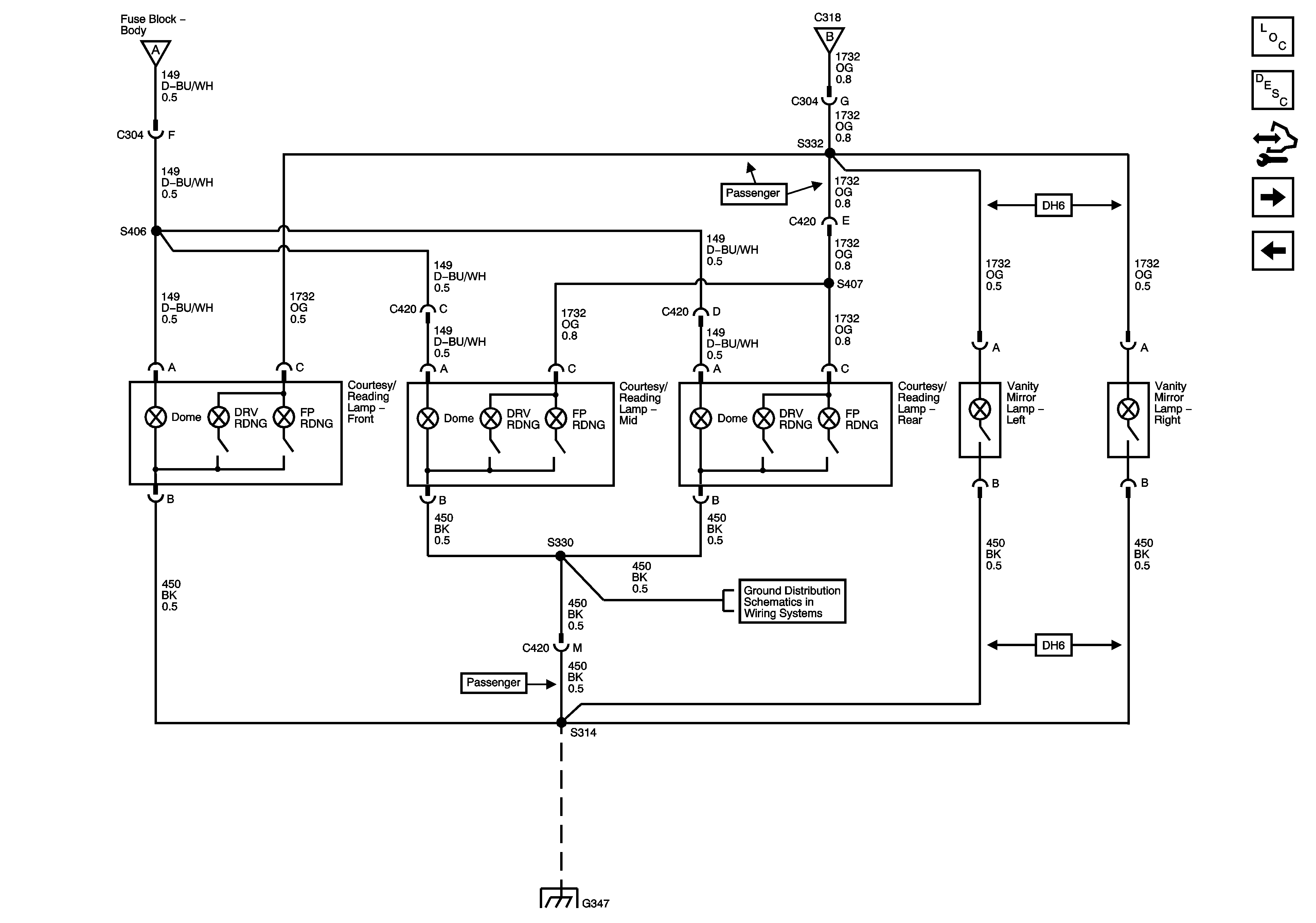
🢒 Courtesy Lamps (w/o YF7) - 2 of 2
Courtesy Lamps (w/o YF7) - 2 of 2
Courtesy Lamps (w/o YF7) - 2 of 2
Master Electrical Component List
Interior Lighting Systems Description and Operation
Control Module References
Underhood/Vanity Lamps and Door Jamb Switches
Courtesy Lamps (w/o YF7) - 1 of 2
Courtesy Lamps (w/o YF7) - 1 of 2
Underhood/Vanity Lamps and Door Jamb Switches
G347 - 3 of 3
G347 - 3 of 3