GM Service Manual Online
For 1990-2009 cars only
Makes
🢒
Chevrolet
🢒
2005
🢒
Express
🢒 Underhood/Vanity Lamps and Door Jamb Switches
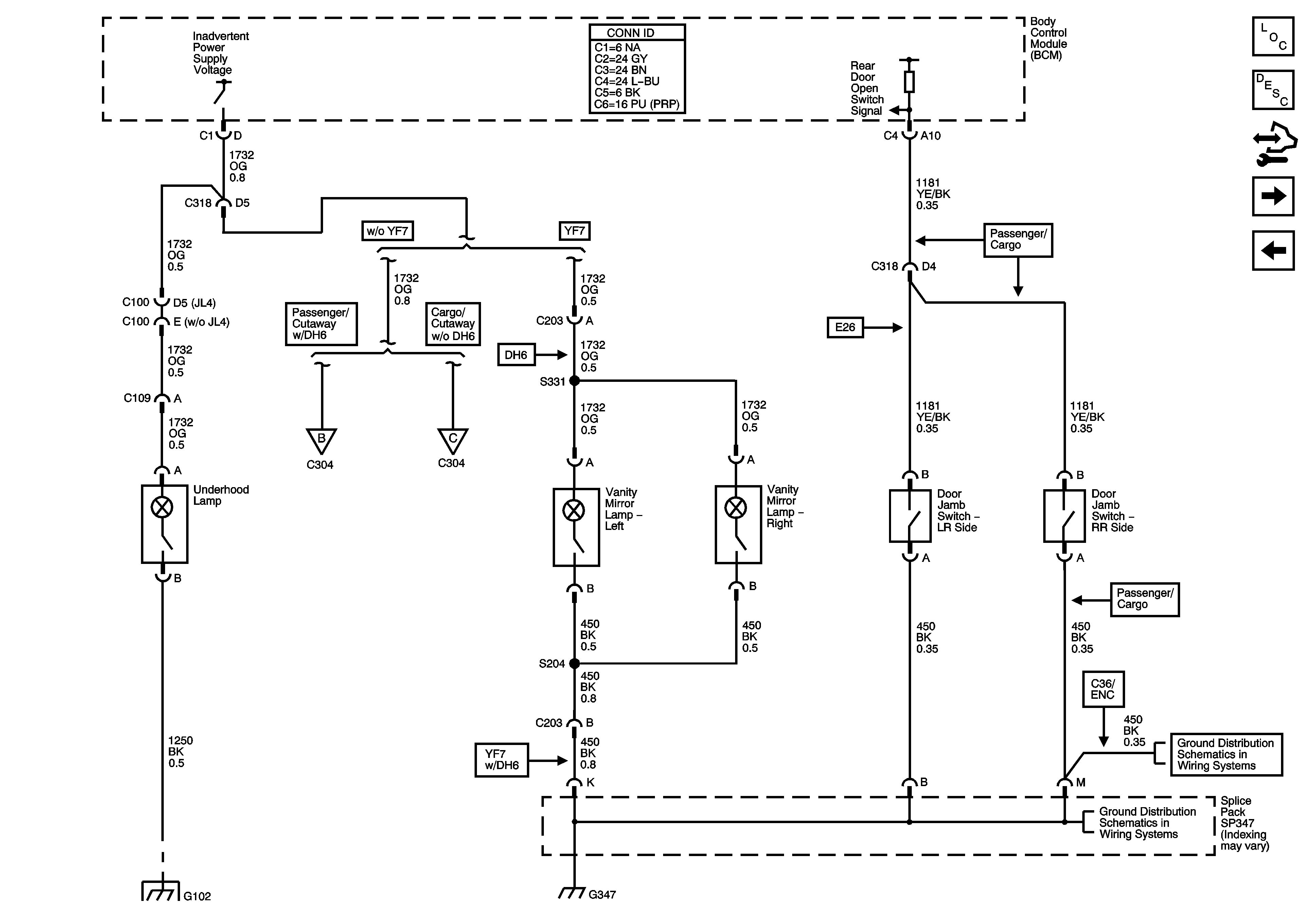
Underhood/Vanity Lamps and Door Jamb Switches
Underhood/Vanity Lamps and Door Jamb Switches
Master Electrical Component List
Interior Lighting Systems Description and Operation
Control Module References
Dome Fluorescent Work Lamps (PRP w/UF2)
Courtesy Lamps (w/o YF7) - 2 of 2
Courtesy Lamps (w/o YF7) - 2 of 2
Courtesy Lamps (w/o YF7) - 1 of 2
G347 - 2 of 3
G347 - 2 of 3
G102