GM Service Manual Online
For 1990-2009 cars only
Makes
🢒
Chevrolet
🢒
2005
🢒
Express
🢒 Seat Belt Schematics
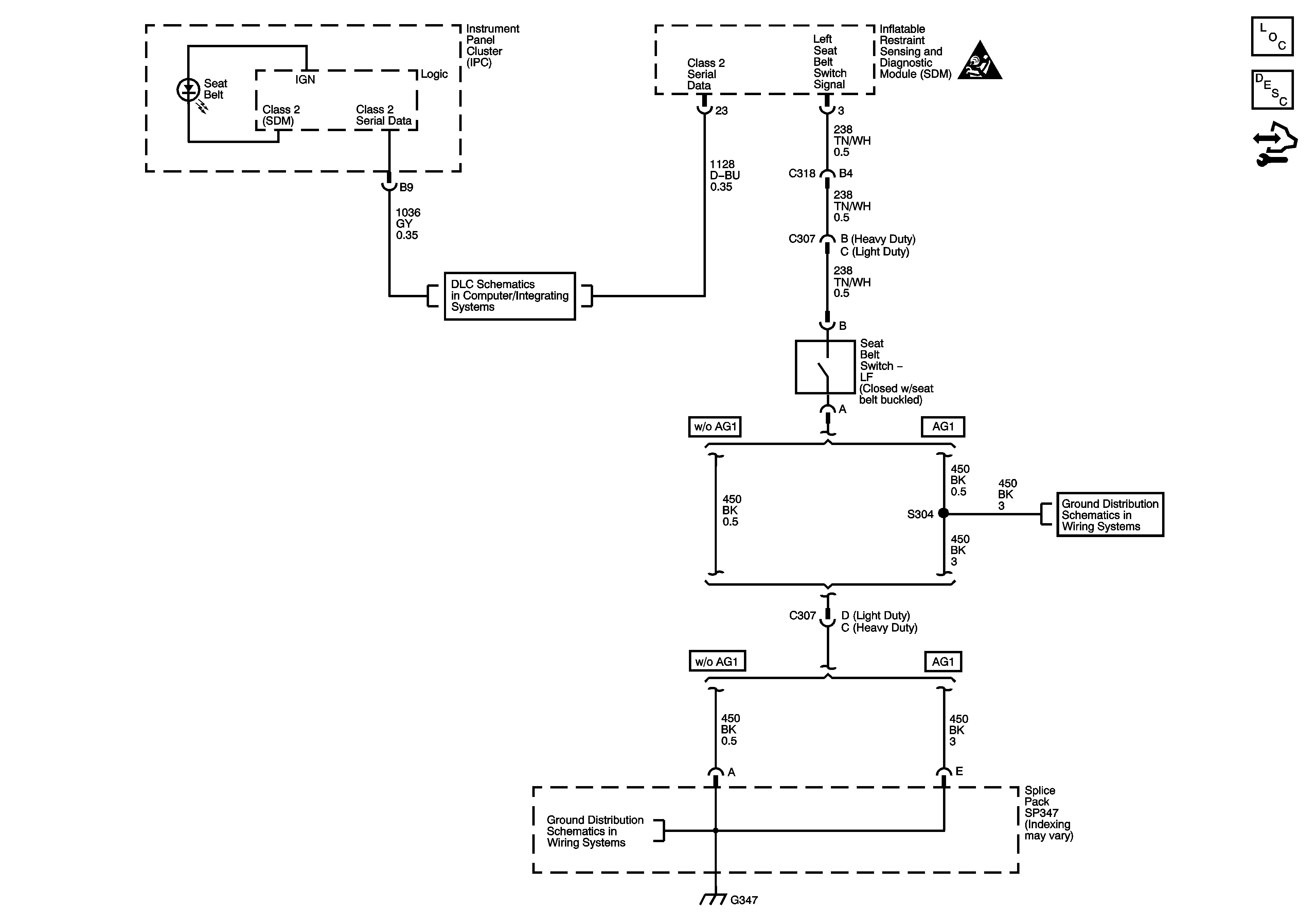
Seat Belt Schematics
Master Electrical Component List
Seat Belt System Description and Operation
Control Module References
SIR Caution for Zoning
Data Link Connector (DLC) Schematics
G347 - 2 of 3
G347 - 1 of 3