GM Service Manual Online
For 1990-2009 cars only
Makes
🢒
Chevrolet
🢒
2005
🢒
Express
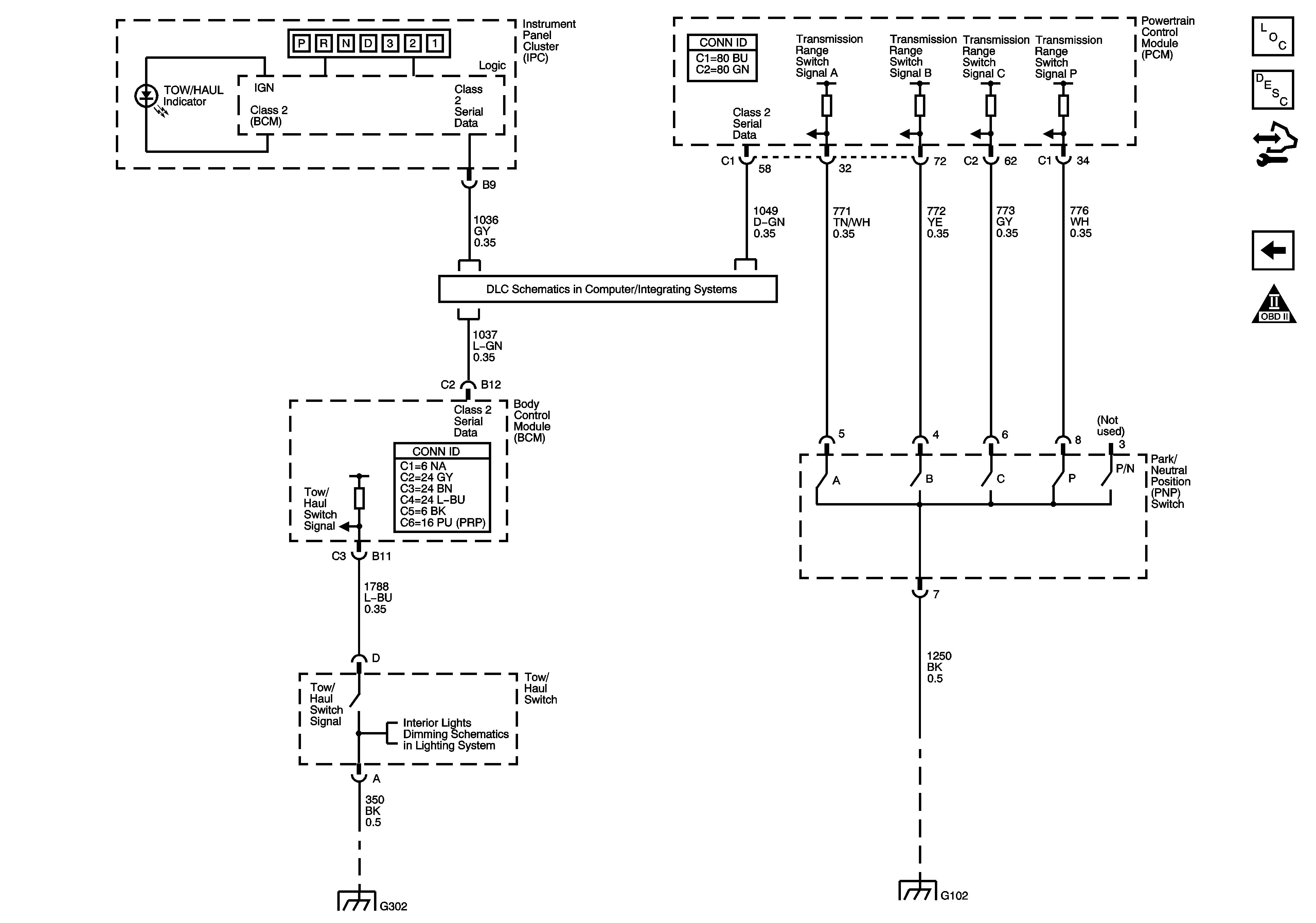
🢒 PNP Switch, Serial Data and Indicator
PNP Switch, Serial Data and Indicator
PNP Switch, Serial Data and Indicator
Master Electrical Component List
Electronic Component Description
Control Module References
Pressure Controls, Temperature and VSS
OBD II Symbol Description Notice
Data Link Connector (DLC) Schematics
I/P Dimming Supply Voltage - 1 of 3 and LED Dimming Supply Voltage
G302
G102