GM Service Manual Online
For 1990-2009 cars only
Makes
🢒
Chevrolet
🢒
2005
🢒
Express
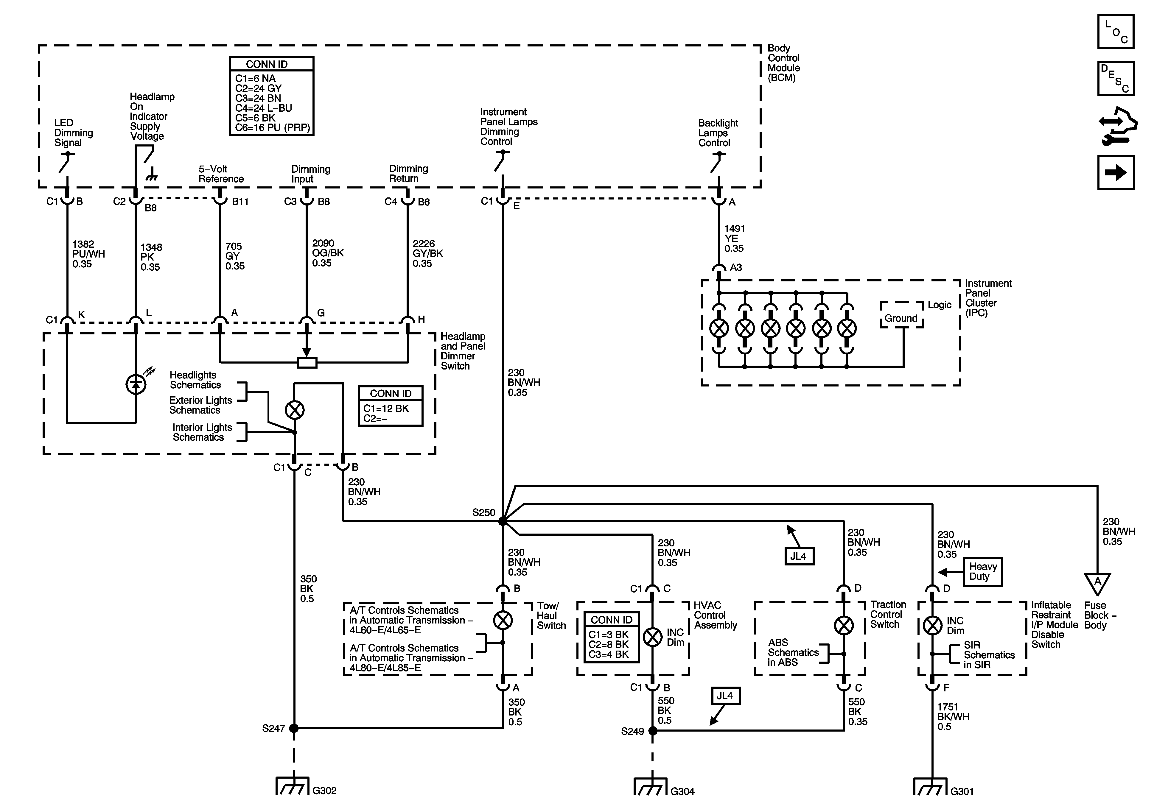
🢒 I/P Dimming Supply Voltage - 1 of 3 and LED Dimming Supply Voltage
I/P Dimming Supply Voltage - 1 of 3 and LED Dimming Supply Voltage
I/P Dimming Supply Voltage - 1 of 3 and LED Dimming Supply Voltage
Master Electrical Component List
Interior Lighting Systems Description and Operation
Control Module References
I/P Dimming Supply Voltage - 2 of 3
Headlights Schematics
Headlamp and Panel Dimmer Switch Signals and Park Lamp Relay Control
Dome and Courtesy Lamp Switch Signals and Door Latch Assemblies
PNP Switch, Serial Data and Indicator
PNP Switch, Serial Data and Indicator
Steering Wheel/ Speed Position Inputs, Traction Control Switch and Precharge Pump - JL4
Power, Ground, Serial Data, Indicator and Disable Switch
I/P Dimming Supply Voltage - 2 of 3
G302
G303 and G304
G103, G104, G105, G106, G300 and G301