GM Service Manual Online
For 1990-2009 cars only

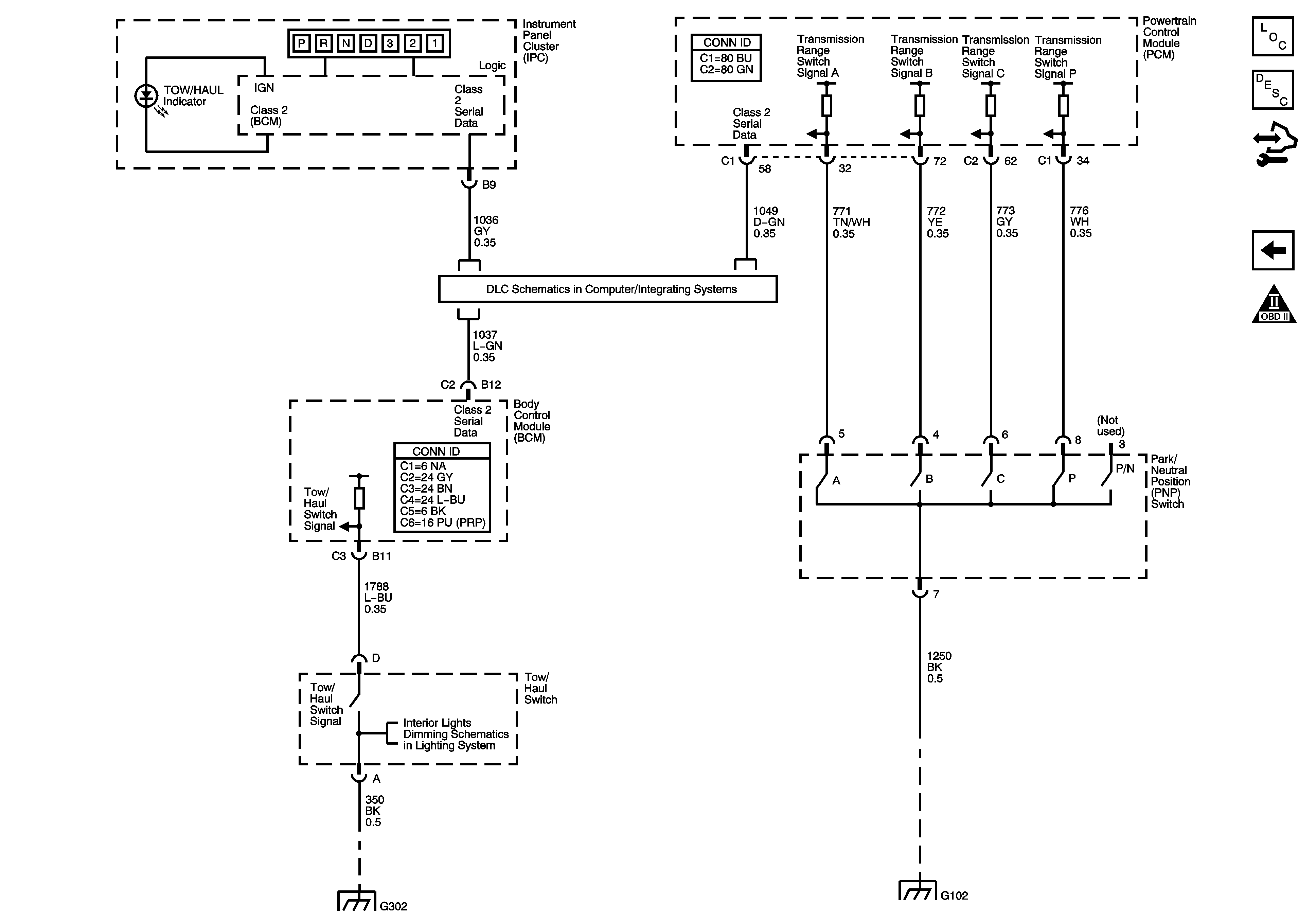
PNP Switch, Serial Data and Indicator

PNP Switch, Serial Data and Indicator


Object Number: 1530903  Size: FS
Master Electrical Component List
Electronic Component Description
Control Module References
Pressure Controls, Temperature and VSS
OBD II Symbol Description Notice
Data Link Connector (DLC) Schematics
I/P Dimming Supply Voltage - 1 of 3 and LED Dimming Supply Voltage
G302
G102