GM Service Manual Online
For 1990-2009 cars only
Makes
🢒
Chevrolet
🢒
2006
🢒
Express
🢒
Vehicle Control Systems
🢒
Vehicle DTC Information
🢒 Radio/Audio System Schematics
Figure
1:
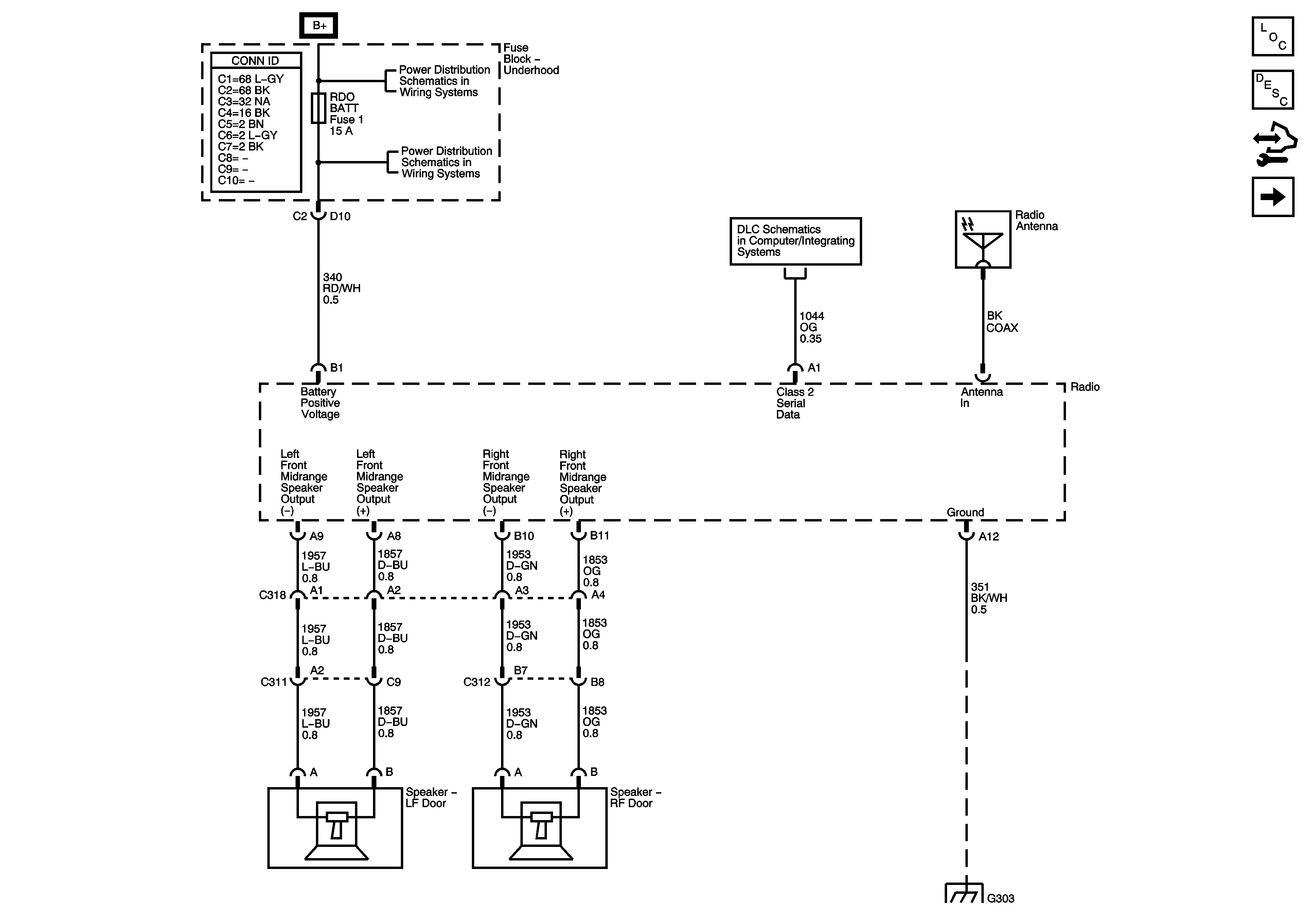
Power, Ground, Serial Data, Antenna, and Front Speaker Outputs
Master Electrical Component List
Radio/Audio System Description and Operation
Control Module References
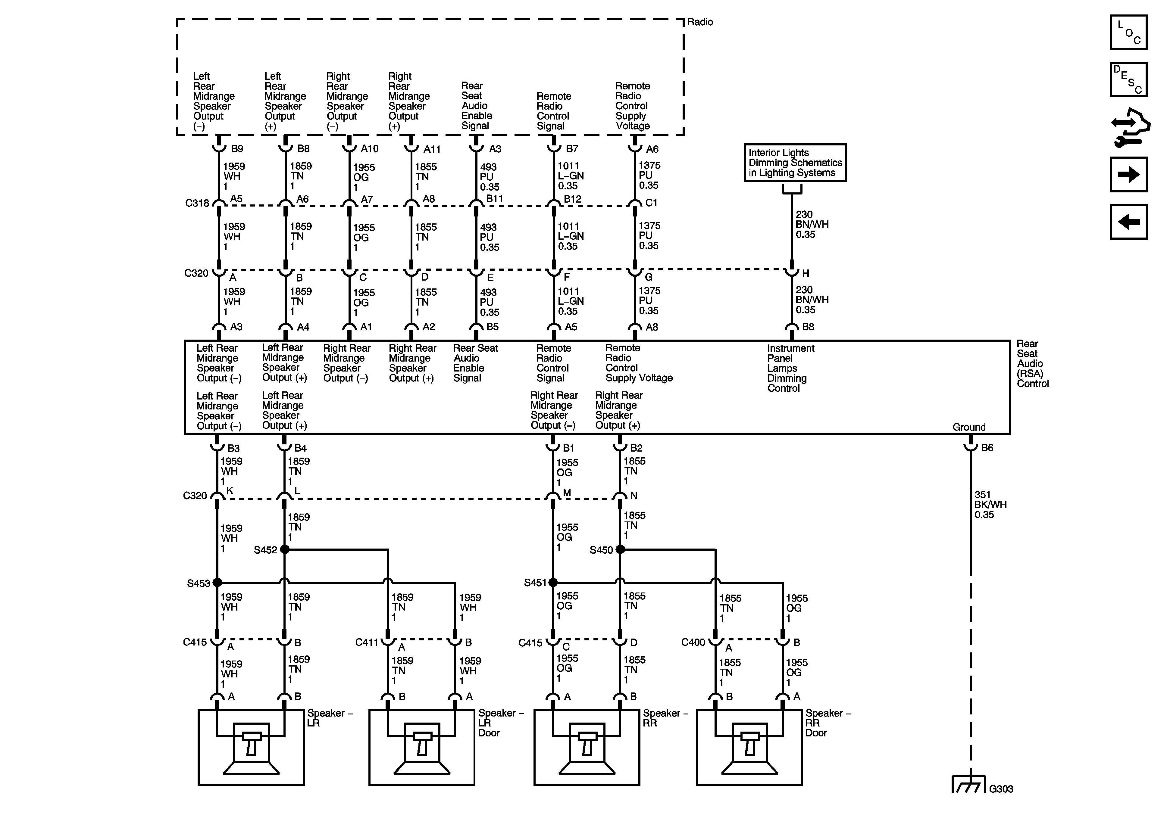
Rear Speaker Outputs (UK6)
B+ Bus - Underhood Fuse Block - Gas
HAZRD, RDO BATT, RFA, REAR DEF/HTD MIR, TBC, TBC 2, TBC 3, TBC 4, TRLR STOP/TRN Fuses and PWR SEAT Circuit Breaker
Power, Ground, DLC, and Splice Pack SP200
G303
Figure
2:
Rear Speaker Outputs (UK6)
Master Electrical Component List
Radio/Audio System Description and Operation
Control Module References
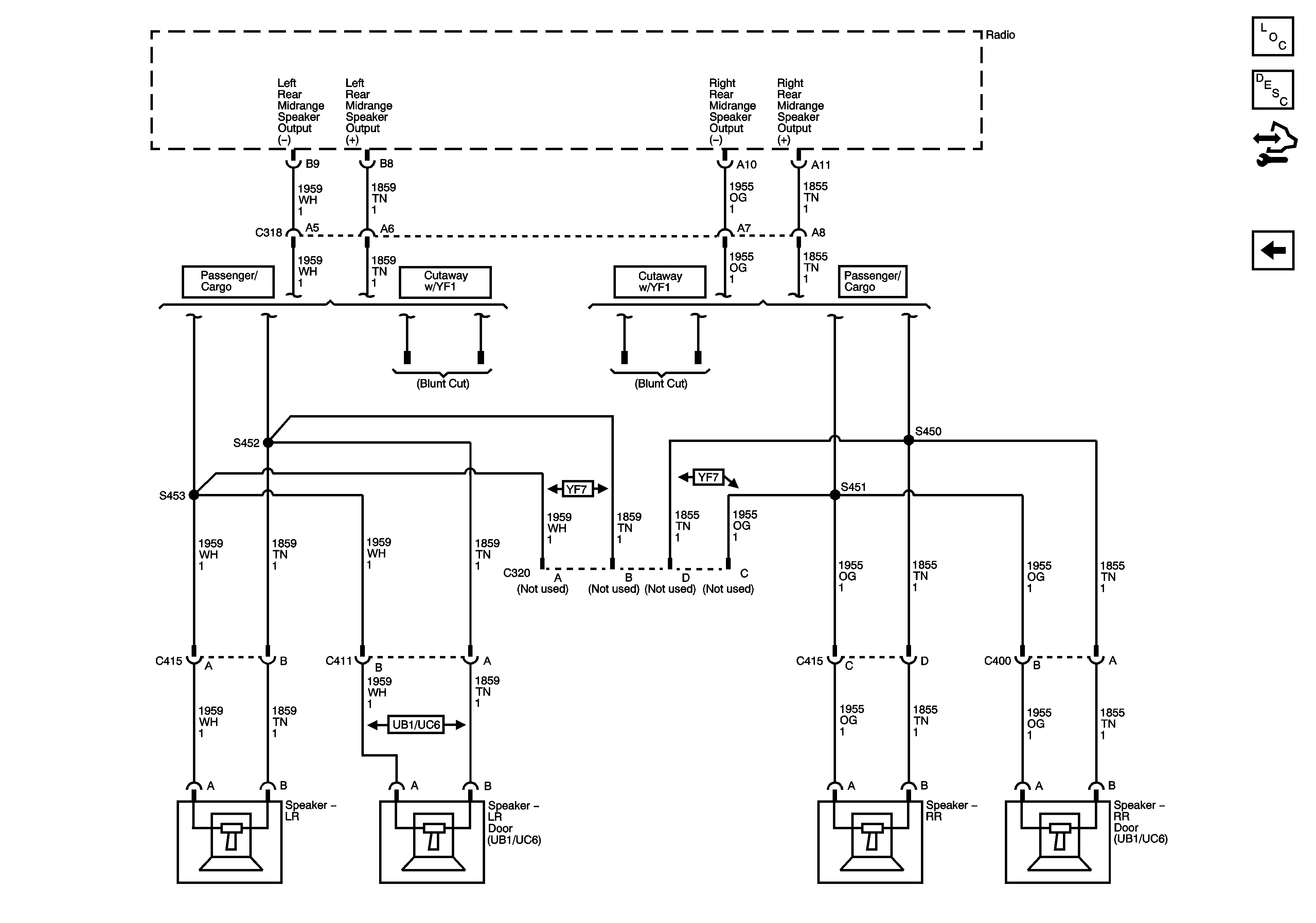
Rear Speaker Outputs (w/o UK6)
Power, Ground, Serial Data, Antenna, and Front Speaker Outputs
I/P Dimming Supply Voltage - 2 of 3
G303
Figure
3:
Rear Speaker Outputs (w/o UK6)
Master Electrical Component List
Radio/Audio System Description and Operation
Control Module References
Rear Speaker Outputs (UK6)