GM Service Manual Online
For 1990-2009 cars only
Makes
🢒
Chevrolet
🢒
2006
🢒
Express
🢒
Body
🢒
Lighting Systems
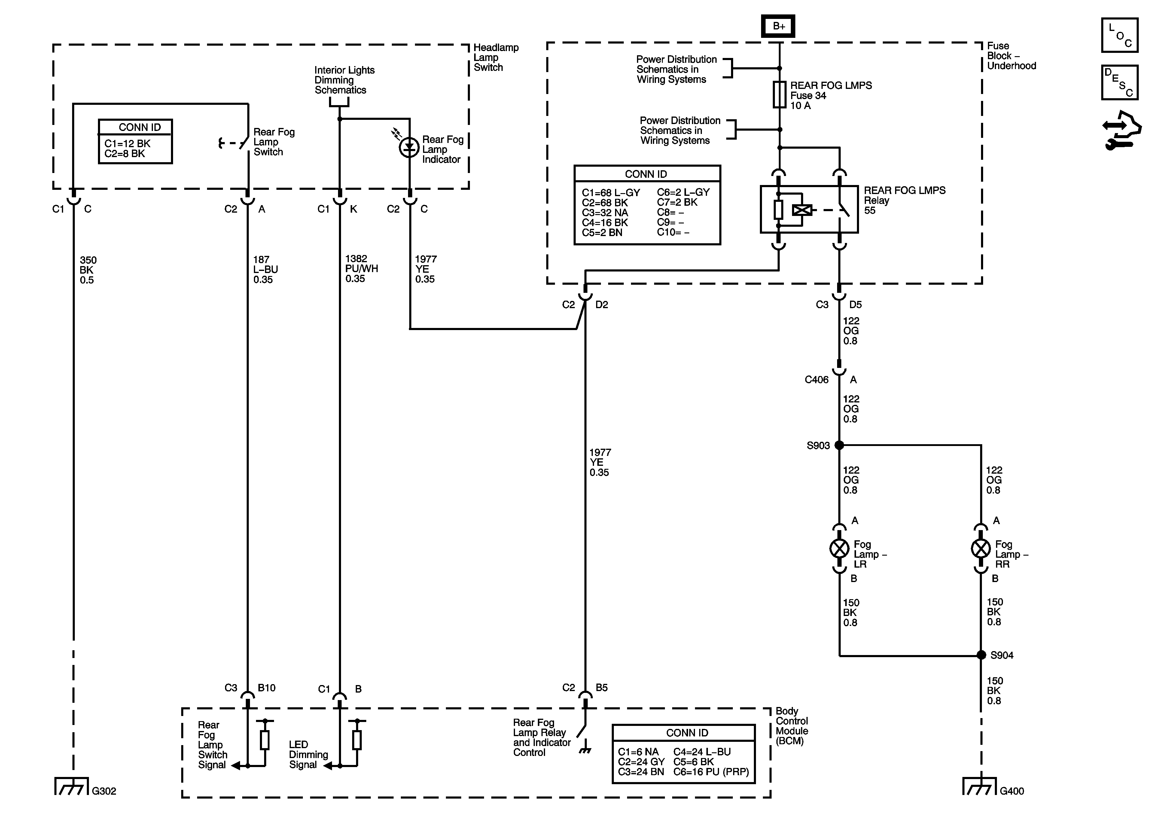
🢒 Fog Lights Schematics
Master Electrical Component List
Exterior Lighting Systems Description and Operation
Control Module References
I/P Dimming Supply Voltage - 1 of 3 and LED Dimming Supply Voltage
B+ Bus - Underhood Fuse Block - Diesel
AUX PWR, BLWR, CNSTR VENT SOL, IPC, LTR, REAR FOG LMPS, and STOP LAMP Fuses
G302
G400