GM Service Manual Online
For 1990-2009 cars only
Makes
🢒
Chevrolet
🢒
2006
🢒
Express
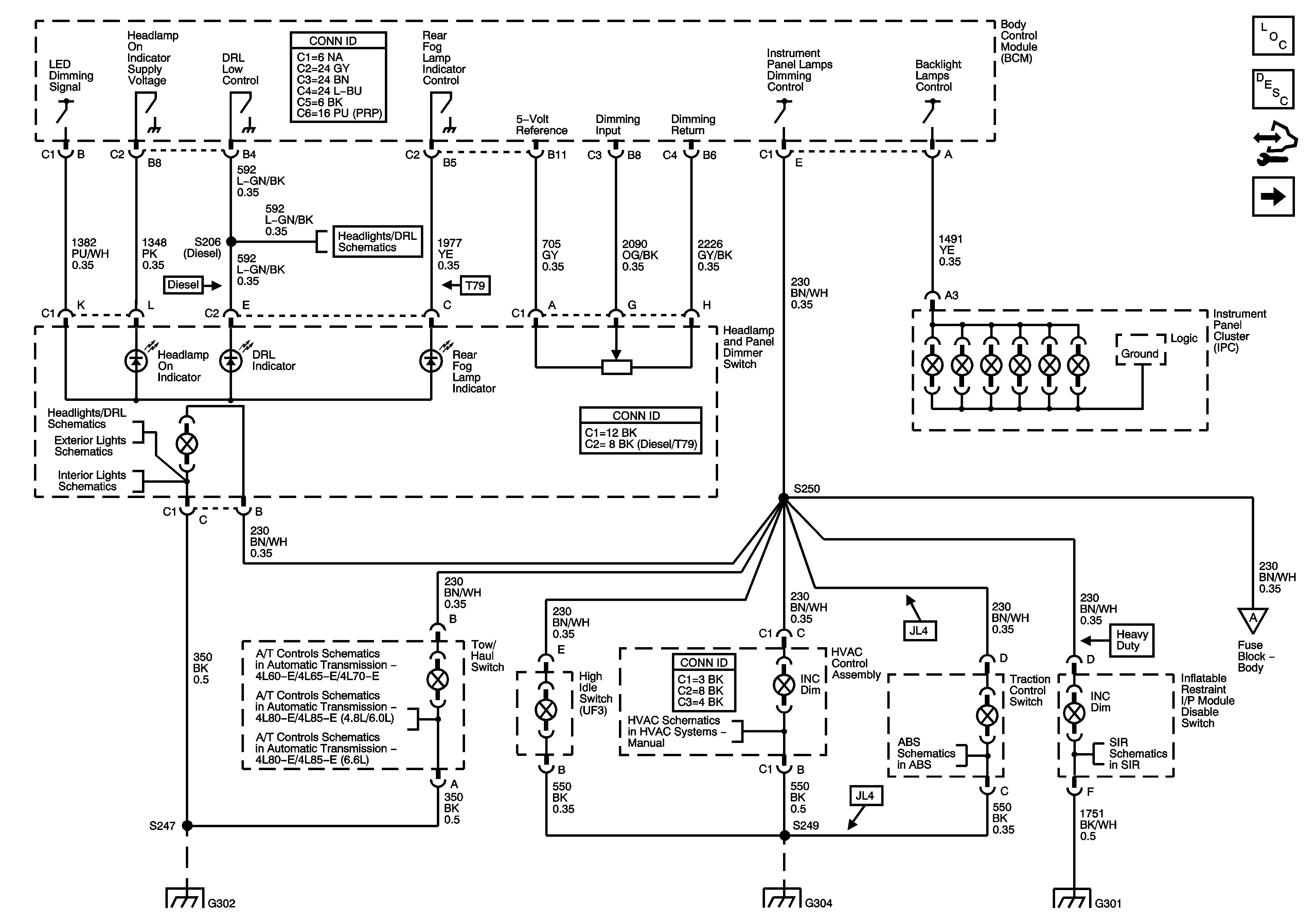
🢒 I/P Dimming Supply Voltage - 1 of 3 and LED Dimming Supply Voltage
I/P Dimming Supply Voltage - 1 of 3 and LED Dimming Supply Voltage
I/P Dimming Supply Voltage 1 of 3 and LED Dimming Supply Voltage
Master Electrical Component List
Interior Lighting Systems Description and Operation
Control Module References
I/P Dimming Supply Voltage - 2 of 3
Daytime Running Lamps (DRL)
Headlamps
Park Lamp Relay Control and Front Park Lamps
Dome and Courtesy Lamp Switch Signals and Door Latch Assemblies
Shift Controls and Stop Lamp Switch
PNP Switch, Tow/Haul Switch, Serial Data, and Indicator
Pressure Controls, Tow/Haul Switch, Temperature, and Speed Sensors
G302
Primary Blower and Air Delivery Controls (C42) and Vacuum Pump (Diesel)
G304
Steering Wheel/Speed Position Inputs, Traction Control Switch, and Precharge Pump (JL4)
I/P Dimming Supply Voltage - 2 of 3
Module Power, Ground, Serial Data, Indicator and Disable Switch
G103, G104, G105, G106, G107, G108, G300, G301, and G305