GM Service Manual Online
For 1990-2009 cars only

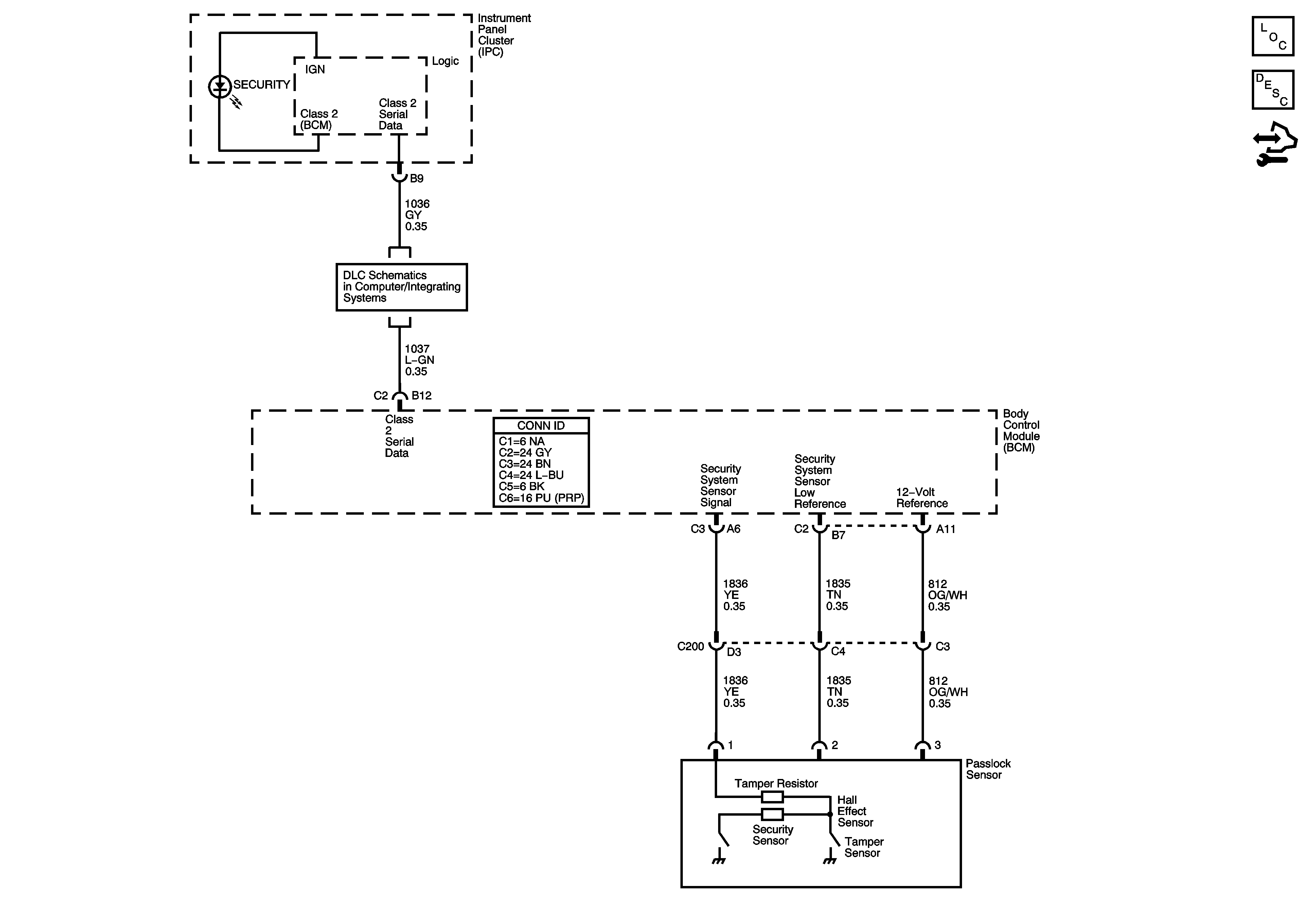
Object Number: 1576905  Size: FS
Master Electrical Component List
Vehicle Theft Deterrent (VTD) Description and Operation
Control Module References
Power, Ground, DLC, and Splice Pack SP200