GM Service Manual Online
For 1990-2009 cars only
Makes
🢒
Chevrolet
🢒
2006
🢒
Express
🢒
Body
🢒
Wiring Systems
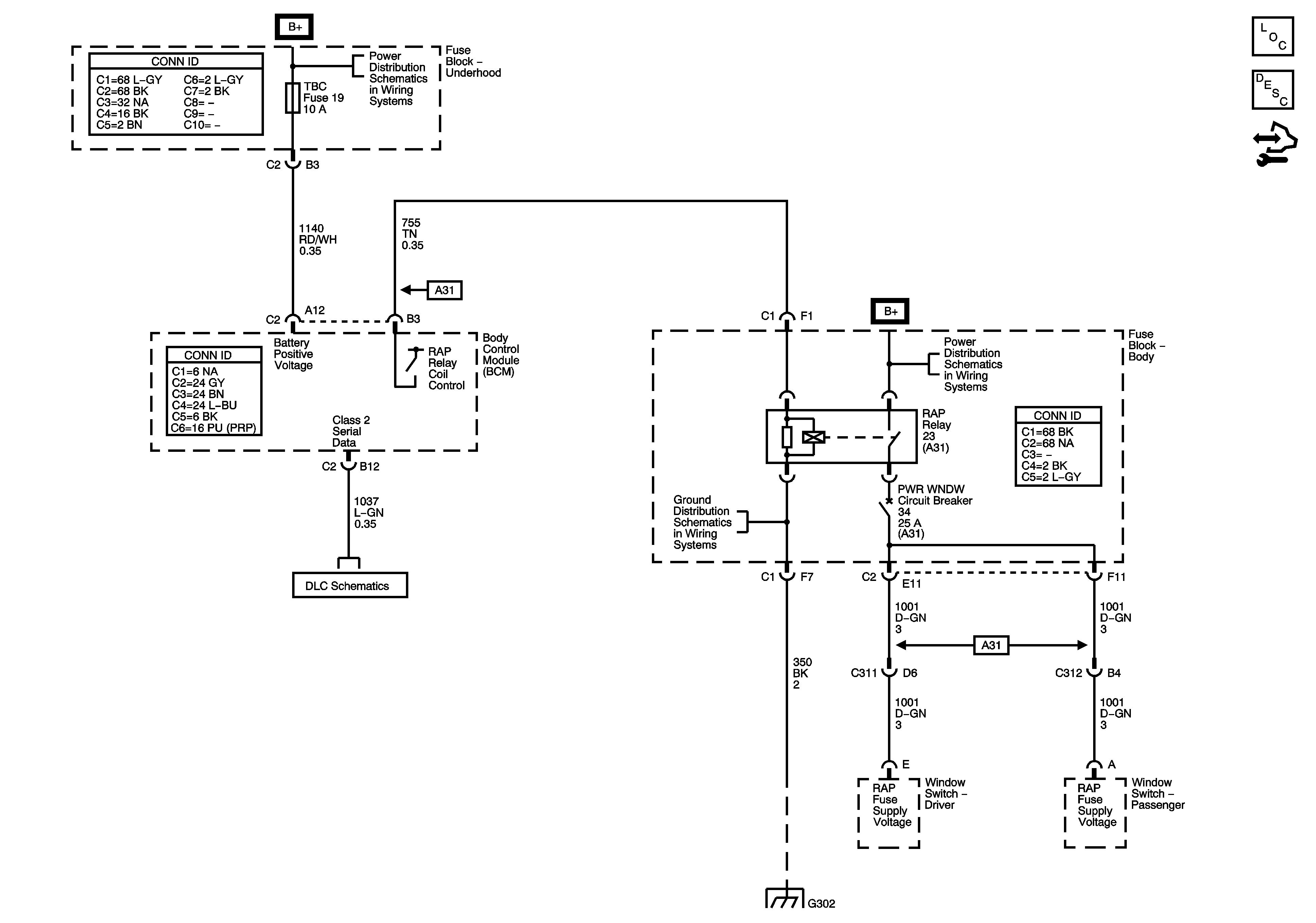
🢒 Retained Accessory Power (RAP) Schematics
Master Electrical Component List
Retained Accessory Power (RAP) Description and Operation
Control Module References
B+ Bus - Underhood Fuse Block - Gas
B+ Bus - Body Fuse Block
G302
Power, Ground, DLC, and Splice Pack SP200
G302