GM Service Manual Online
For 1990-2009 cars only
Makes
🢒
Chevrolet
🢒
2006
🢒
Express
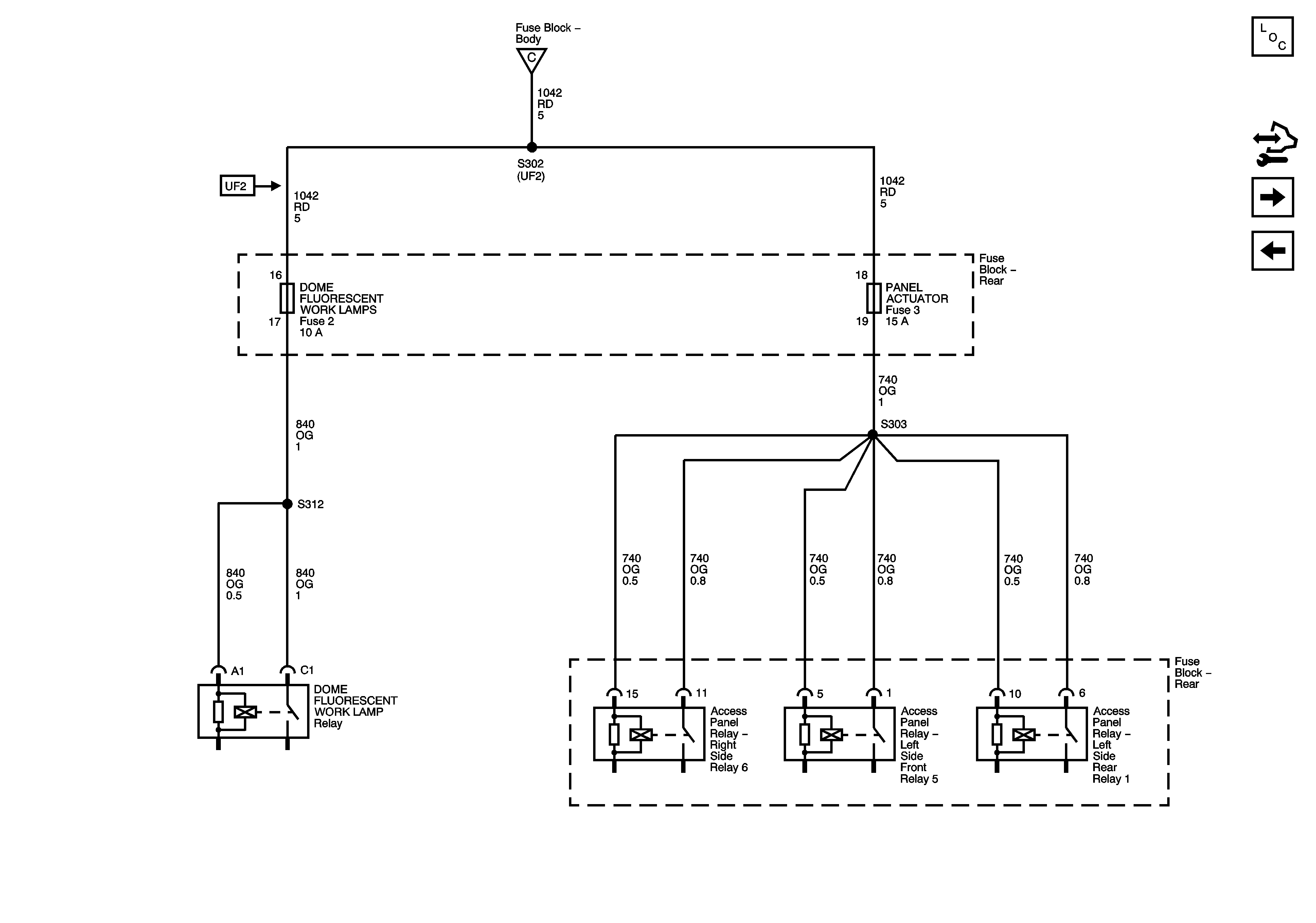
🢒 DOME FLUORESCENT WORK LAMPS and PANEL ACTUATOR Fuses
DOME FLUORESCENT WORK LAMPS and PANEL ACTUATOR Fuses
DOME FLUORESCENT WORK LAMPS and PANEL ACTUATOR Fuses
Master Electrical Component List
Control Module References
LT REAR STOP/TRN, LT DRL/TRN, LT REAR STOP/TRN, RT DRL/TRN, RT REAR STOP/TRN and RT REAR STOP/TRN Fuses
AUX 1, OSRVM, REAR BLWR and SPARE Fuses
AUX 1, OSRVM, REAR BLWR and SPARE Fuses