GM Service Manual Online
For 1990-2009 cars only
Makes
🢒
Chevrolet
🢒
2006
🢒
Express
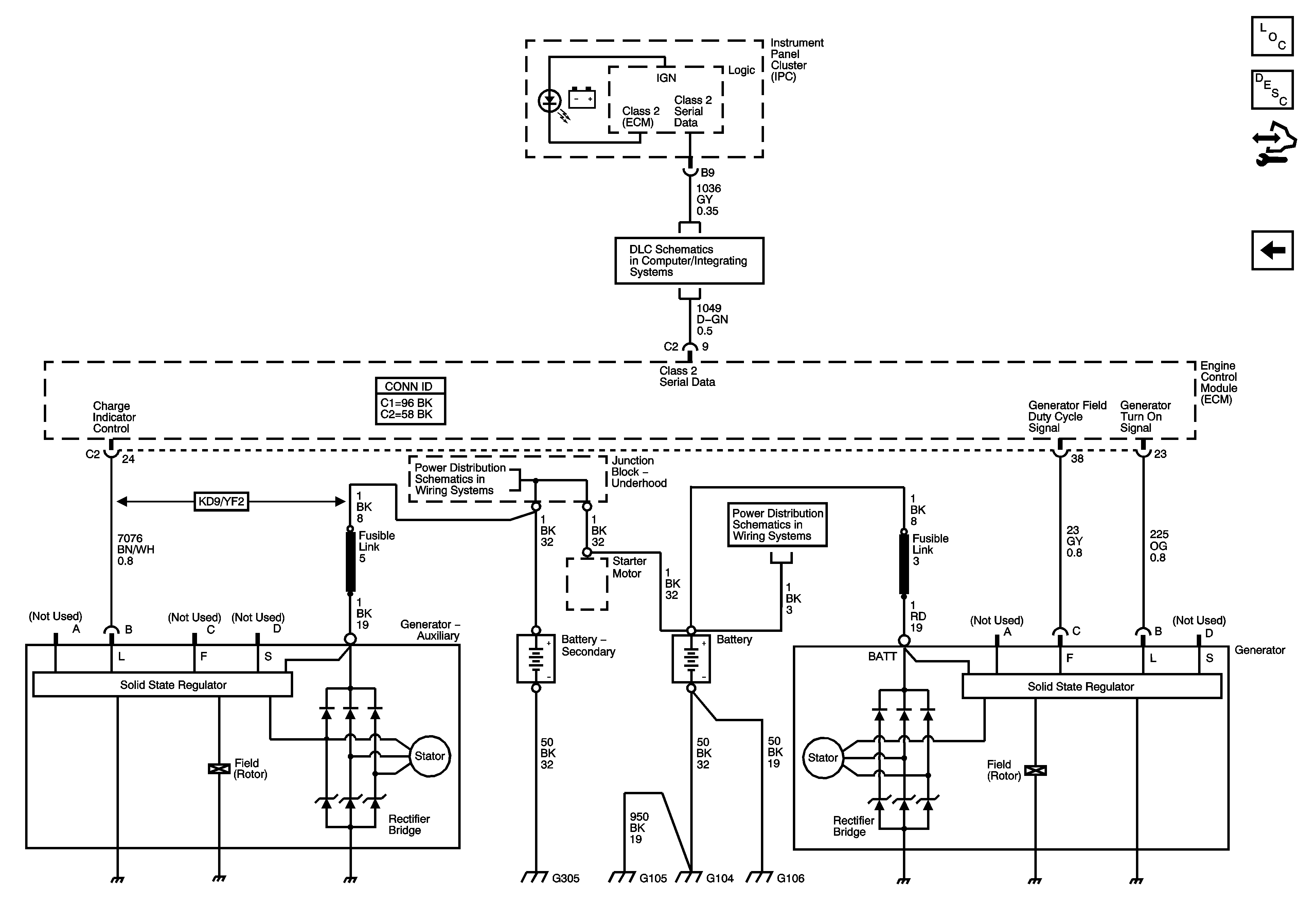
🢒 Charging System - Diesel
Charging System - Diesel
Charging System - Diesel
Master Electrical Component List
Charging System Description and Operation
Control Module References
Charging System - Gas
Power, Ground, DLC, and Splice Pack SP200
B+ Bus - Underhood Fuse Block - Diesel
B+ Bus - Underhood Fuse Block - Diesel