GM Service Manual Online
For 1990-2009 cars only
Makes
🢒
Chevrolet
🢒
2006
🢒
Express
🢒 Turn Signals
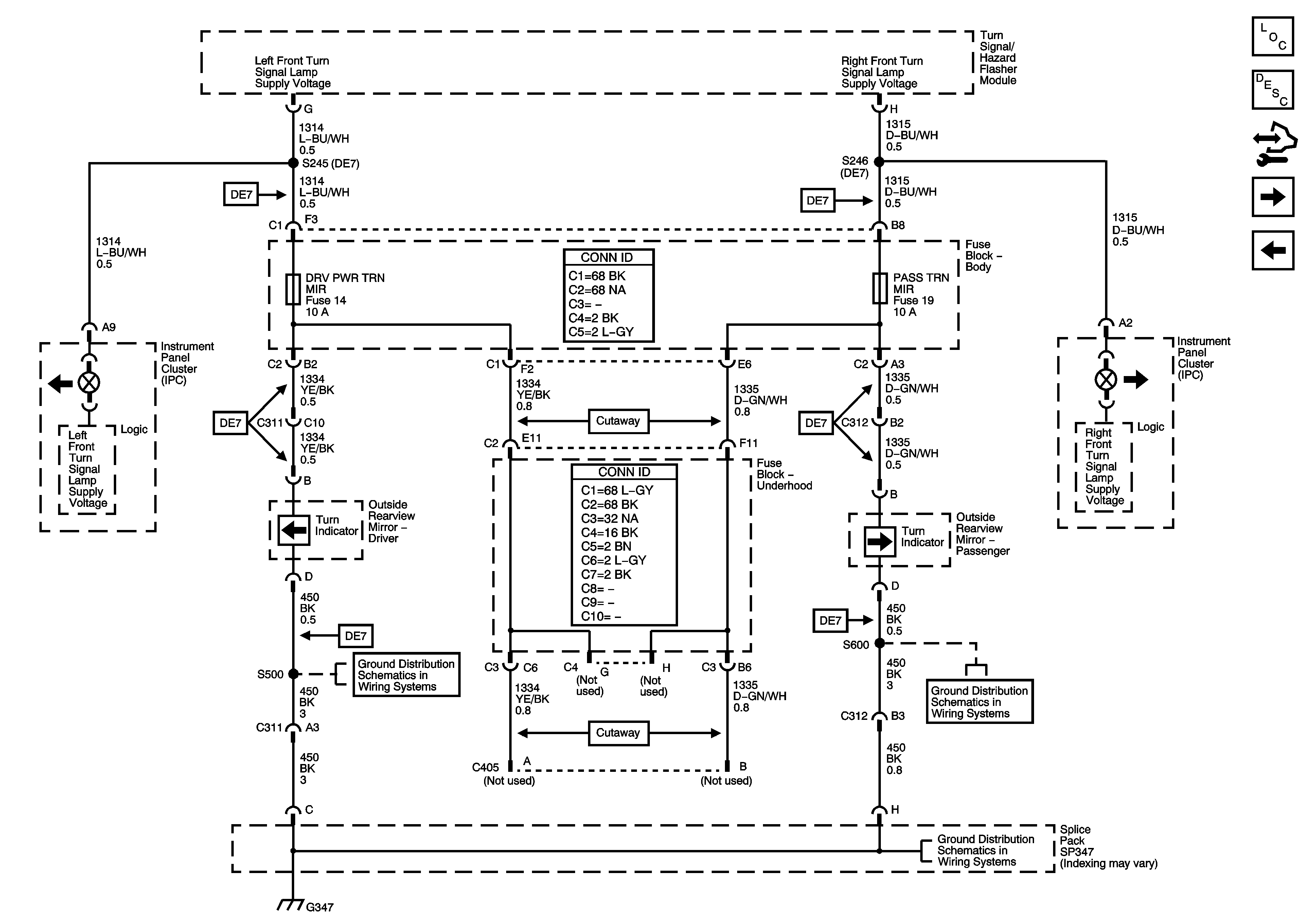
Turn Signals
Turn Signals
Master Electrical Component List
Exterior Lighting Systems Description and Operation
Control Module References
Park Lamp Relay Control and Front Park Lamps
Stop Lamp Switch
G347 - 1 of 3
G347 - 2 of 3
G347 - 1 of 3