GM Service Manual Online
For 1990-2009 cars only
Makes
🢒
Chevrolet
🢒
2006
🢒
Express
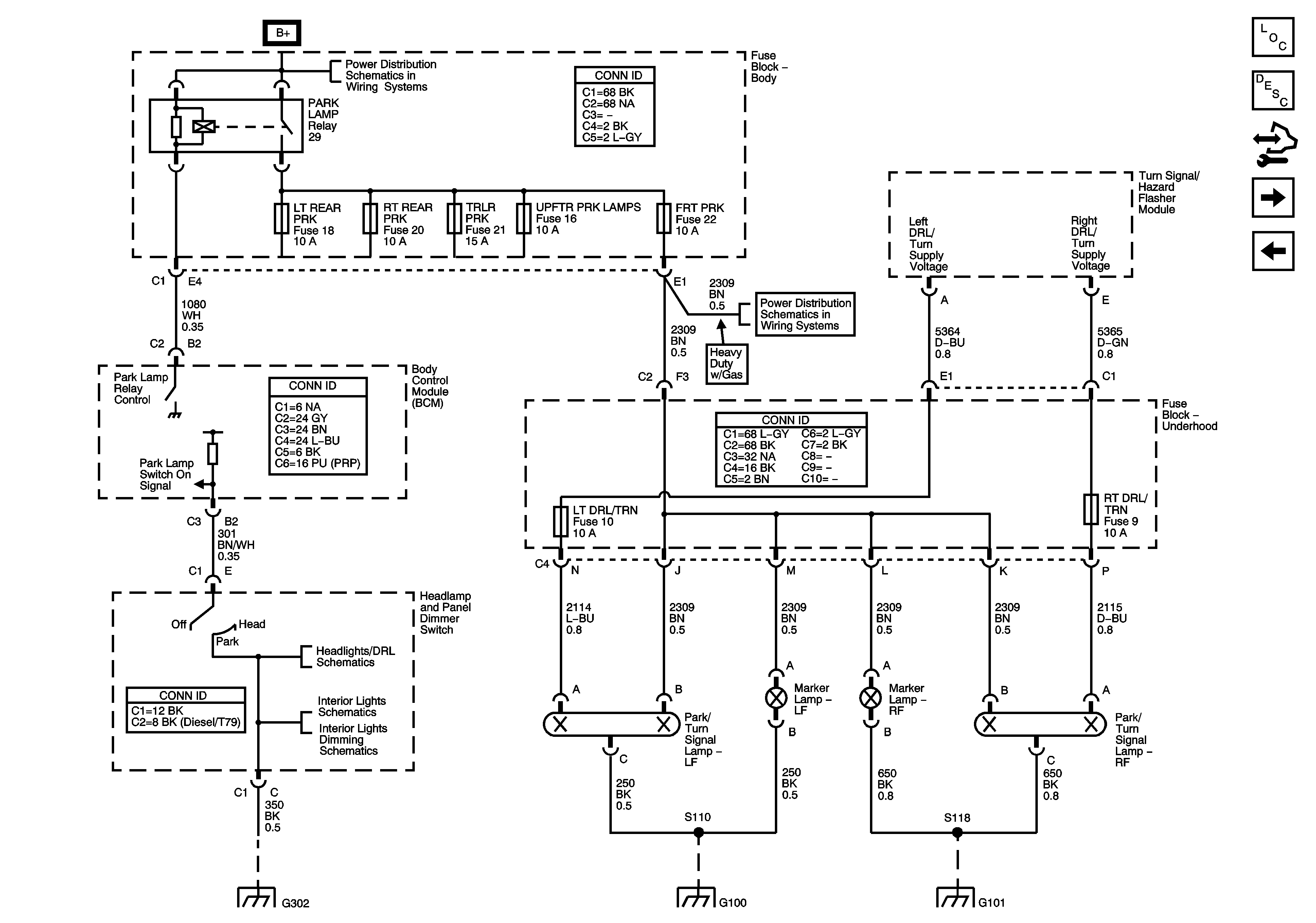
🢒 Park Lamp Relay Control and Front Park Lamps
Park Lamp Relay Control and Front Park Lamps
Park Lamp Relay Control and Front Park Lamps
Master Electrical Component List
Exterior Lighting Systems Description and Operation
Control Module References
License and Rear Park Lamps
Turn Signals
B+ Bus - Body Fuse Block
FRT PRK, LT REAR PRK, RT REAR PRK, TRLR PRK, UPFTR PRK LAMPS Fuses and PWR WNDW Circuit Breaker
Headlamps
Dome and Courtesy Lamp Switch Signals and Door Latch Assemblies
I/P Dimming Supply Voltage - 1 of 3 and LED Dimming Supply Voltage
G302
G100 and G101
G100 and G101