GM Service Manual Online
For 1990-2009 cars only
Makes
🢒
Chevrolet
🢒
2007
🢒
Express
🢒
Body Systems
🢒
Mirrors
🢒 Outside Rearview Mirror Schematics
Figure
1:
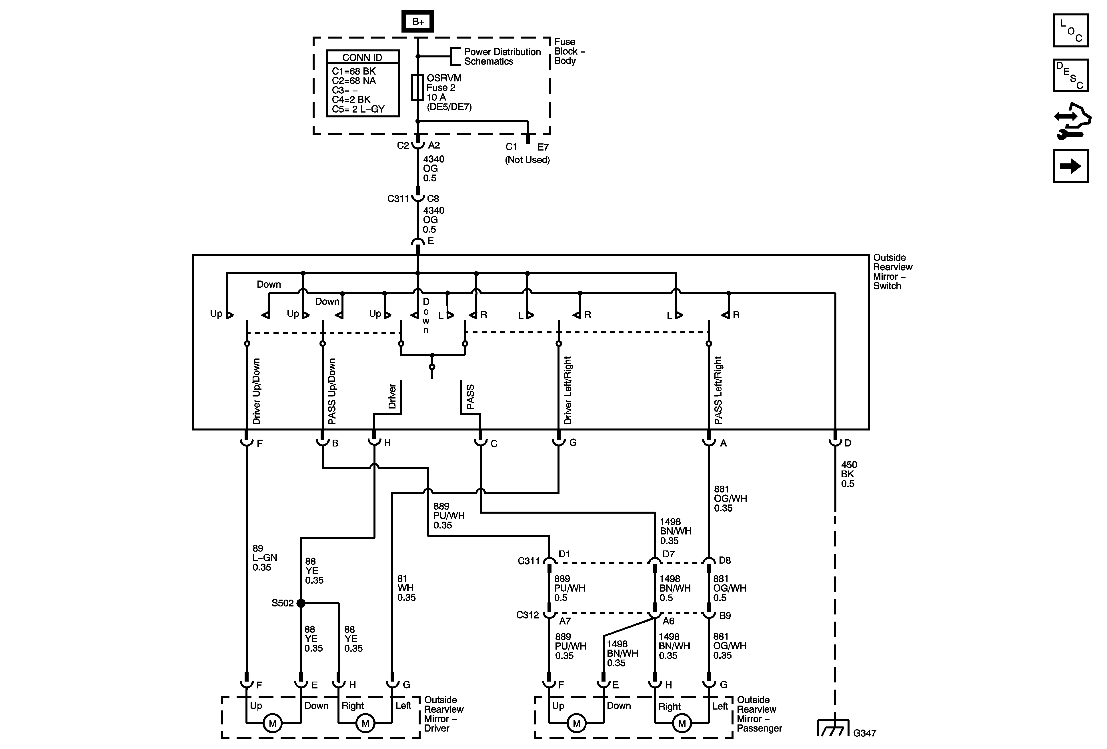
Power, Ground, Power Mirror Switches and Motors
Master Electrical Component List
Outside Mirror Description and Operation (Power Mirrors)
Control Module References
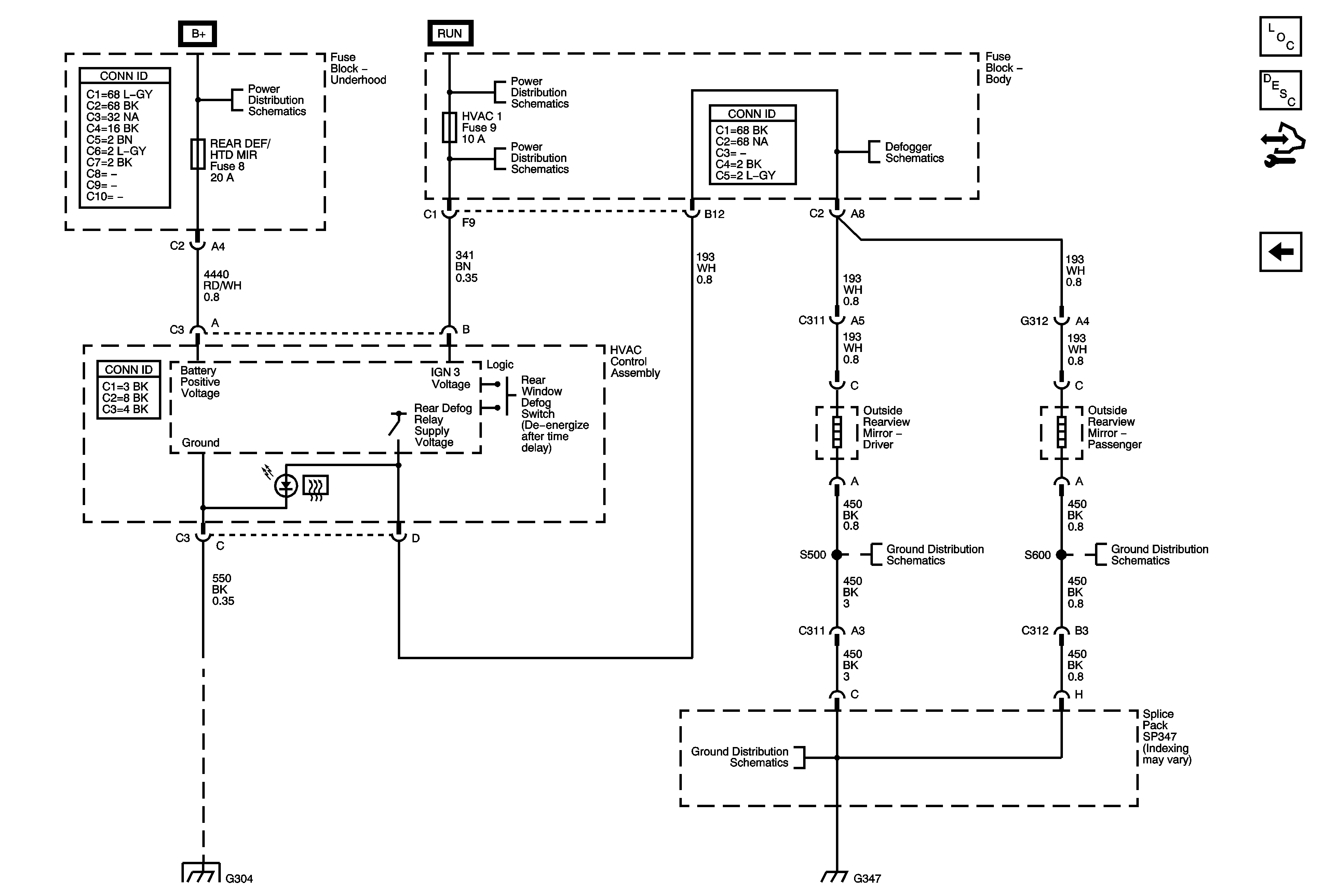
Heated Mirrors
B+ Bus - Body Fuse Block
G347 - 1 of 3
Figure
2:
Heated Mirrors
Master Electrical Component List
Outside Mirror Description and Operation (Heated Mirrors)
Control Module References
Power, Ground, Power Mirror Switches and Motors
B+ Bus - Underhood Fuse Block - Gas
Ignition Switch - ACCY/RUN/START, RUN, START Bus Bars and IGN A Fuse
HVAC 1 Fuse
Defogger Schematics
G304
G347 - 1 of 3
G347 - 1 of 3
G347 - 2 of 3