GM Service Manual Online
For 1990-2009 cars only
Makes
🢒
Chevrolet
🢒
2007
🢒
Express
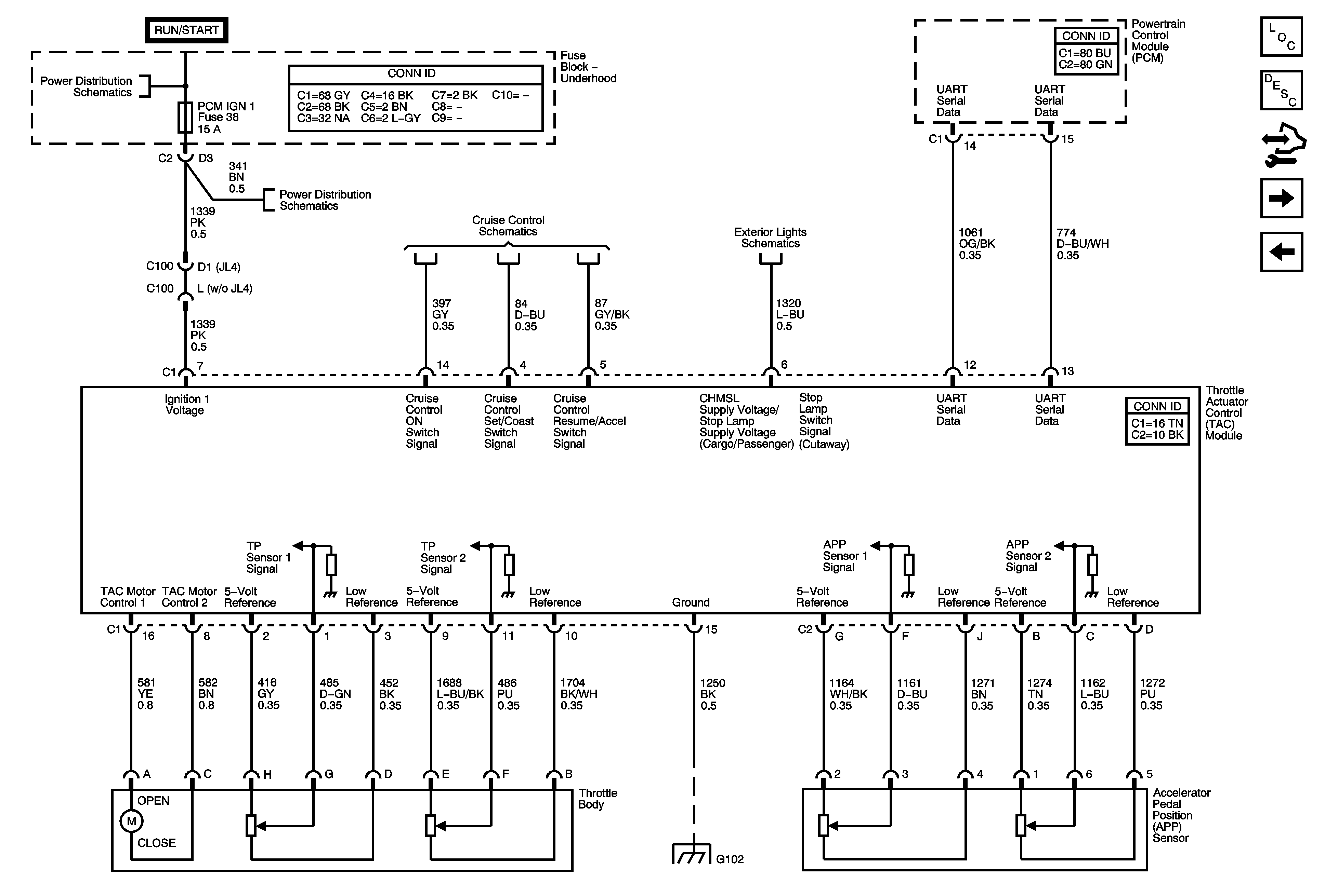
🢒 Engine Data Sensors - Electronic Throttle Control
Engine Data Sensors - Electronic Throttle Control
Engine Data Sensors - Electronic Throttle Control
Master Electrical Component List
Powertrain Control Module Description
Control Module References
Ignition Controls - Ignition System Coils 1, 3, 5, 7
Engine Data Sensors - Oxygen Sensors
Ignition Switch - ACCY/RUN, RUN/START Bus Bars and IGN B Fuse
BTSI, BTSI BCK/UP, ECM/TCM/GLOW PLUG CNTRL MDL IGN 1, FUEL HTR, O2 SNSR A, O2 SNSR B, PCM IGN 1, SPARE and TRLR BCK/UP Fuses
4.8L, 5.3L and 6.0L
Stop Lamp Switch
G102