GM Service Manual Online
For 1990-2009 cars only
Makes
🢒
Chevrolet
🢒
2007
🢒
Express
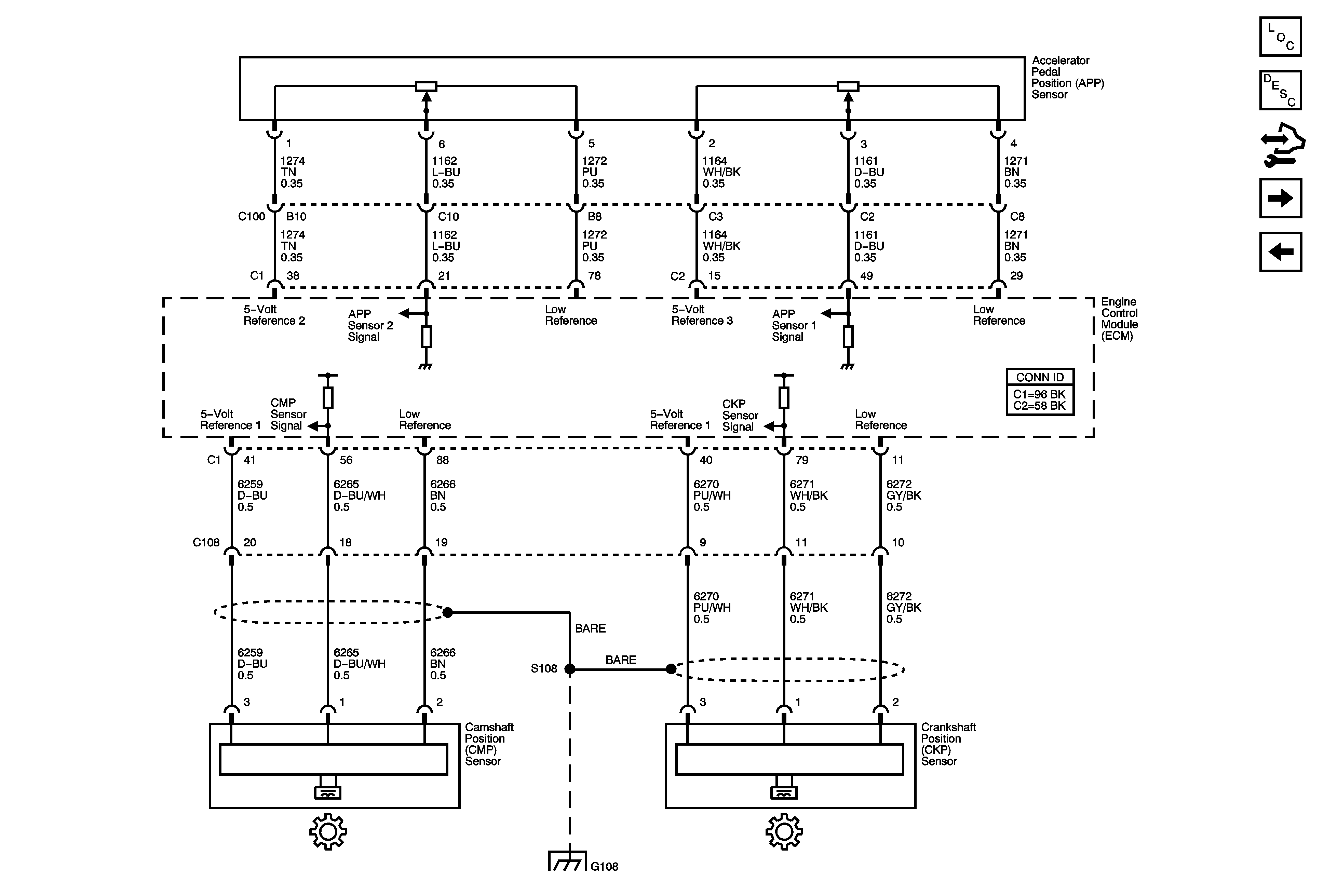
🢒 Engine Data Sensors - Pedal Position and Injector Timing
Engine Data Sensors - Pedal Position and Injector Timing
Engine Data Sensors - Pedal Position and Injector Timing
Master Electrical Component List
Engine Control Module Description
Control Module References
Engine Data Sensors - Glow Plug Controls and the IAH Module
Engine Data Sensors - EGR and Turbocharger Controls
G103, G104, G105, G106, G107, G108, G300, G301 and G305