GM Service Manual Online
For 1990-2009 cars only
Makes
🢒
Chevrolet
🢒
2007
🢒
Express
🢒 Engine Data Sensors - Glow Plug Controls and the IAH Module
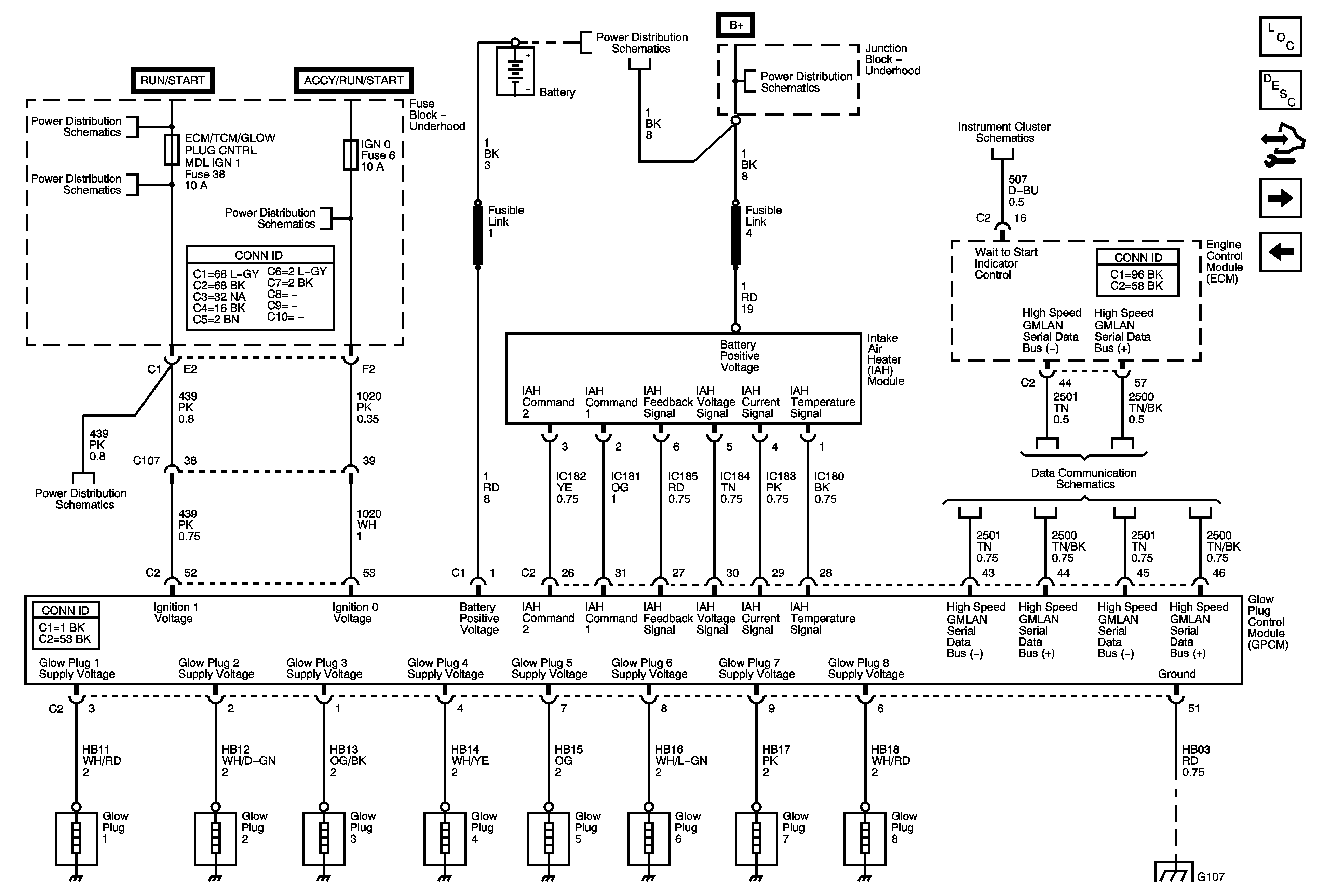
Engine Data Sensors - Glow Plug Controls and the IAH Module
Engine Data Sensors - Glow Plug Controls and the IAH Module
Master Electrical Component List
Engine Control Module Description
Control Module References
Fuel Controls - Fuel Pump, Temperature and Pressure Controls
Engine Data Sensors - Pedal Position and Injector Timing
Ignition Switch - ACCY/RUN, RUN/START Bus Bars and IGN B Fuse
BTSI, BTSI BCK/UP, ECM/TCM/GLOW PLUG CNTRL MDL IGN 1, FUEL HTR, O2 SNSR A, O2 SNSR B, PCM IGN 1, SPARE and TRLR BCK/UP Fuses
BTSI, BTSI BCK/UP, ECM/TCM/GLOW PLUG CNTRL MDL IGN 1, FUEL HTR, O2 SNSR A, O2 SNSR B, PCM IGN 1, SPARE and TRLR BCK/UP Fuses
BRK, CRNK, FRT WPR, HVAC, ING 0, TBC ACCY and TBC/TCM ACCY Fuses
B+ Bus - Underhood Fuse Block - Diesel
B+ Bus - Underhood Fuse Block - Diesel
Indicators
High Speed GMLAN and Splice Pack SP250 - Diesel
G103, G104, G105, G106, G107, G108, G300, G301 and G305