GM Service Manual Online
For 1990-2009 cars only

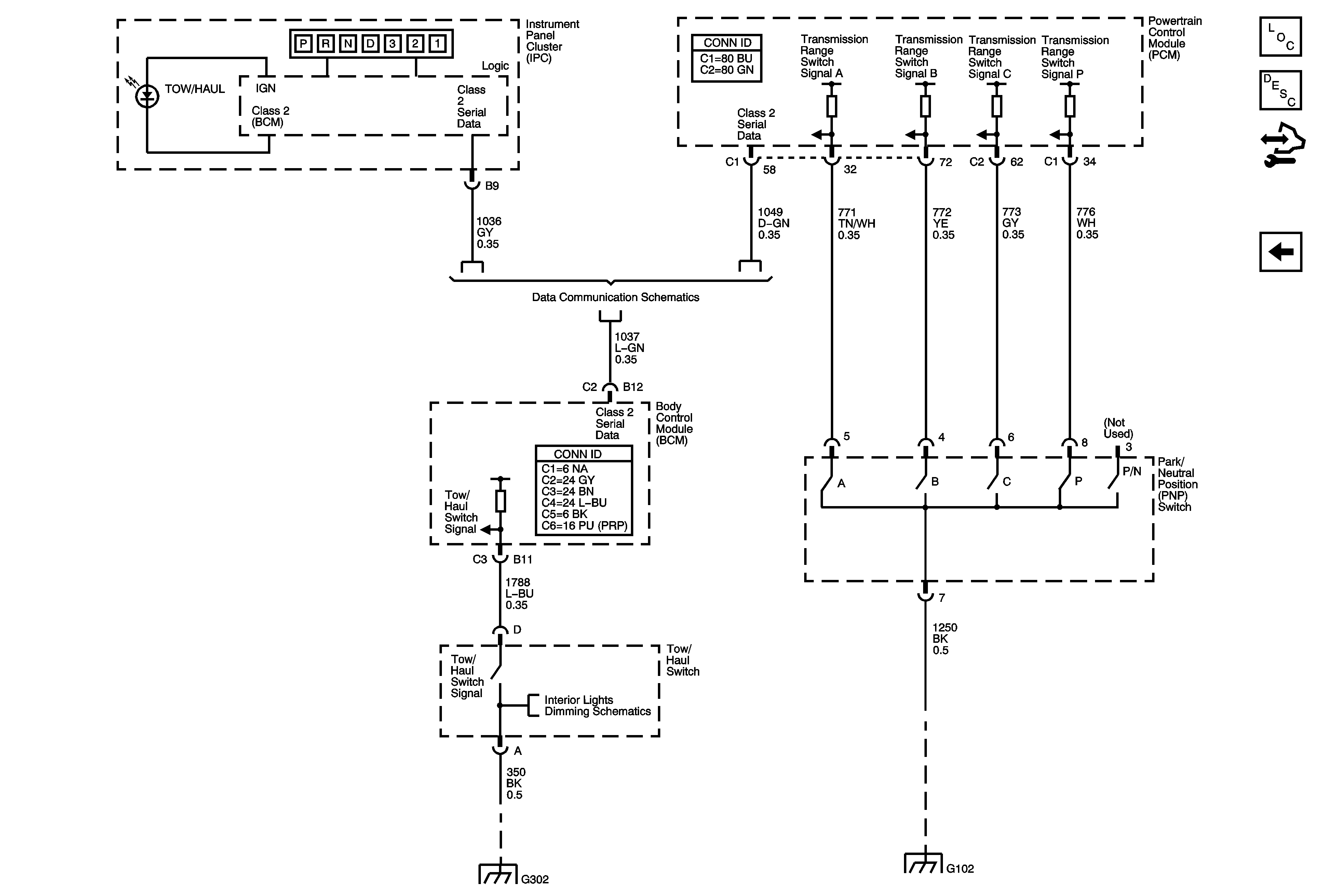
PNP Switch, Tow/Haul Switch, Serial Data and Indicator

PNP Switch, Tow/Haul Switch, Serial Data, and Indicator


Object Number: 1753687  Size: FS
Master Electrical Component List
Electronic Component Description
Control Module References
Pressure Controls, Temperature and VSS
Power, Ground, DLC and Splice Pack SP200
I/P Dimming Supply Voltage - 1 of 3 and LED Dimming Supply Voltage
G302
G102