GM Service Manual Online
For 1990-2009 cars only
Makes
🢒
Chevrolet
🢒
2007
🢒
Express
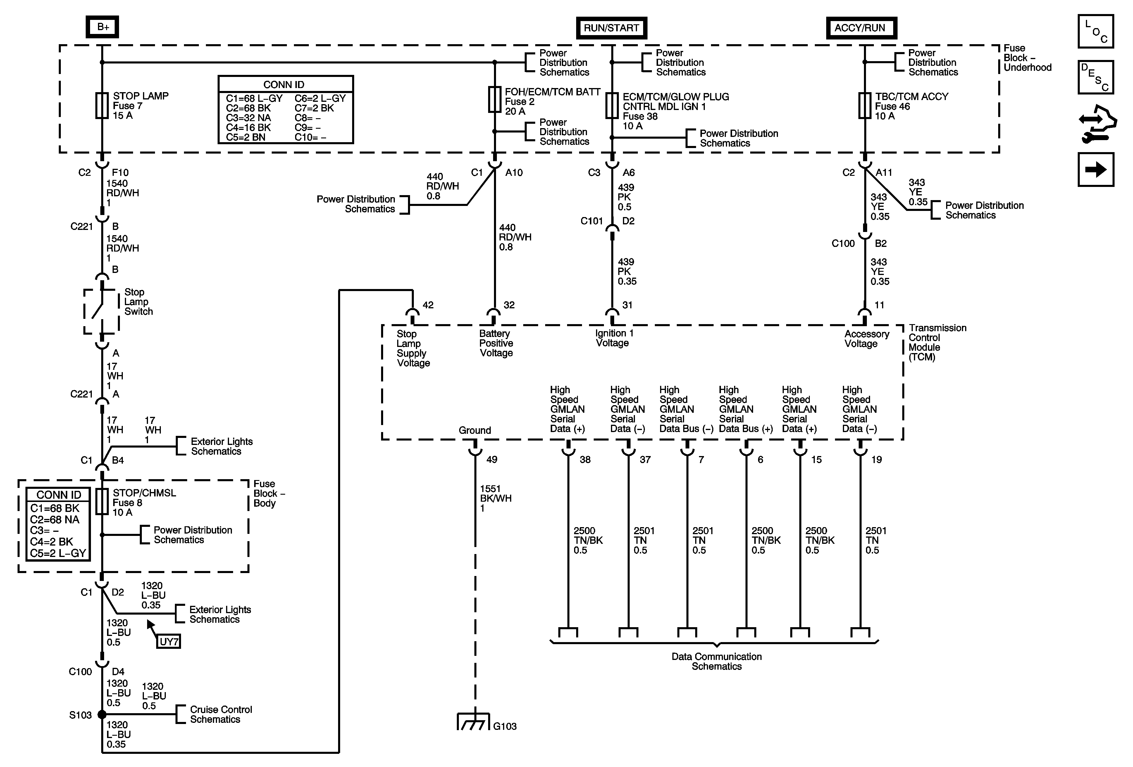
🢒 Module Power, Ground, Serial Data and Stop Lamp Switch
Module Power, Ground, Serial Data and Stop Lamp Switch
Module Power, Ground, Serial Data, and Stop Lamp Switch
Master Electrical Component List
Electronic Component Description
Control Module References
Shift Controls and PNP Switch
B+ Bus - Underhood Fuse Block - Diesel
ABS/VSES, FOH/ECM/TCM BATT, PCM BATT, and TRLR Fues
ABS/VSES, FOH/ECM/TCM BATT, PCM BATT, and TRLR Fues
Ignition Switch - ACCY/RUN, RUN/START Bus Bars and IGN B Fuse
BTSI, BTSI BCK/UP, ECM/TCM/GLOW PLUG CNTRL MDL IGN 1, FUEL HTR, O2 SNSR A, O2 SNSR B, PCM IGN 1, SPARE and TRLR BCK/UP Fuses
Ignition Switch - ACCY/RUN, RUN/START Bus Bars and IGN B Fuse
BRK, CRNK, FRT WPR, HVAC, ING 0, TBC ACCY and TBC/TCM ACCY Fuses
Stop Lamp Switch
DRV PWR TRN MIR, PASS TRN MIR and STOP/CHMSL Fuses
Stop Lamp Switch
6.6L
G103, G104, G105, G106, G107, G108, G300, G301 and G305
High Speed GMLAN and Splice Pack SP250 - Diesel