GM Service Manual Online
For 1990-2009 cars only
Makes
🢒
Chevrolet
🢒
2007
🢒
Express
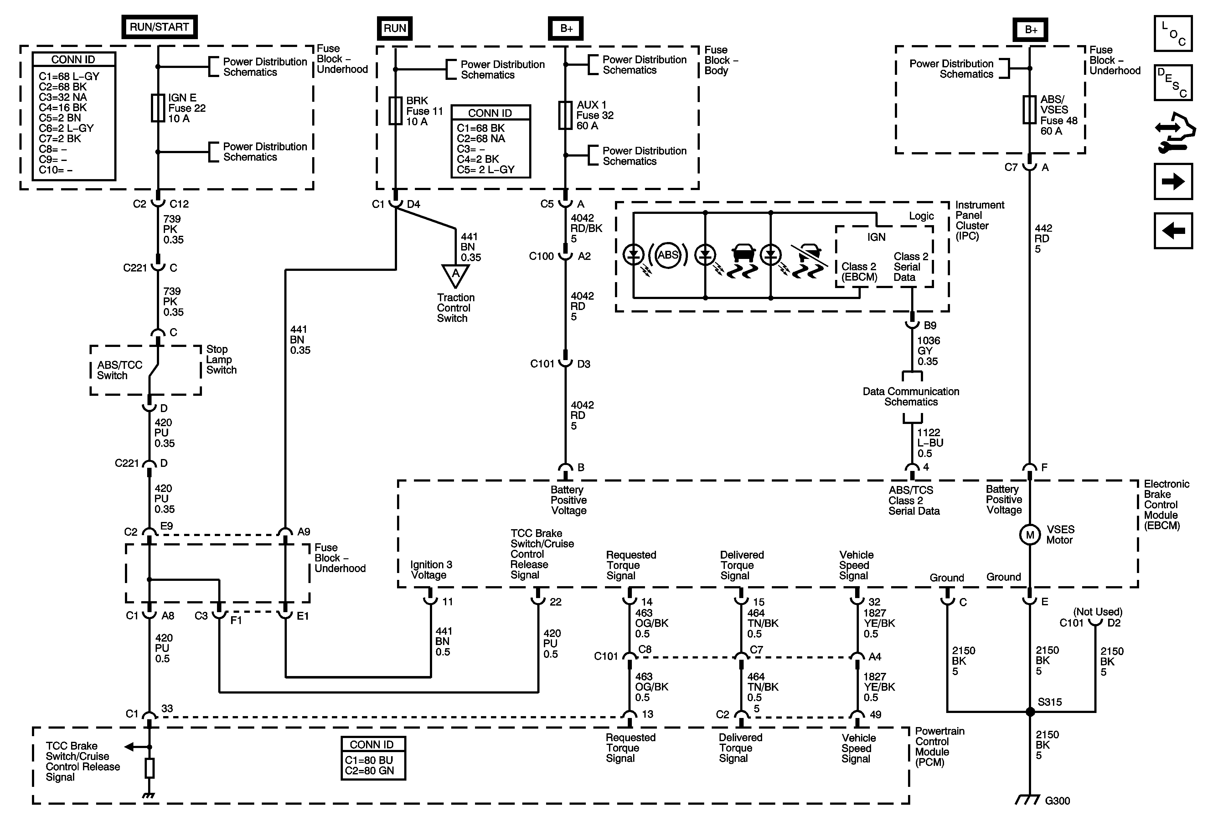
🢒 Power, Ground, Serial Data, Indicator, VSS and Stop Lamp Switch - JL4
Power, Ground, Serial Data, Indicator, VSS and Stop Lamp Switch - JL4
Power, Ground, Serial Data, Indicator, and Stop Lamp Switch (JL4)
Master Electrical Component List
ABS Description and Operation (W/JL4)
Control Module References
Wheel Speed Sensors - JL4
Wheel Speed Sensors and VSS - w/o JL4
Ignition Switch - ACCY/RUN, RUN/START Bus Bars and IGN B Fuse
AIRBAG, FAN CLTCH, IGN E, ISRVM, SPARE and TBC IGN 1 Fuses
Steering Wheel/Speed Position Inputs, Traction Control Switch and Precharge Pump - JL4
Ignition Switch - ACCY/RUN/START, RUN, START Bus Bars and IGN A Fuse
B+ Bus - Body Fuse Block
AUX 1, OSRVM, REAR BLWR and SPARE Fuses
ABS/VSES, FOH/ECM/TCM BATT, PCM BATT, and TRLR Fues
Power, Ground, DLC and Splice Pack SP200