GM Service Manual Online
For 1990-2009 cars only
Makes
🢒
Chevrolet
🢒
2007
🢒
Express
🢒 Switches
Switches
Switches
Master Electrical Component List
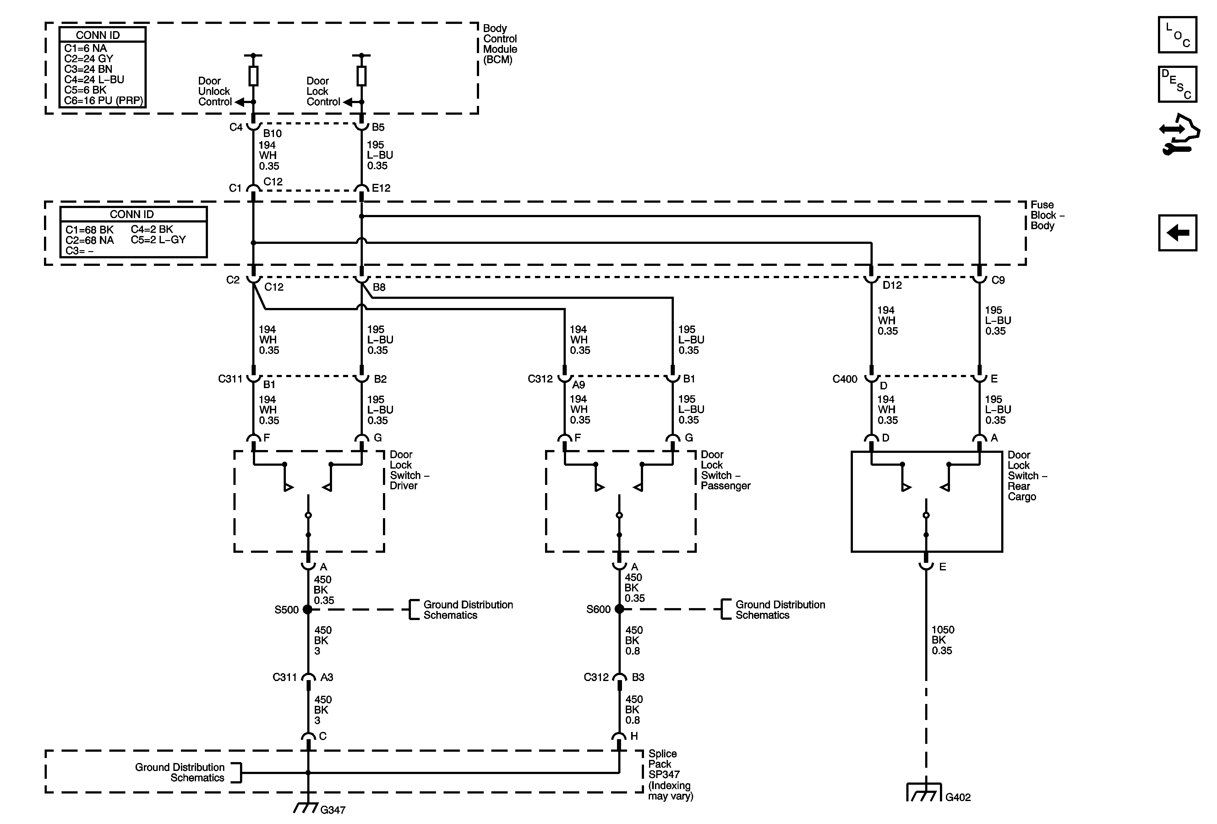
Power Door Locks Description and Operation
Control Module References
Door Latches and Actuators
G347 - 1 of 3
G347 - 1 of 3
G347 - 2 of 3
G401 - Passenger/Cargo and G403 - PRP