GM Service Manual Online
For 1990-2009 cars only
Makes
🢒
Chevrolet
🢒
2007
🢒
Express
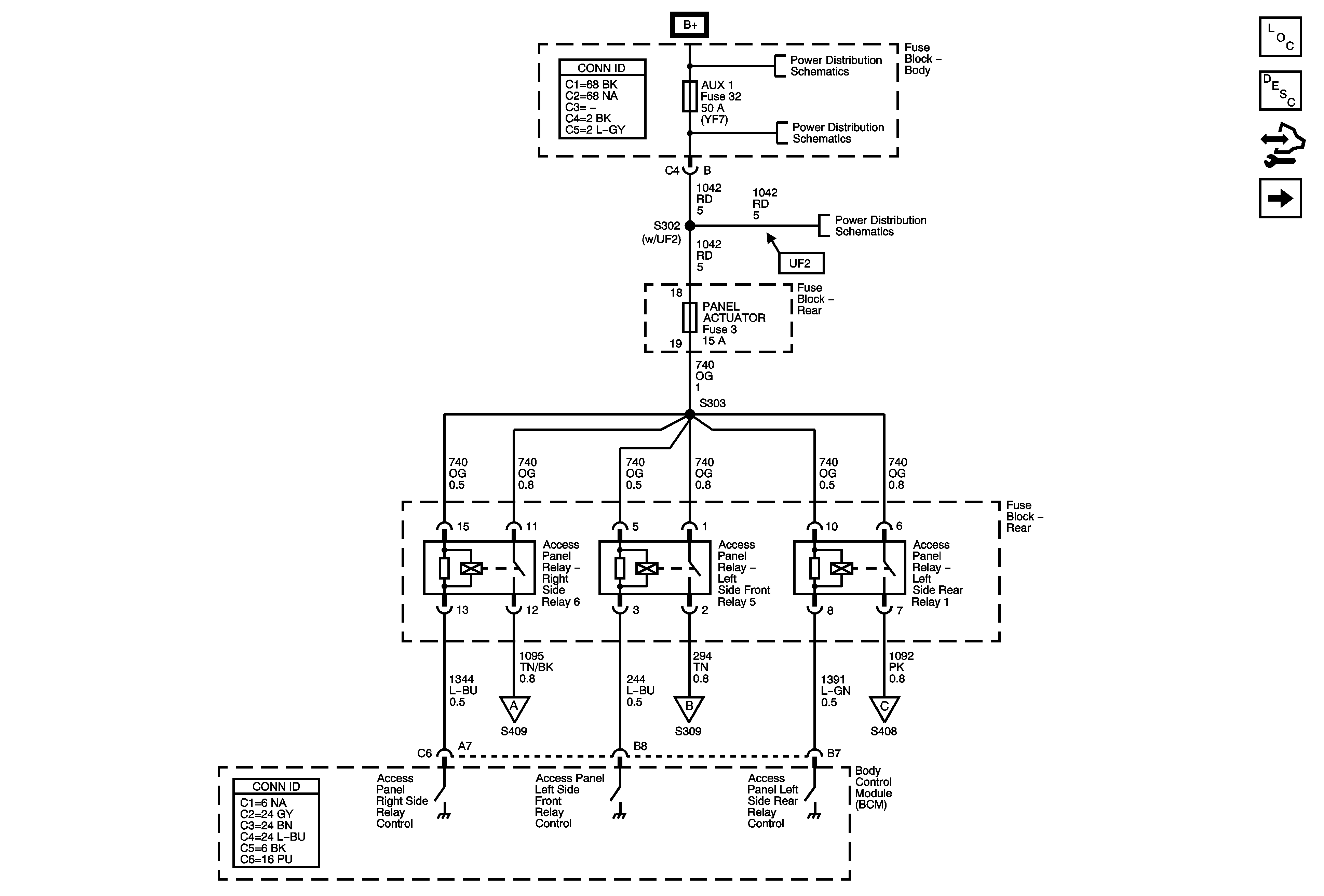
🢒 Access Panel Relay Control
Access Panel Relay Control
Access Panel Relay Control
Master Electrical Component List
Access Panel Description and Operation
Control Module References
Access Panel Actuators
B+ Bus - Body Fuse Block
AUX 1, OSRVM, REAR BLWR and SPARE Fuses
DOME FLUORESCENT WORK LAMPS and PANEL ACTUATOR Fuses
Access Panel Actuators
Access Panel Actuators
Access Panel Actuators