GM Service Manual Online
For 1990-2009 cars only
Makes
🢒
Chevrolet
🢒
2007
🢒
Express
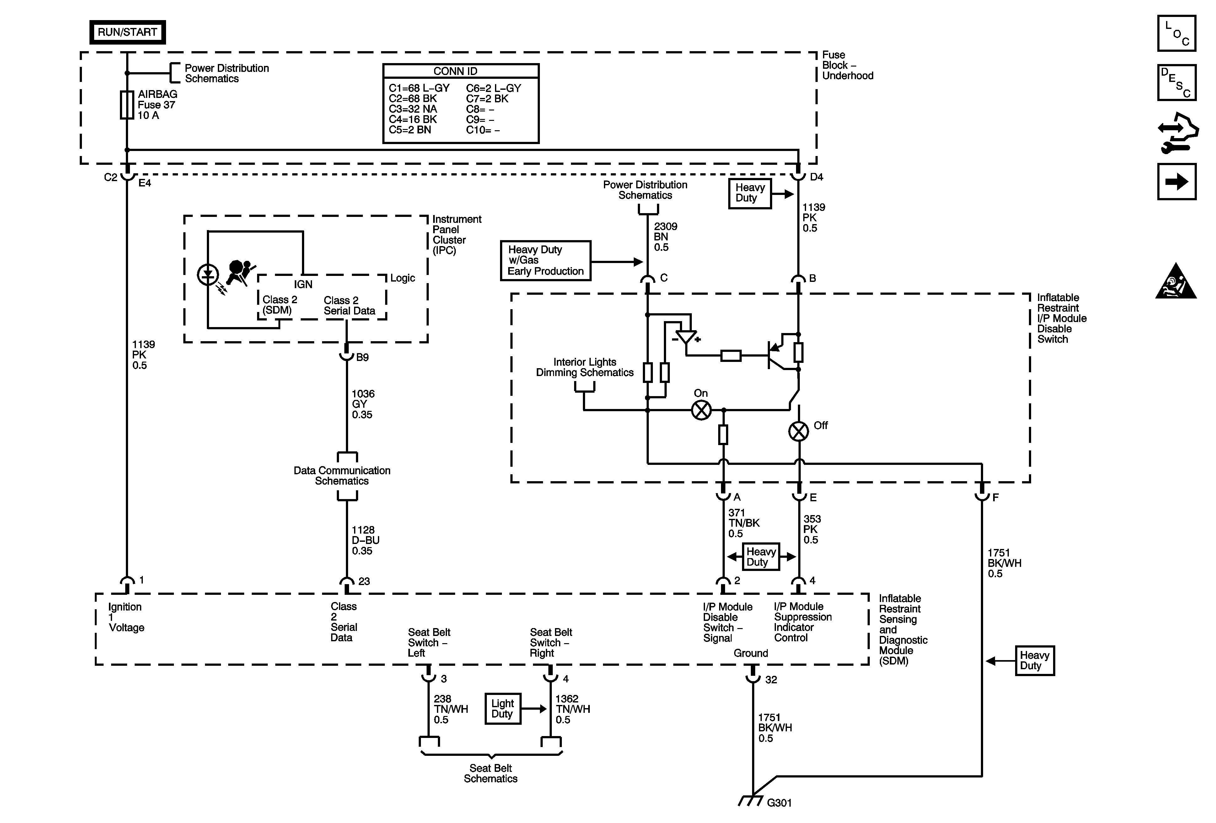
🢒 Module Power, Ground, Serial Data, Indicator and Disable Switch
Module Power, Ground, Serial Data, Indicator and Disable Switch
Module Power, Ground, Serial Data, Indicator and Disable Switch
Master Electrical Component List
SIR System Description and Operation
Control Module References
Air Bag Modules, Pretensioners and Position Sensors
SIR Caution for Zoning
Ignition Switch - ACCY/RUN, RUN/START Bus Bars and IGN B Fuse
FRT PRK, LT REAR PRK, RT REAR PRK, TRLR PRK, UPFTR PRK LAMPS Fuses and PWR WNDW Circuit Breaker
I/P Dimming Supply Voltage - 1 of 3 and LED Dimming Supply Voltage
Power, Ground, DLC and Splice Pack SP200
Seat Belt Schematics