GM Service Manual Online
For 1990-2009 cars only
Makes
🢒
Chevrolet
🢒
2006
🢒
HHR
🢒
Body
🢒
Wiring Systems
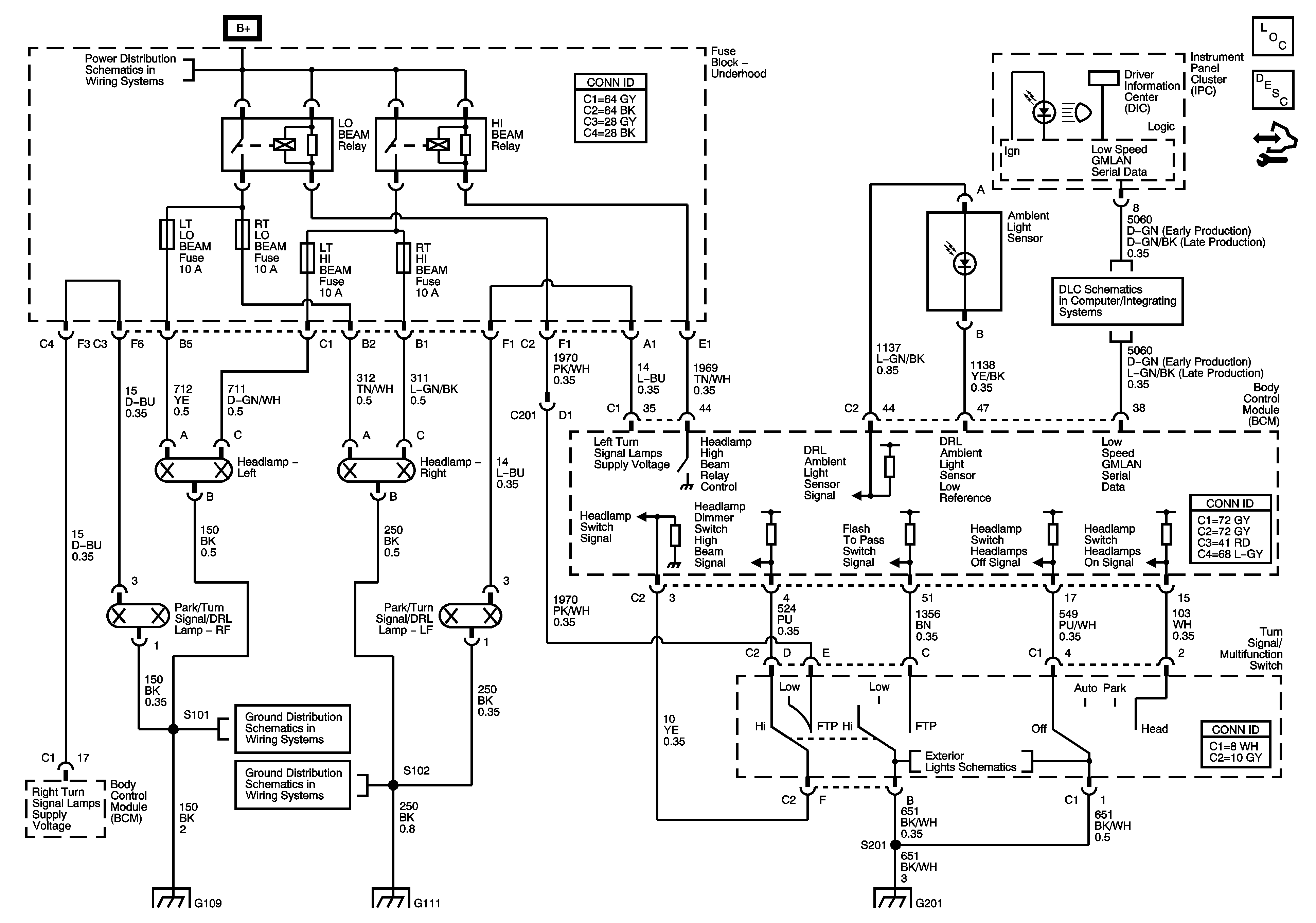
🢒 Headlights/Daytime Running Lights (DRL) Schematics
Master Electrical Component List
Exterior Lighting Systems Description and Operation
Control Module References
Underhood Fuse Block - B+ Bus
G109
G111
DLC Power Ground, and Low Speed GMLAN
DLC Power Ground, and Low Speed GMLAN
G201 and G203
G109
G111
Inputs