GM Service Manual Online
For 1990-2009 cars only
Makes
🢒
Chevrolet
🢒
2007
🢒
HHR
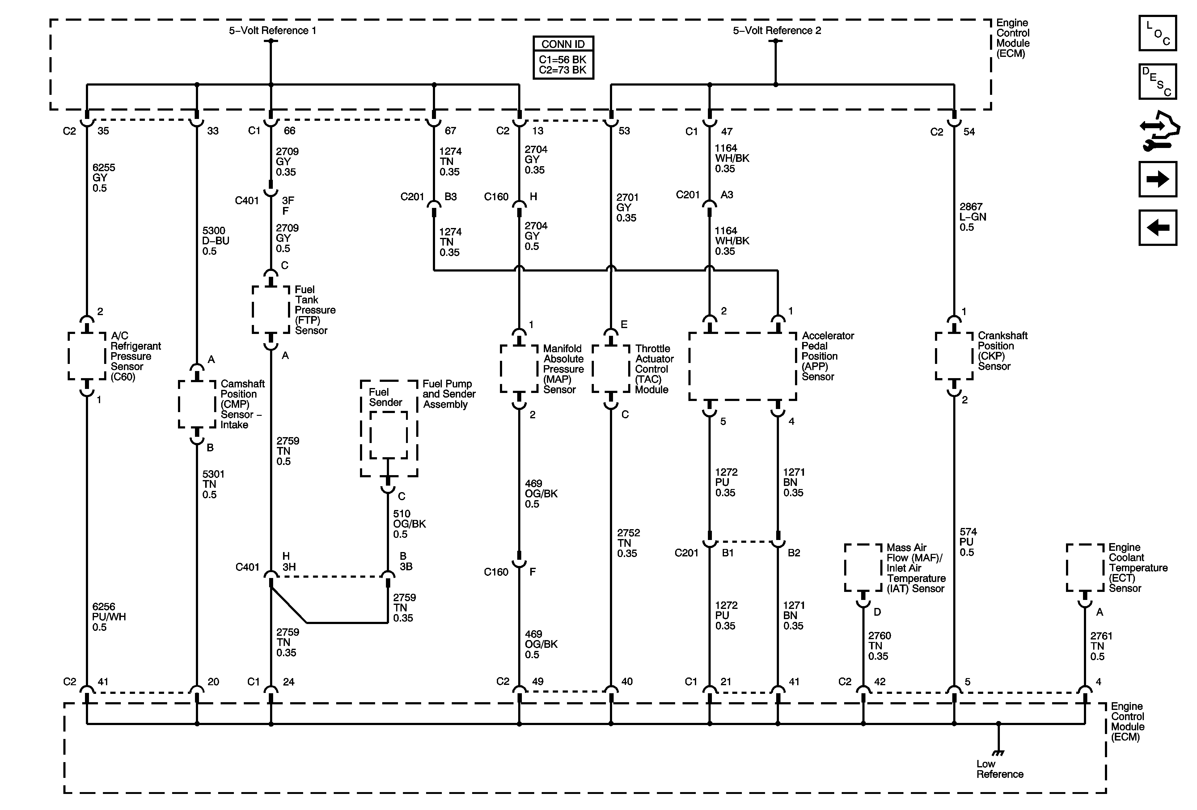
🢒 Engine Data Sensors 5-Volt and Low References
Engine Data Sensors 5-Volt and Low References
Engine Data Sensors - 5-Volt and Low References
Master Electrical Component List
Electronic Ignition (EI) System Description
Control Module References
Engine Data Sensors Pressure, Temp and MAF/IAT
Power, Ground, MIL and DLC