GM Service Manual Online
For 1990-2009 cars only
Makes
🢒
Chevrolet
🢒
2007
🢒
HHR
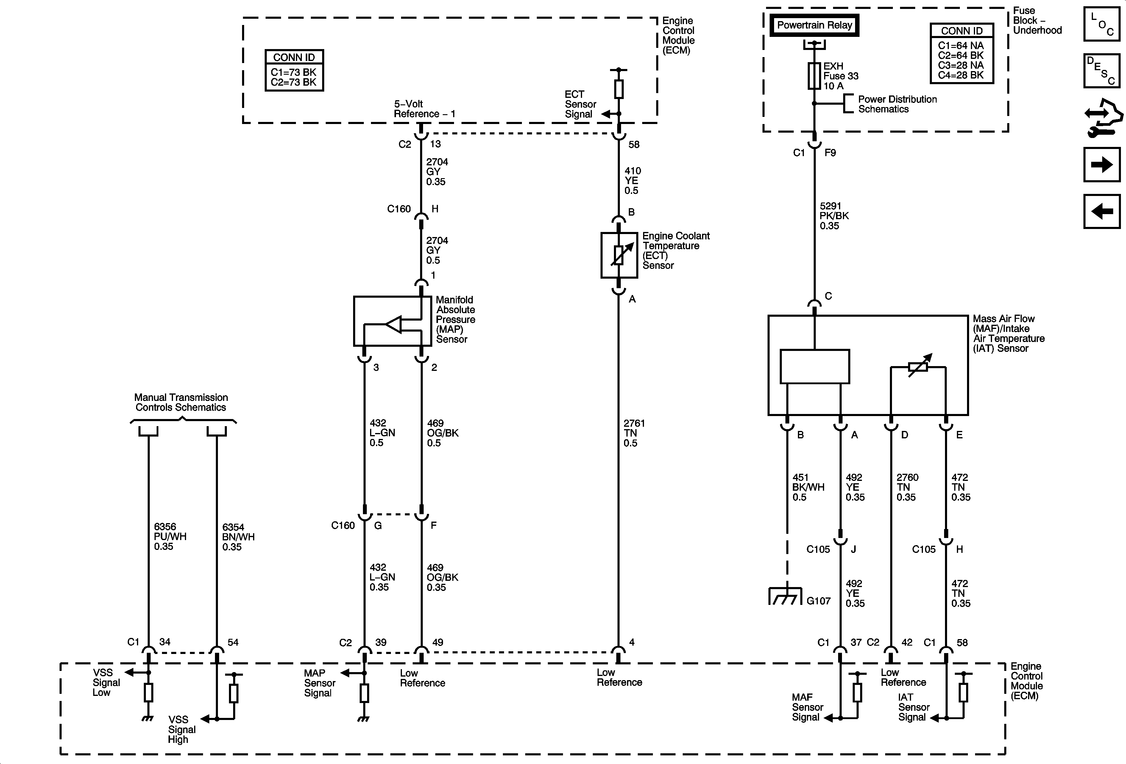
🢒 Engine Data Sensors Pressure, Temp and MAF/IAT
Engine Data Sensors Pressure, Temp and MAF/IAT
Engine Data Sensors - Pressure, Temperature, and MAF/IAT
Master Electrical Component List
Engine Control Module Description
Control Module References
Engine Data Sensors, HO2S
Engine Data Sensors 5-Volt and Low References
Power, Ground, MIL and DLC
Underhood Fuse Block - L/GATE RELEASE, PWR/TRN Relays, L/GATE/S ROOF, EXH, INJ IGN MOD, and ECM Fuses
Getrag 5-Speed
G103, G105, G107, G108