GM Service Manual Online
For 1990-2009 cars only

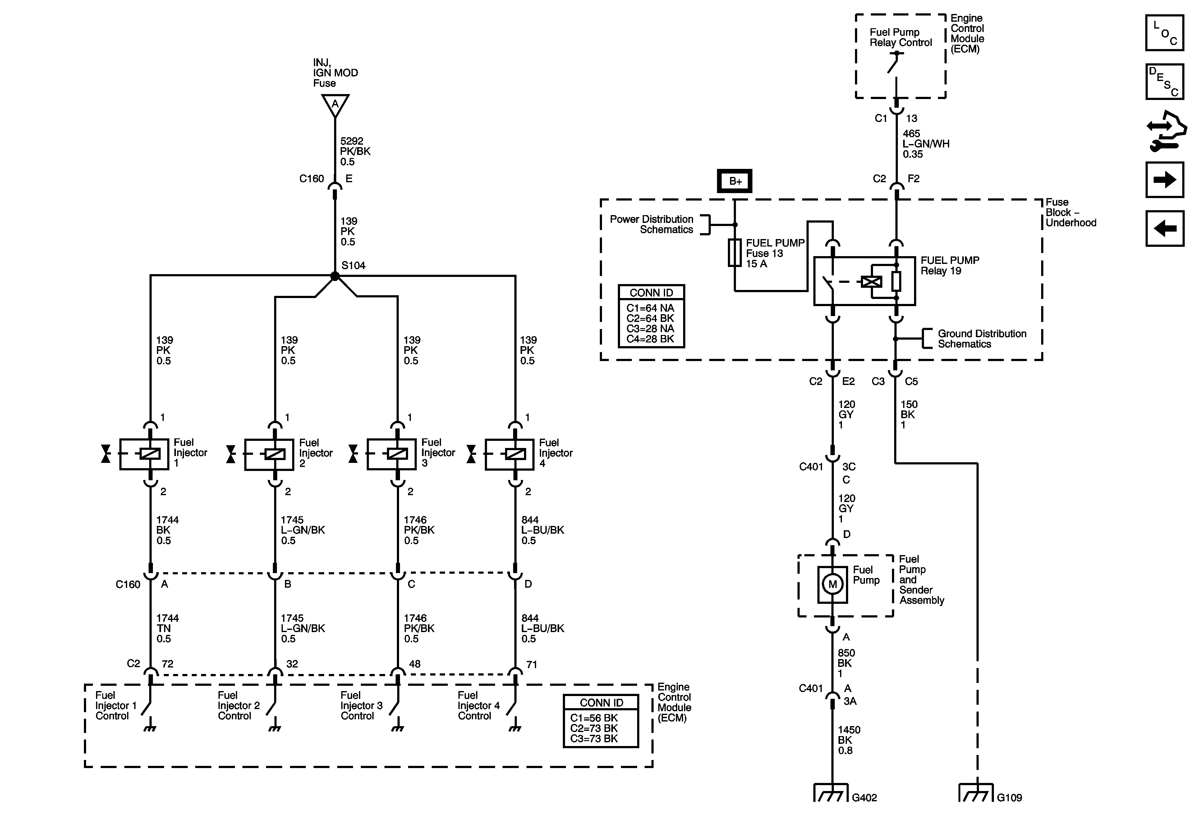
Fuel Controls

Fuel Controls


Object Number: 1769280  Size: FS
Master Electrical Component List
Fuel System Description
Control Module References
EVAP Controls
Ignition Controls - Sensors
Ignition Controls - Ignition System
Underhood Fuse Block - B+ Bus
G109
G402
G109