GM Service Manual Online
For 1990-2009 cars only
Makes
🢒
Chevrolet
🢒
2007
🢒
HHR
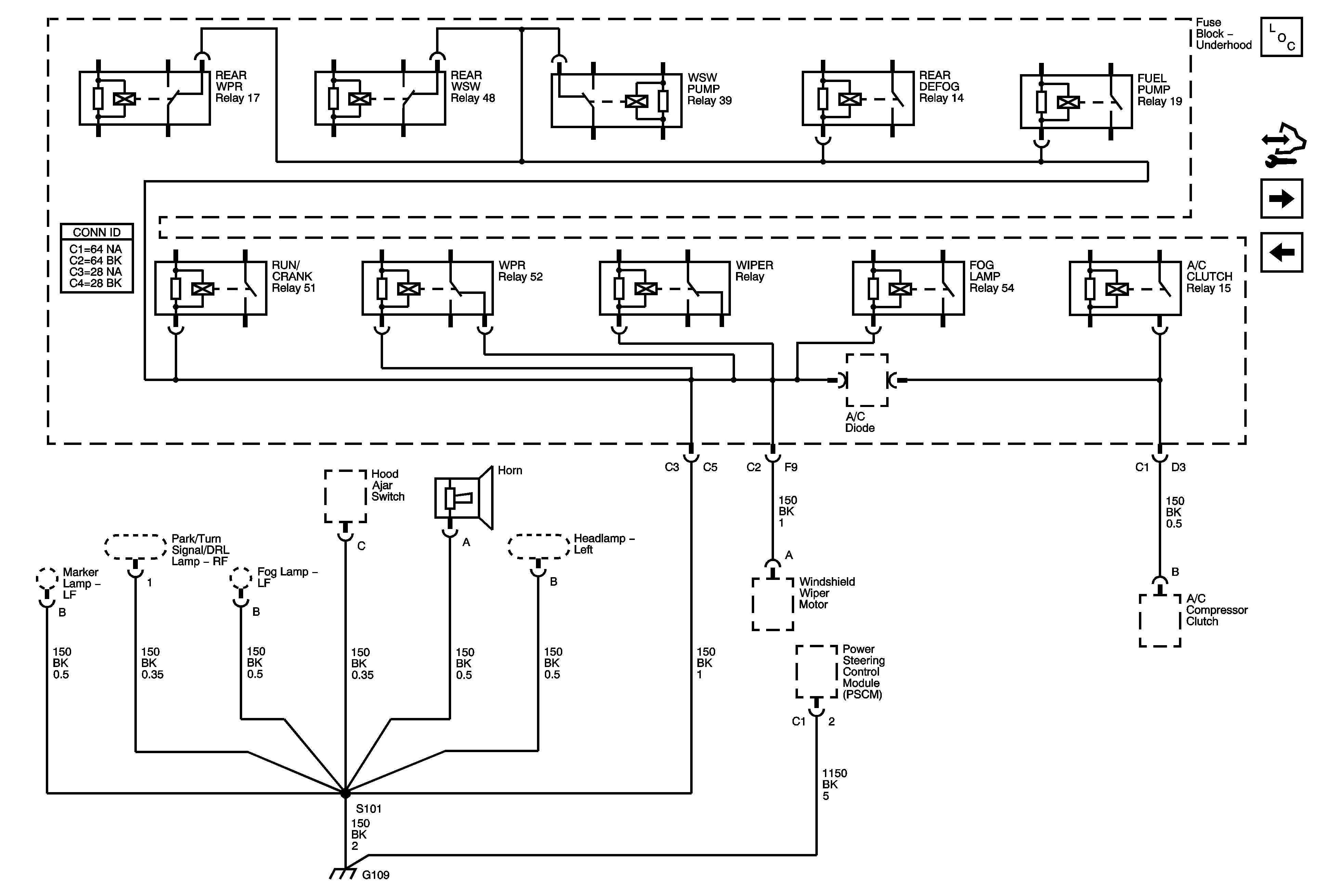
🢒 G109
G109
G109
Master Electrical Component List
Control Module References
G111
G103, G105, G107, G108