GM Service Manual Online
For 1990-2009 cars only
Makes
🢒
Chevrolet
🢒
2007
🢒
HHR
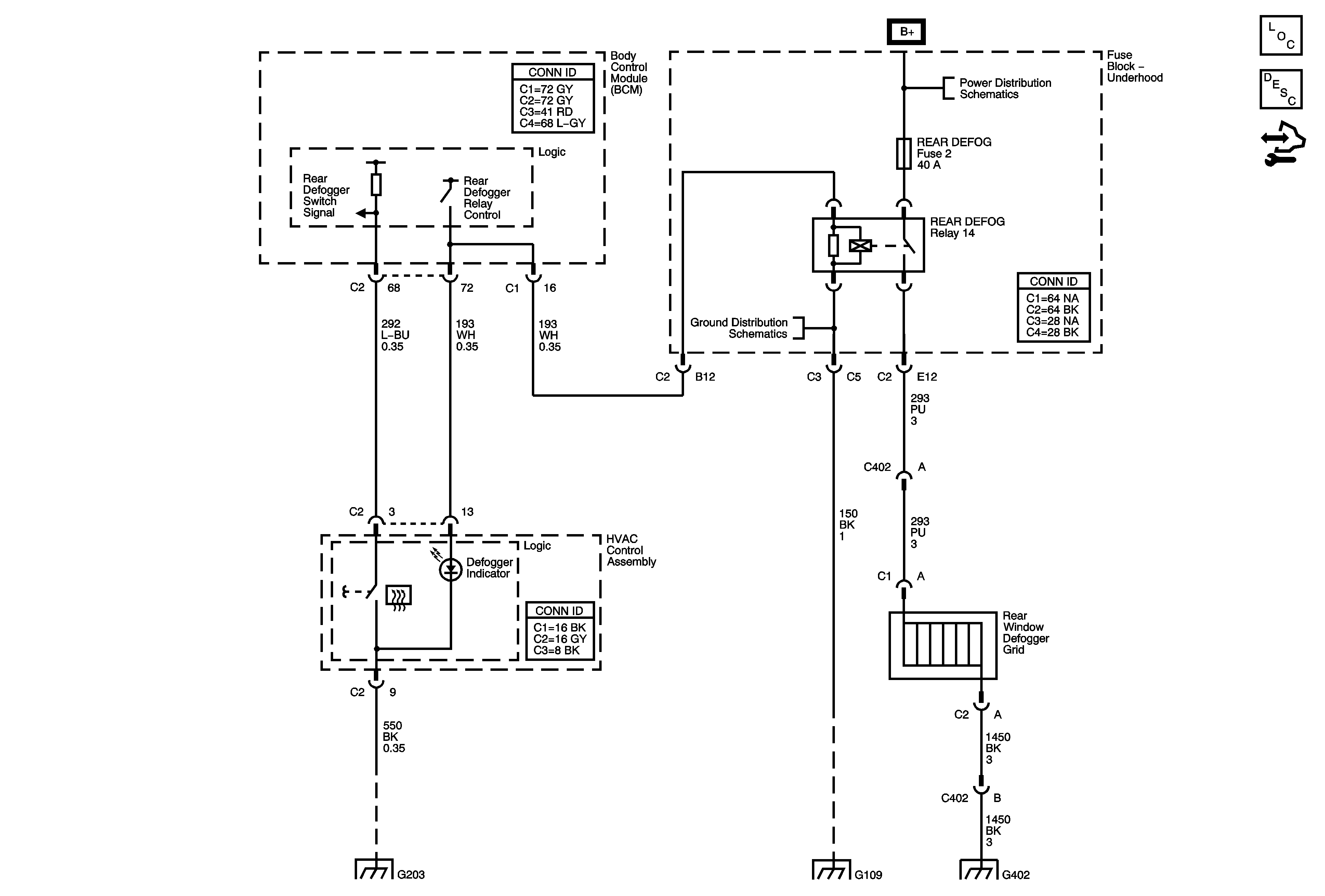
🢒 Rear Defogger
Rear Defogger
Rear Defogger Schematics
Master Electrical Component List
Rear Window Defogger Description and Operation
Control Module References
G109
Underhood Fuse Block - B+ Bus
G201, G203
G109
G402