GM Service Manual Online
For 1990-2009 cars only
Makes
🢒
Chevrolet
🢒
2007
🢒
HHR
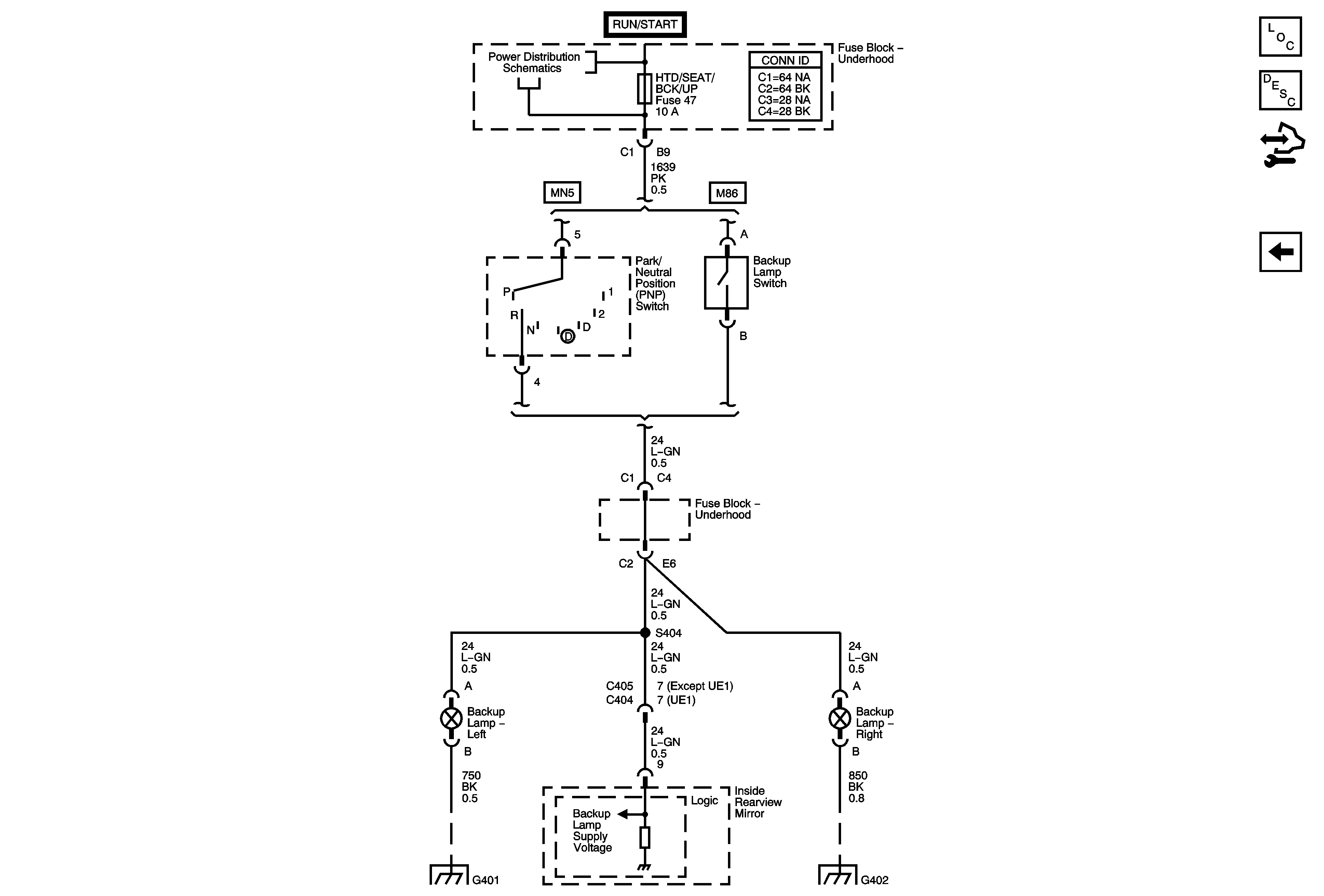
🢒 Backup Lamps
Backup Lamps
Backup Lamps
Master Electrical Component List
Exterior Lighting Systems Description and Operation
Control Module References
Center High Mounted Stop Lamp, B+
Underhood Fuse Block - LOW BEAM, HIGH BEAM, DRL Relays, HTD SEAT, DRL, RT LO BEAM, LT LO BEAM, LT HI BEAM, RT HI BEAM Fuses
G401, G403
G402