GM Service Manual Online
For 1990-2009 cars only
Makes
🢒
Chevrolet
🢒
2007
🢒
HHR
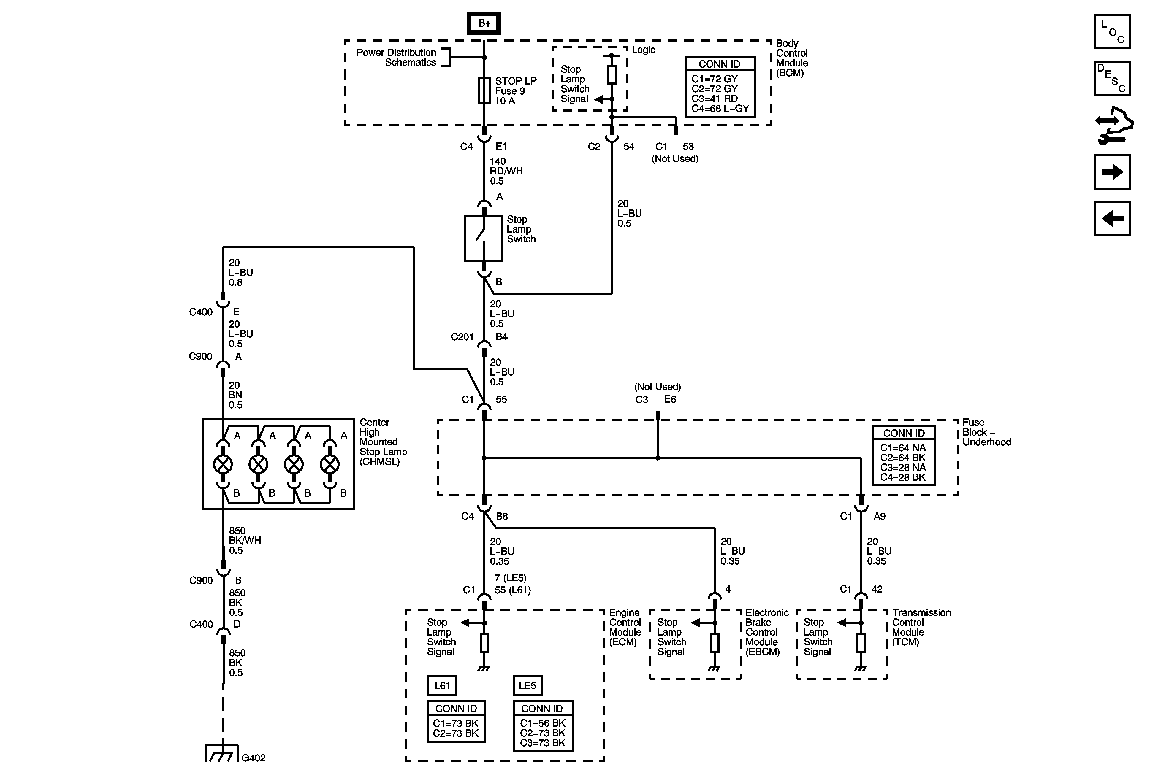
🢒 Center High Mounted Stop Lamp, B+
Center High Mounted Stop Lamp, B+
Center High Mounted Stop Lamp and B+
Master Electrical Component List
Exterior Lighting Systems Description and Operation
Control Module References
Backup Lamps
Park/Turn Signal/DRL, License and Side Marker Lamps
Body Control Module - BCM2, HVAC/PK3, CLUSTER, IGN SW, STOP LPS, and AMP Fuses
G402