GM Service Manual Online
For 1990-2009 cars only
Makes
🢒
Chevrolet
🢒
2007
🢒
HHR
🢒 Interior Lights
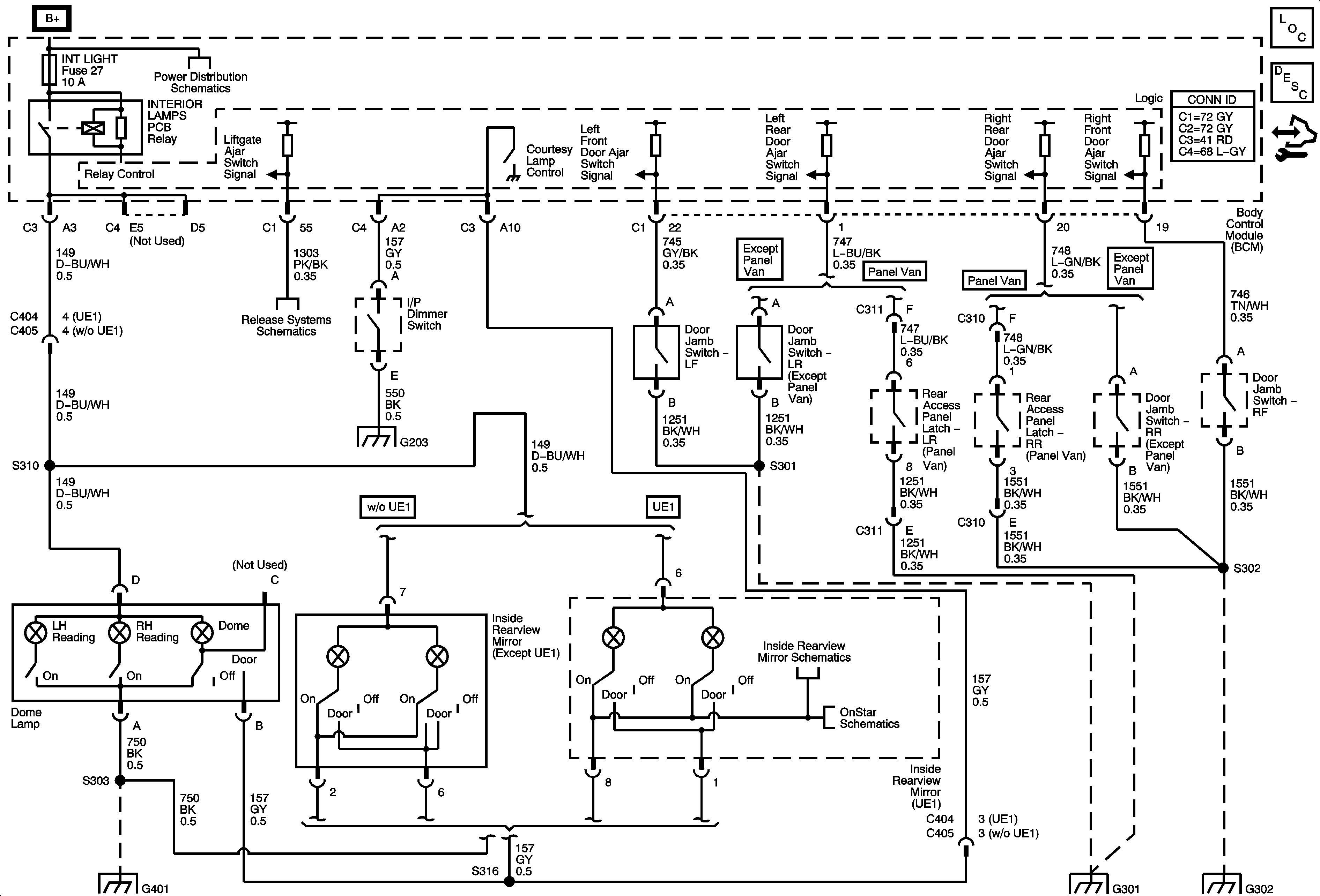
Interior Lights
Master Electrical Component List
Interior Lighting Systems Description and Operation
Control Module References
Underhood Fuse Block - B+ Bus
Liftgate (Except Panel Van)
G201, G203
Inside Rearview Mirror
OnStar
G401, G403
G301, G306
G302