GM Service Manual Online
For 1990-2009 cars only
Makes
🢒
Chevrolet
🢒
2007
🢒
HHR
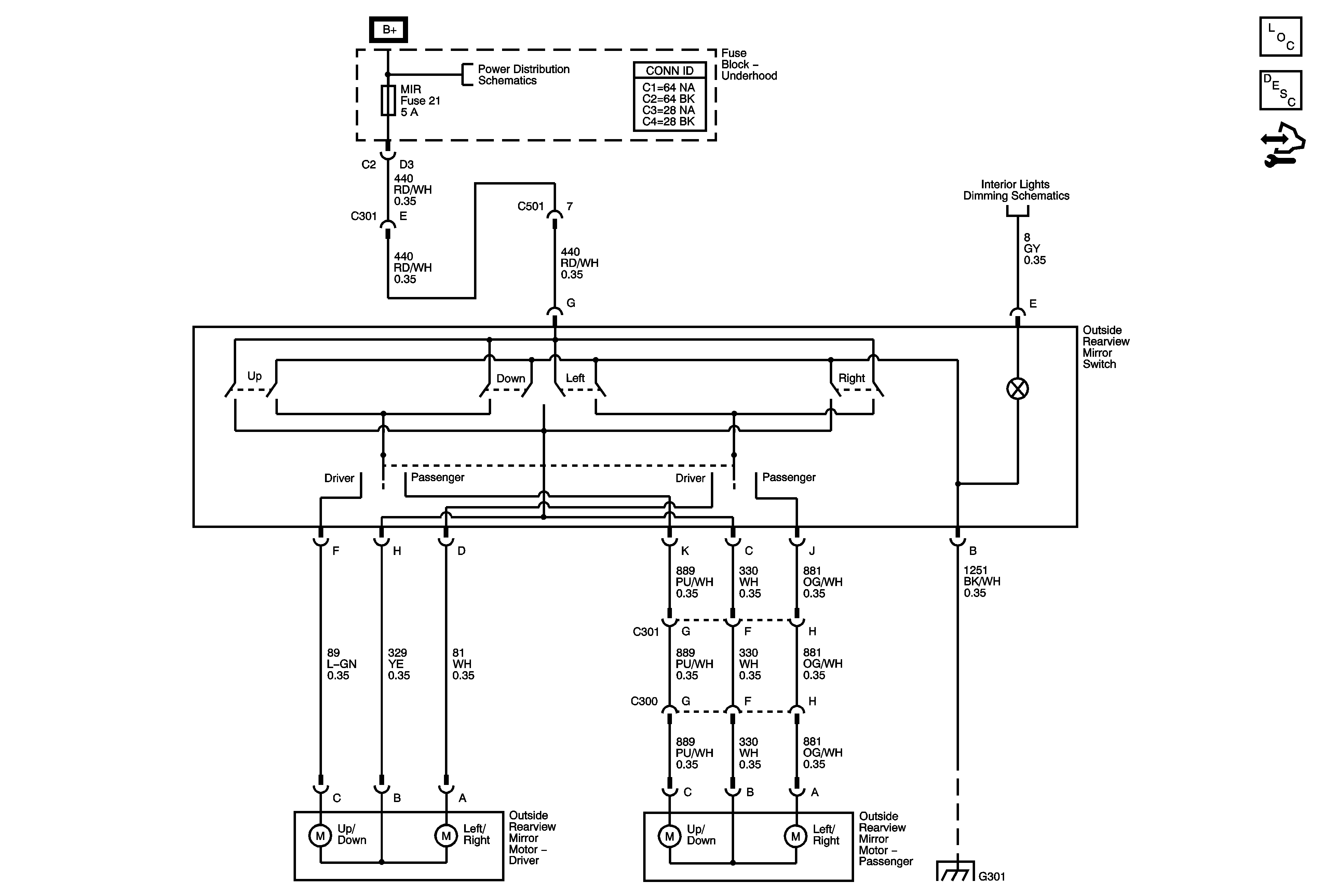
🢒 Outside Rearview Mirror Schematics
Outside Rearview Mirror Schematics
Master Electrical Component List
Outside Mirror Description and Operation
Control Module References
Underhood Fuse Block - ABS (20A), CNSTR VENT, PWR OUTLET, REAR POWER PLUG, REAR AUX PWR OUTLET and MIR Fuses, PWR SEATS Circuit Breaker
HVAC Control Module, Console Flood Lamp, A/T Shift Lock Control Solenoid, Door Lock Switches, and Outside Rearview Mirror
G301, G306