GM Service Manual Online
For 1990-2009 cars only
Makes
🢒
Chevrolet
🢒
2009
🢒
HHR
🢒
Diagnostic Navigation
🢒
Vehicle Diagnostic Information
🢒 Radio/Navigation System Schematics
Figure
1:
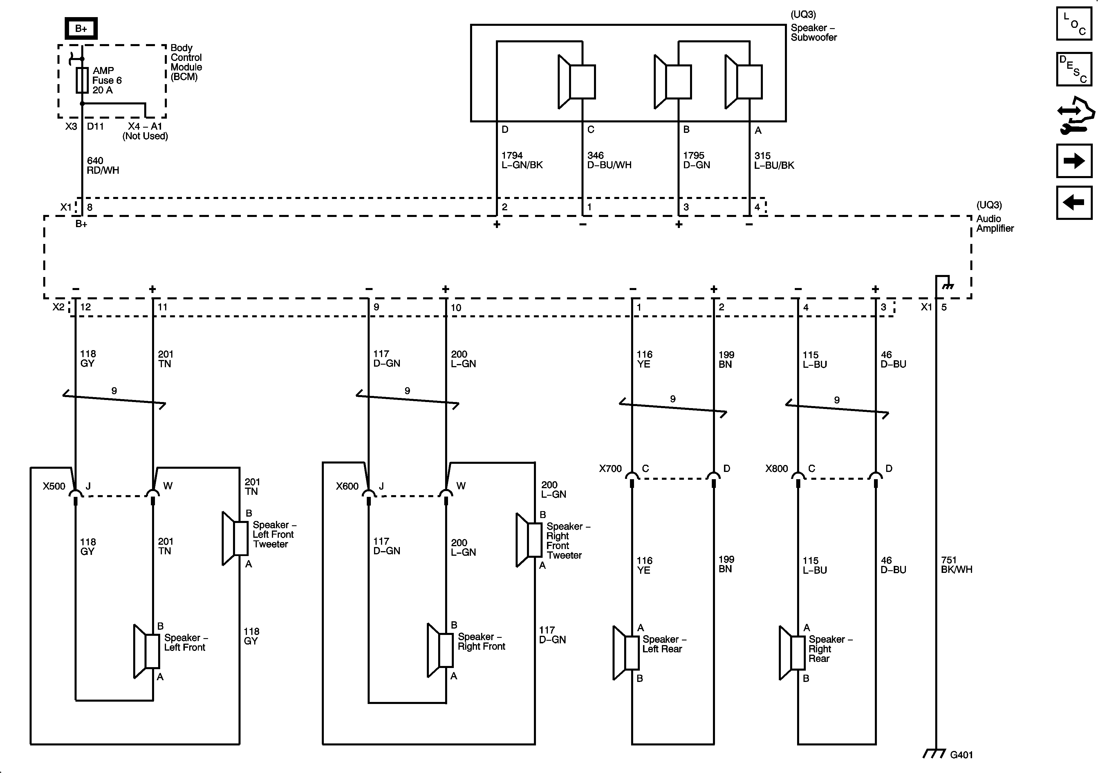
Radio w/UW5
Master Electrical Component List
Radio/Audio System Description and Operation
Control Module References
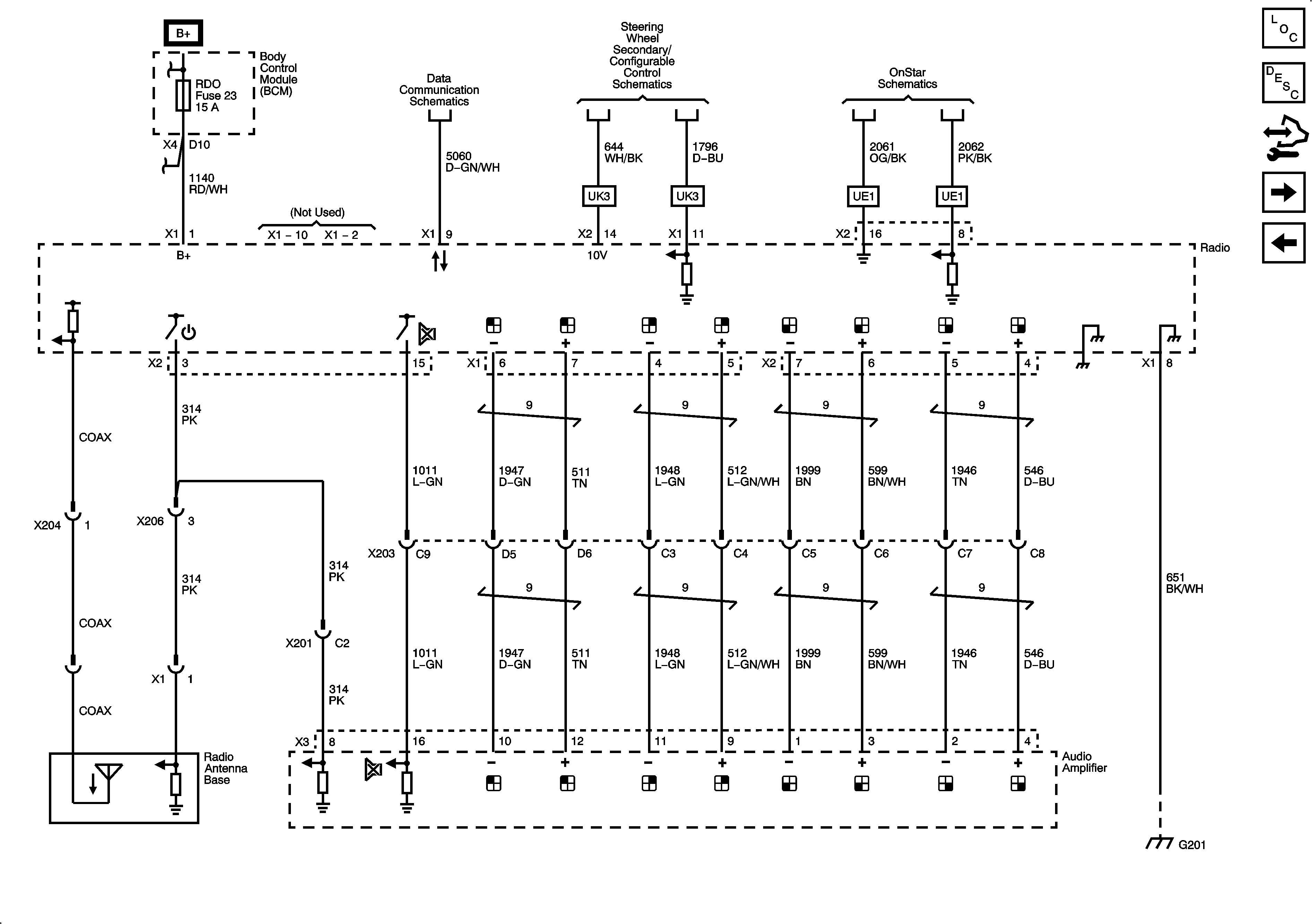
Radio w/UQ3 - 1 of 2
Figure
2:
Radio w/UQ3 - 1 of 2
Master Electrical Component List
Radio/Audio System Description and Operation
Control Module References
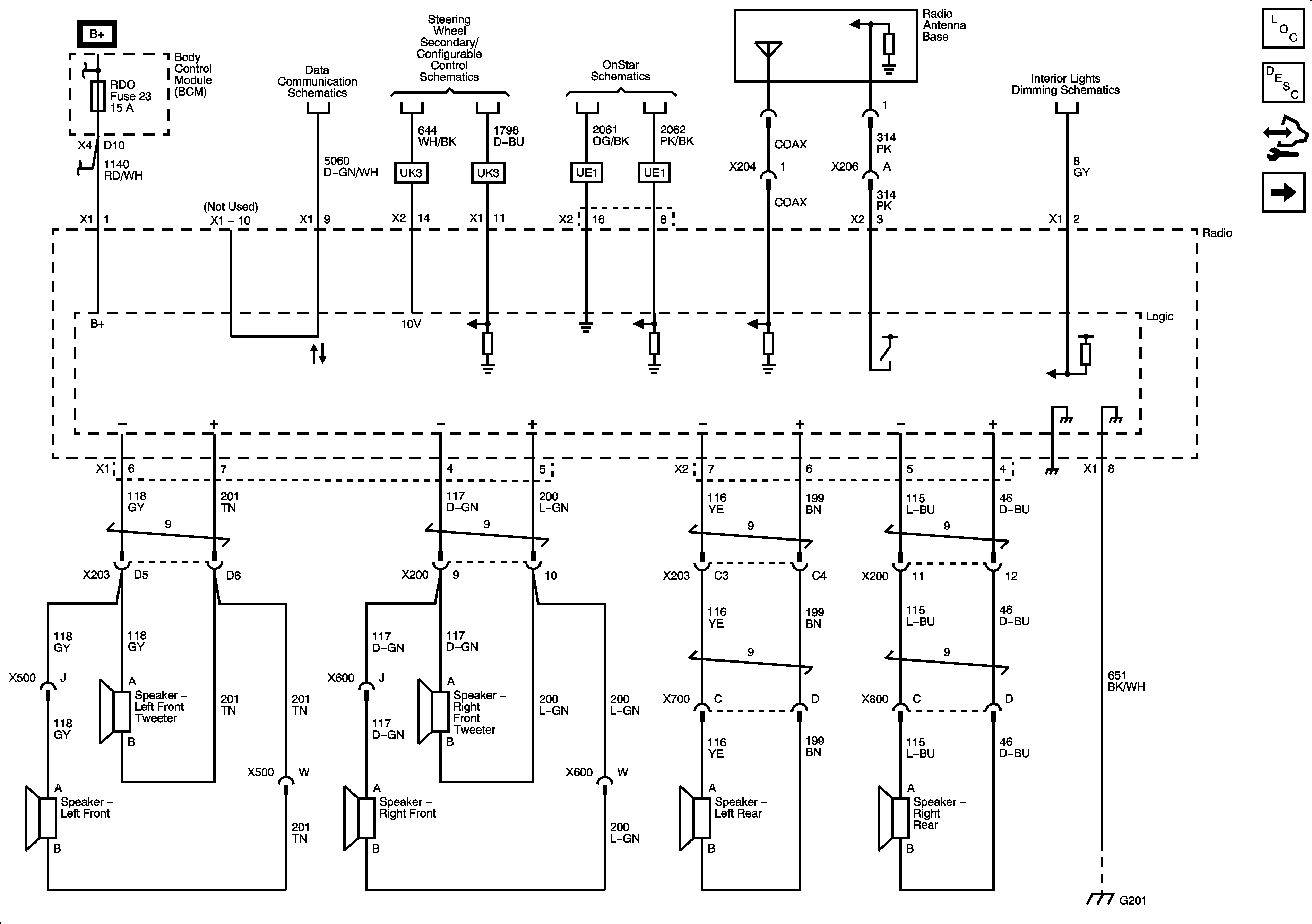
Radio w/UW5
Radio w/UQ3 - 2 of 2
Figure
3:
Radio w/UQ3 - 2 of 2
Master Electrical Component List
Radio/Audio System Description and Operation
Control Module References
Radio w/UQ3 - 1 of 2
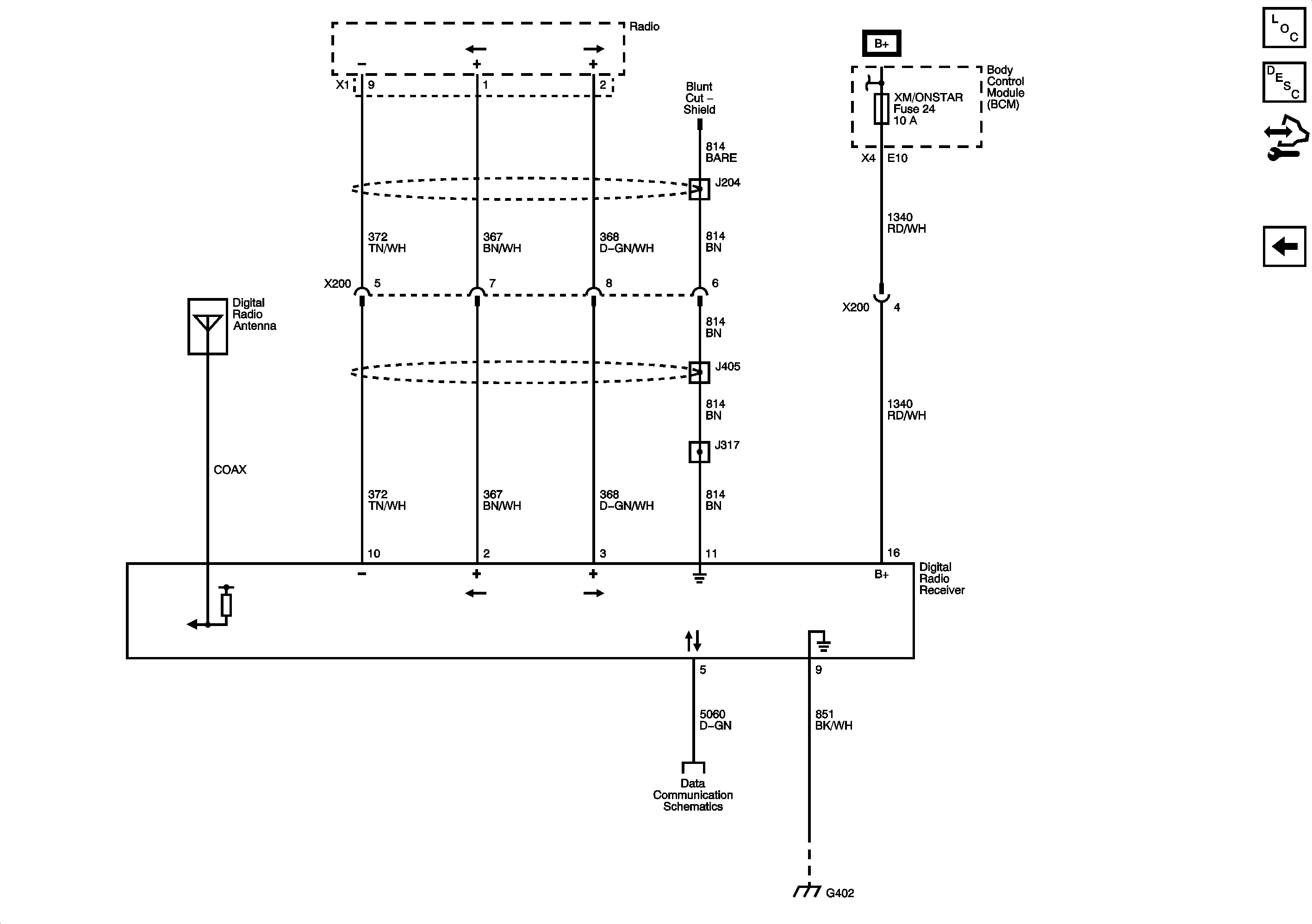
Digital Radio Receiver (U2K)
Figure
4:
Digital Radio Receiver (U2K)
Master Electrical Component List
Radio/Audio System Description and Operation
Control Module References
Radio w/UQ3 - 2 of 2