GM Service Manual Online
For 1990-2009 cars only
Makes
🢒
Chevrolet
🢒
2009
🢒
HHR
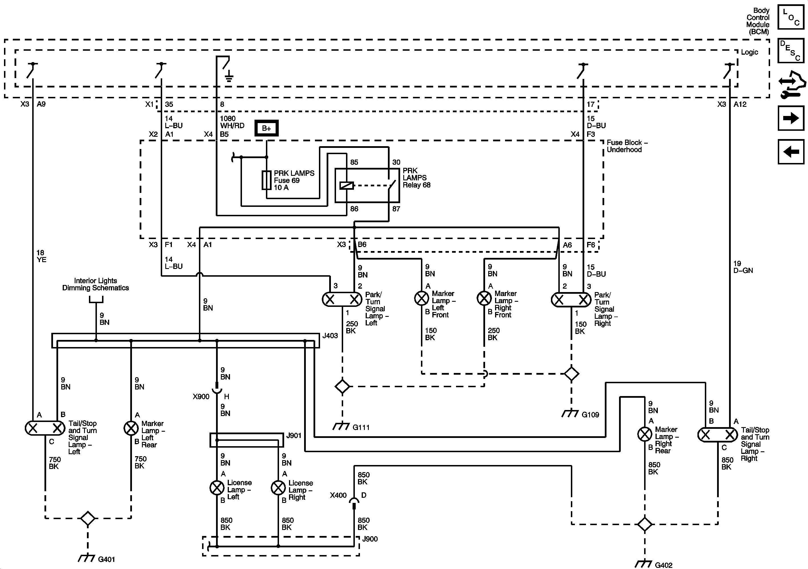
🢒 Park/Turn Signal/DRL, License and Side Marker Lamps
Park/Turn Signal/DRL, License and Side Marker Lamps
Park/Turn Signal/DRL, License and Side Marker Lamps
Master Electrical Component List
Exterior Lighting Systems Description and Operation
Control Module References
Center High Mounted Stop Lamp, B+
Inputs