GM Service Manual Online
For 1990-2009 cars only
Figure 1:

Power, Grounds and Temperature Actuator-- RPO C60


Object Number: 483608  Size: FS
HVAC Components
HVAC Air Delivery/Temperature Control Circuit Description
Vacuum Controls - RPO C60
HVAC Compressor Controls Schematics
Handling ESD Sensitive Parts Notice
Ignition and Start Switch and A/C CRUISE, A/C FAN, CRUISE, PCM (Crank)and PCM/BCM/CLSTR Fuses
G201 (1 of 2)
G202
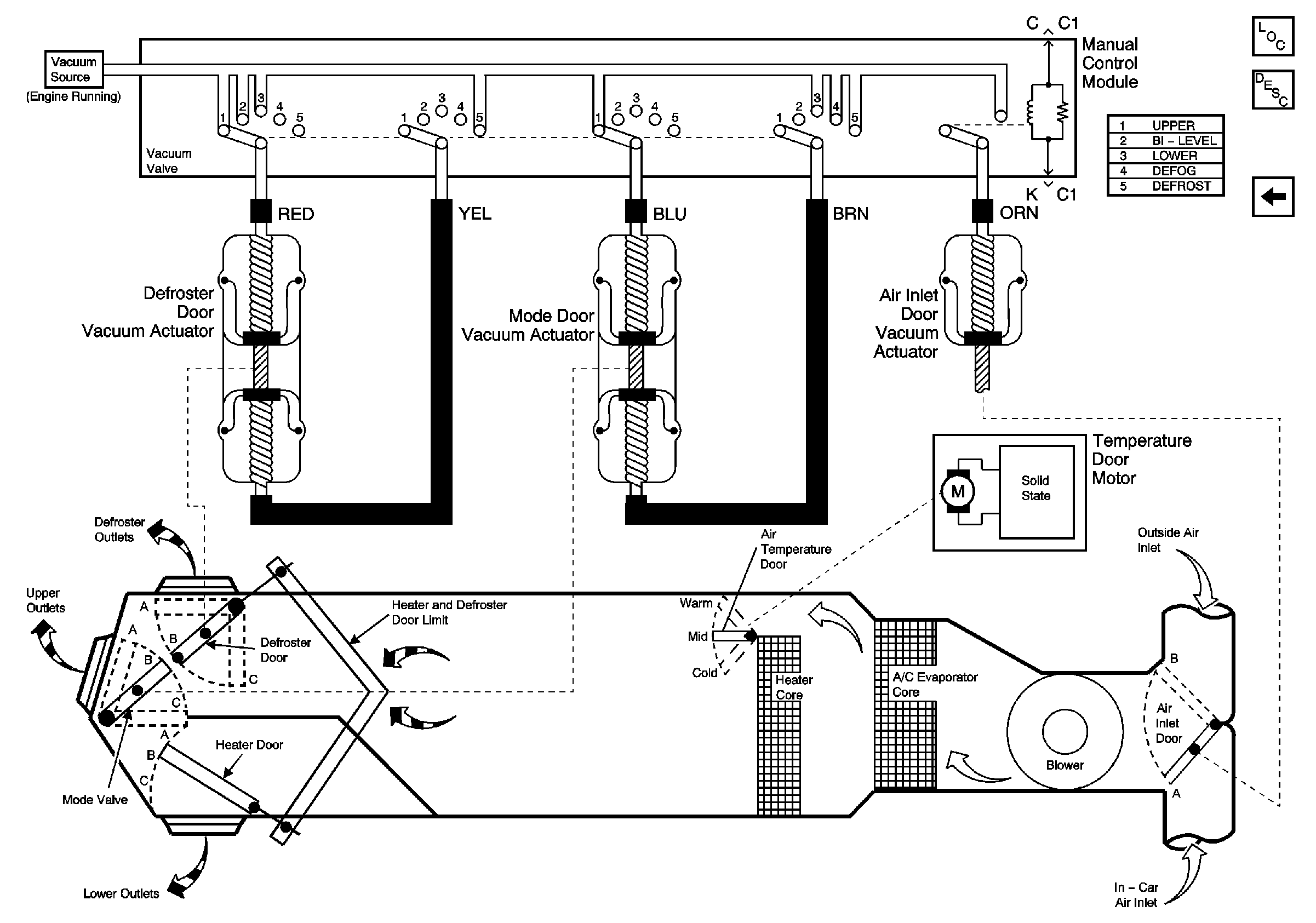
Figure 2:

Vacuum Controls -- RPO C60


Object Number: 483610  Size: FS
HVAC Components
HVAC Air Delivery/Temperature Control Circuit Description
Power and Grounds - RPO CJ3
Power and Grounds - RPO C60
Handling ESD Sensitive Parts Notice
Figure 3:

Power, Grounds and Temperature Actuators-- RPO CJ3


Object Number: 483611  Size: FS
HVAC Components
HVAC Air Delivery/Temperature Control Circuit Description
Vacuum Controls - RPO CJ3
Vacuum Controls - RPO C60
Handling ESD Sensitive Parts Notice
Ignition and Start Switch and A/C CRUISE, A/C FAN, CRUISE, PCM (Crank)and PCM/BCM/CLSTR Fuses
G201 (1 of 2)
G202
Figure 4:

Vacuum Controls -- RPO CJ3


Object Number: 483612  Size: FS
HVAC Components
HVAC Air Delivery/Temperature Control Circuit Description
Power and Grounds - RPO CJ3
Handling ESD Sensitive Parts Notice