GM Service Manual Online
For 1990-2009 cars only
Makes
🢒
Chevrolet
🢒
2000
🢒
Impala
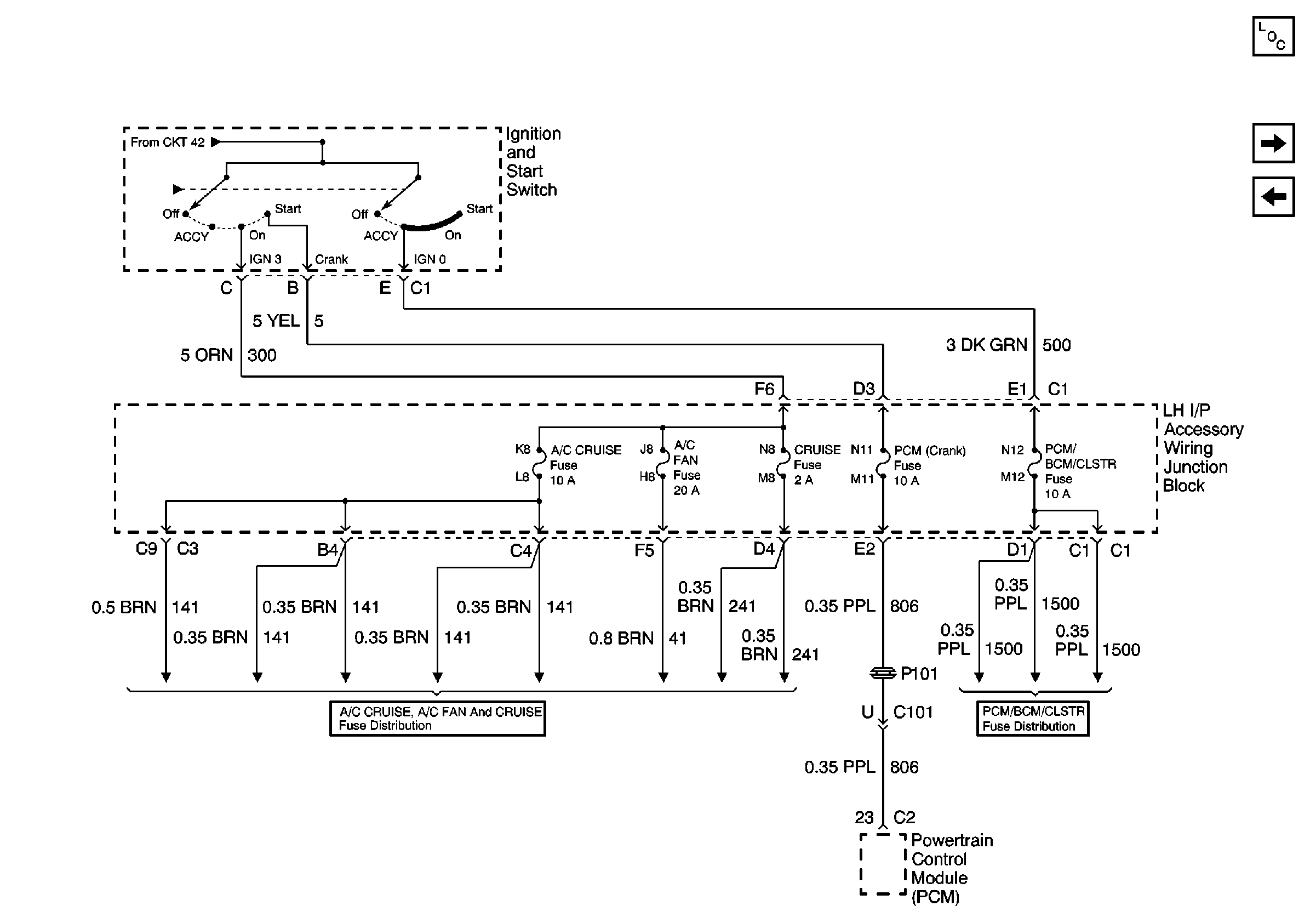
🢒 Ignition and Start Switch and A/C CRUISE, A/C FAN, CRUISE, PCM (Crank)and PCM/BCM/CLSTR Fuses
Ignition and Start Switch and A/C CRUISE, A/C FAN, CRUISE, PCM (Crank)and PCM/BCM/CLSTR Fuses
Ignition and Start Switch and A/C CRUISE, A/C FAN, CRUISE, PCM (Crank) and PCM/BCM/CLSTR Fuses
Ignition and Start Switch and CIG/AUX, WSW, BCM, TURN SIGNAL, SRS, STOP and ABS/PCM Fuses
A/C CRUISE, A/C FAN and CRUISE Fuses
PCM BCM/CLSTR, PWR MIR, CLSTR/BCM Fuses, RETAINED ACCSRY PWR CIRCUIT Breaker, HEADLAMP and RETAINED ACCSRY PWR Relays
Power and Grounding Components
AIR PMP RLY, FUEL INJ, TRANS SOL, A/C RLY (Coil), OXY SEN, DFI MDL, ENG DEVICES, FAN CONT #1, FAN CONT #2 & #3 Fuses, and IGN and Air Pump Relays
Ignition and Start Switch and CIG/AUX, WSW, BCM, TURN SIGNAL, SRS, STOP and ABS/PCM Fuses