GM Service Manual Online
For 1990-2009 cars only
Figure 1:

Audio Power Booster, Bose Speaker System


Object Number: 502293  Size: FS
Entertainment Components
Radio/Audio System Description
UQ3 Speaker System (w/ SEO)
Handling ESD Sensitive Parts Notice
Power, Audio Power Booster, Ground (UQ3)
Figure 2:

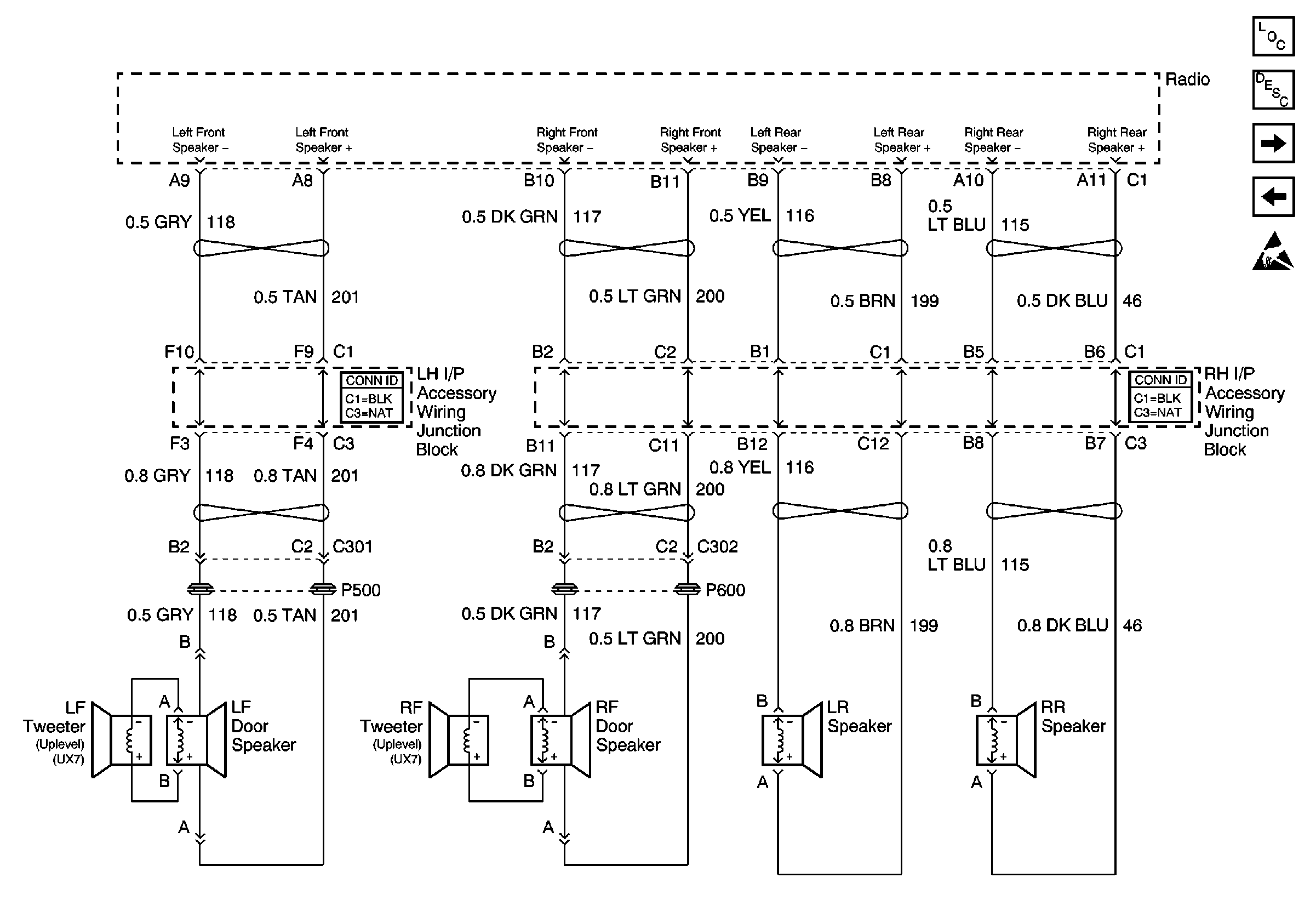
Speaker System w/o Amplifier


Object Number: 502294  Size: FS
Entertainment Components
Radio/Audio System Description
Power, Audio Power Booster, Ground (UQ3)
Power, Head Lamp Switch, DLC, Radio Antenna Module, Rear Window and Ground
Handling ESD Sensitive Parts Notice
Figure 3:

Power, Audio Power Booster, Ground (UQ3)


Object Number: 502299  Size: FS
Entertainment Components
Radio/Audio System Description
Audio Power Booster, Bose Speaker System
Speaker System w/o Amplifier
Handling ESD Sensitive Parts Notice
RADIO and HTD MIR Fuses, REAR DEFOG Circuit Breaker and REAR DEFOG Relay
RADIO and HTD MIR Fuses, REAR DEFOG Circuit Breaker and REAR DEFOG Relay
Power, Head Lamp Switch, DLC, Radio Antenna Module, Rear Window and Ground
G202
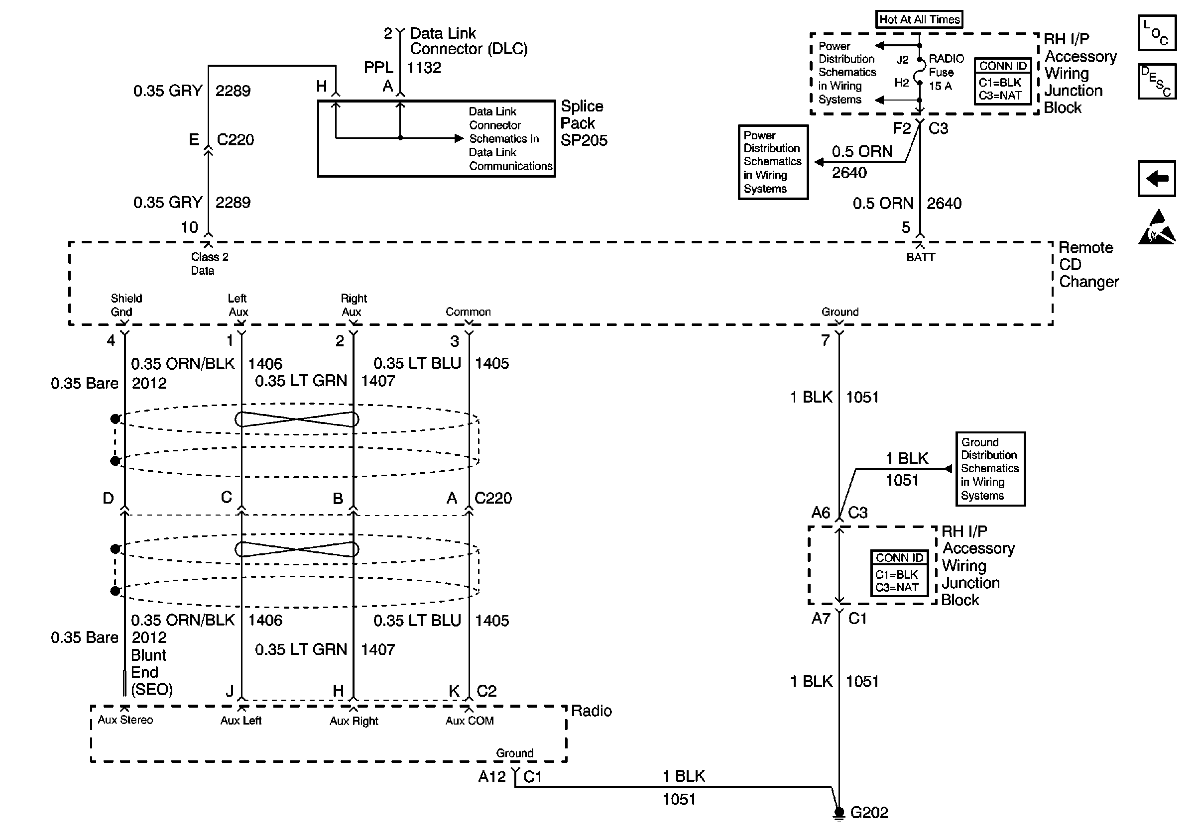
Figure 4:

DLC, CD Player


Object Number: 502300  Size: FS
Entertainment Components
Radio/Audio System Description
UQ3 Speaker System (w/ SEO)
Handling ESD Sensitive Parts Notice
Data Link Communications Schematic
RADIO and HTD MIR Fuses, REAR DEFOG Circuit Breaker and REAR DEFOG Relay
RADIO and HTD MIR Fuses, REAR DEFOG Circuit Breaker and REAR DEFOG Relay
G202
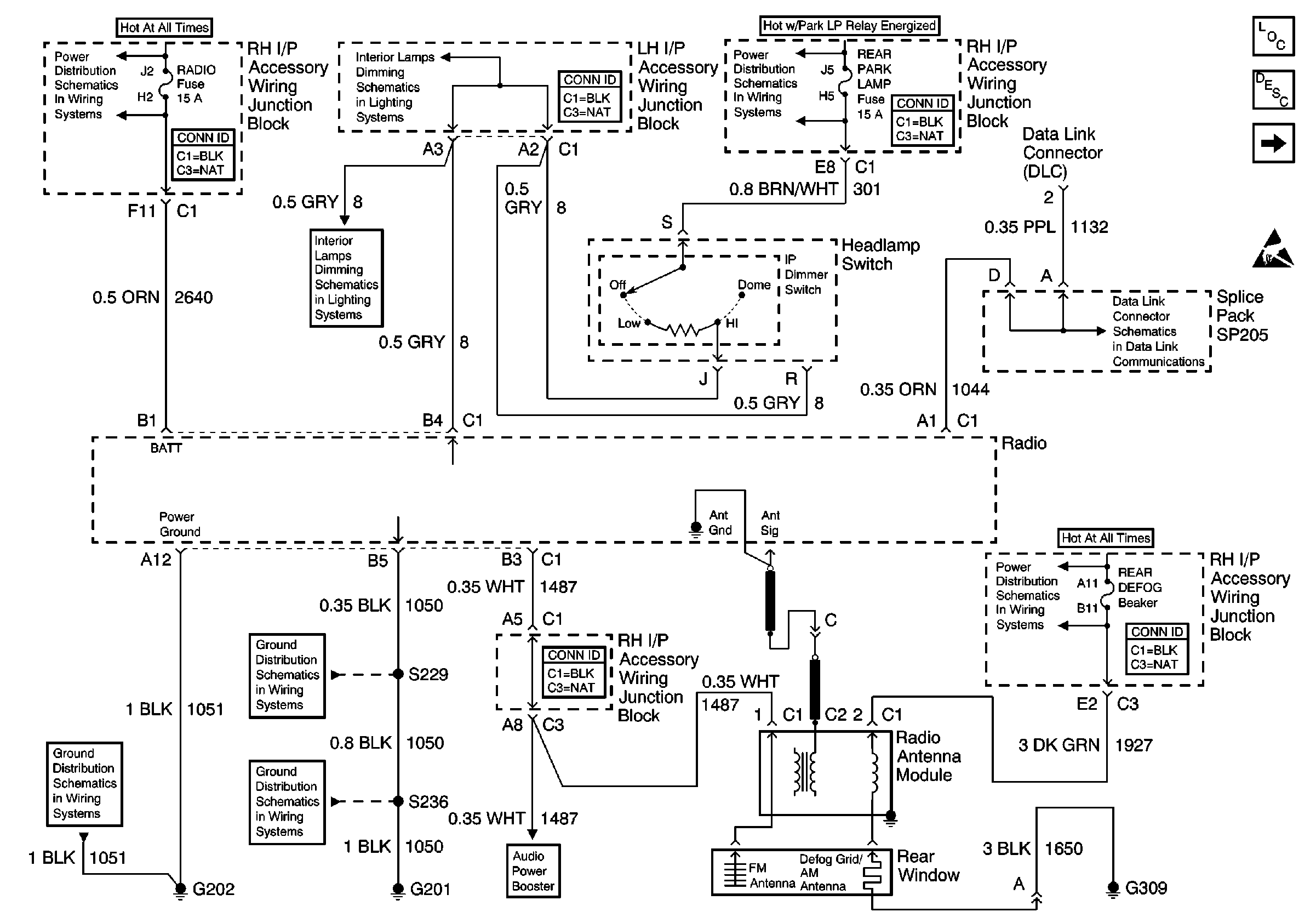
Figure 5:

Power, Head Lamp Switch, DLC, Radio Antenna Module, Rear Window and Ground


Object Number: 502305  Size: FS
Entertainment Components
Radio/Audio System Description
Speaker System w/o Amplifier
Handling ESD Sensitive Parts Notice
RADIO and HTD MIR Fuses, REAR DEFOG Circuit Breaker and REAR DEFOG Relay
G202
G201 (2 of 2)
G201 (1 of 2)
Steering Wheel Control Switches Lamp
Steering Wheel Control Switches Lamp
Audio Power Booster, Bose Speaker System
REAR PARK Fuse
RADIO and HTD MIR Fuses, REAR DEFOG Circuit Breaker and REAR DEFOG Relay
Data Link Communications Schematic
Figure 6:

UQ3 Speaker System (w/ SEO)


Object Number: 502307  Size: FS
Entertainment Components
Radio/Audio System Description
Audio Power Booster, Bose Speaker System
Handling ESD Sensitive Parts Notice
DLC, CD Player