GM Service Manual Online
For 1990-2009 cars only
Makes
🢒
Chevrolet
🢒
2000
🢒
Impala
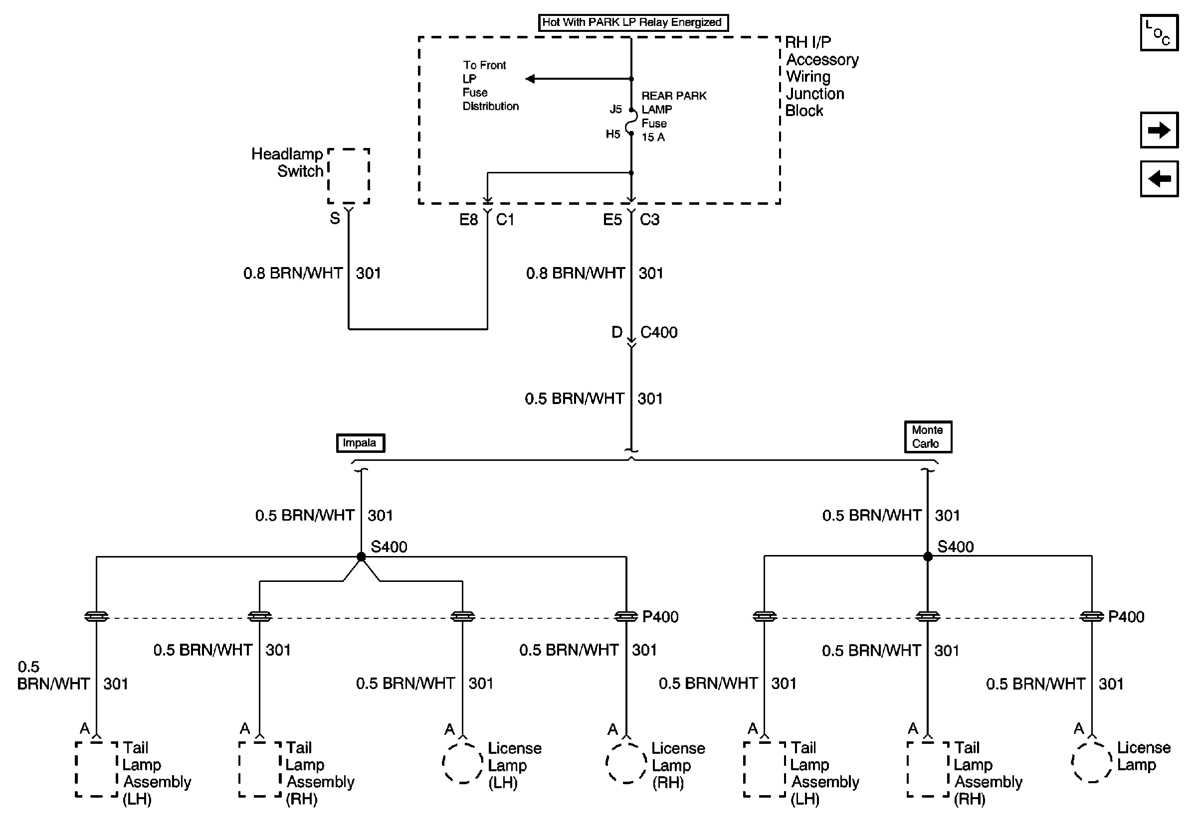
🢒 REAR PARK Fuse
REAR PARK Fuse
REAR PARK Fuse
B/U LP, DIC/RKE and FRT PARK LP Fuses, and BACKUP LP, BATT RUN DOWN PROTECTION and PARK LP Relays
Power and Grounding Components
FOG RLY, F/PMP RLY and DRL/EXT LTS Fuses
B/U LP, DIC/RKE and FRT PARK LP Fuses, and BACKUP LP, BATT RUN DOWN PROTECTION and PARK LP Relays