GM Service Manual Online
For 1990-2009 cars only
Makes
🢒
Chevrolet
🢒
2000
🢒
Impala
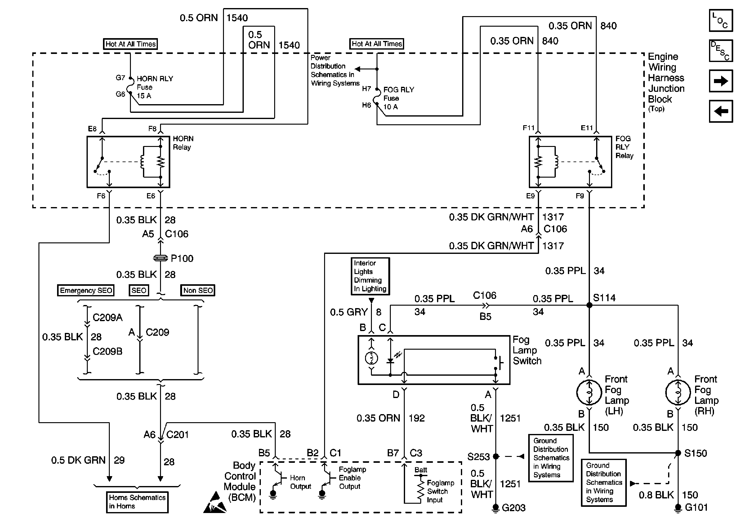
🢒 HORN Relay FOG LP Relay and Fog Lamp Switch
HORN Relay FOG LP Relay and Fog Lamp Switch
HORN Relay FOG LP Relay and Fog Lamp Switch
FOG RLY, F/PMP RLY, DLR/EXT LTS, EXT LTS, A/C RLY (CMPR), PCM and HORN RLY Fuses
Cell 40
Handling ESD Sensitive Parts Notice
BCM, Door Lock, Door Window Switch, HVAC, Radio, and Fog Lamp Switch Lamps
G203 (2 of 3)
G101 (2 of 2)
Body Control Module Components
Body Control System Circuit Description
DRL Relay, Backup Relay and Ambient Light Sensor
Power, Grounds and RAP Relay