GM Service Manual Online
For 1990-2009 cars only

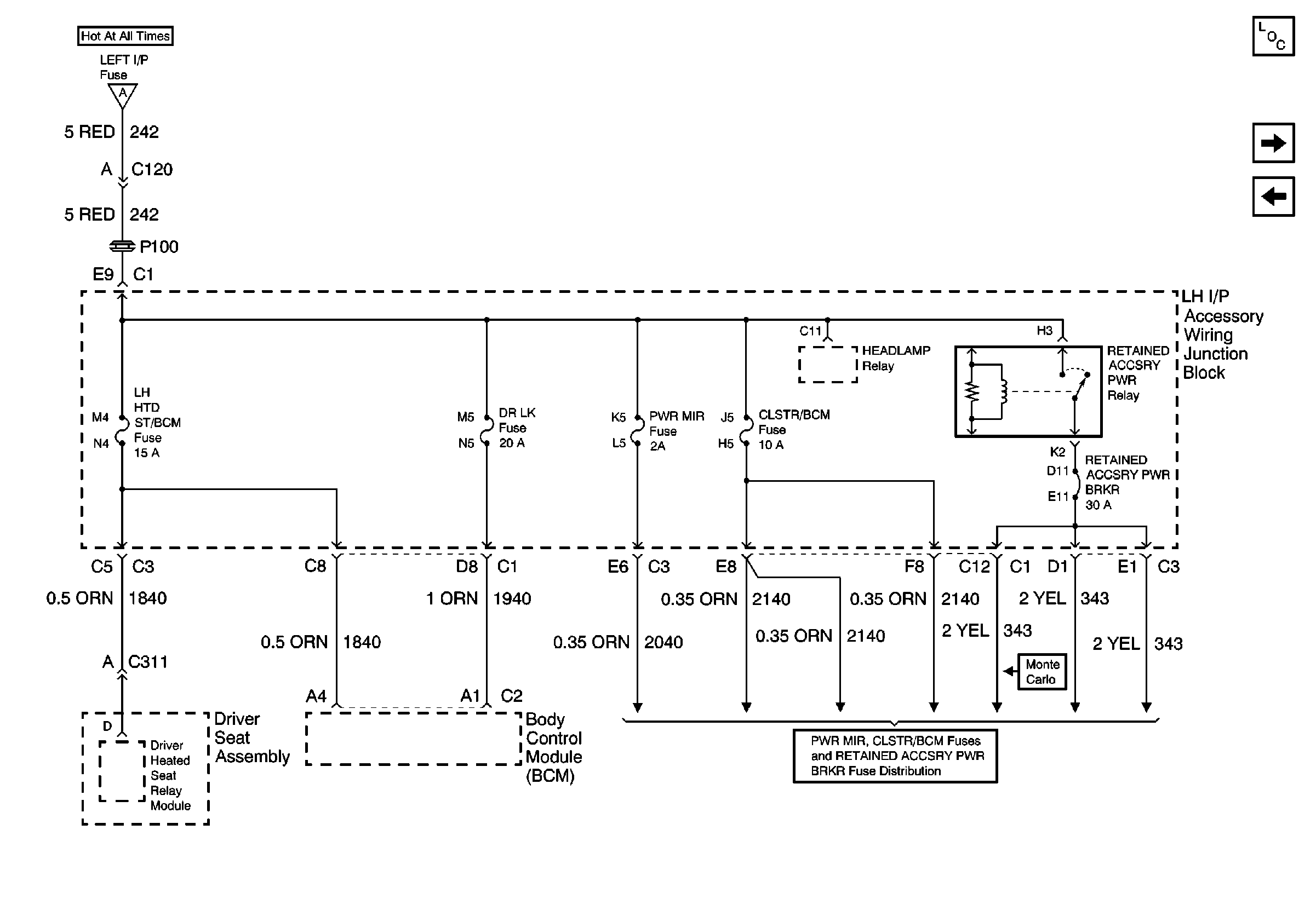
LH HTD ST/BCM, DR LK, PWR MIR and CLSTR/BCM Fuses, HEADLAMP and RETAINED ACCSRY PWR Relays, and RETAINED ACCSRY PWR Circuit Breaker

LH HTD ST/BCM, DR LK, PWR MIR and CLSTR/BCM Fuses, HEADLAMP and RETAINED ACCSRY PWR Relays, and RETAINED ACCSRY PWR Circuit Breaker


Object Number: 308446  Size: FS
Battery, EBCM, Engine Wiring Harness Junction Blocks (Bottom and Top),Fusible Links, Generator, Remote Battery Stud and Starter
PCM BCM/CLSTR, PWR MIR, CLSTR/BCM Fuses, RETAINED ACCSRY PWR CIRCUIT Breaker, HEADLAMP and RETAINED ACCSRY PWR Relays
Power and Grounding Components
DIC/RKE, B/U LP, TRK/ROOF BRP and I/P BRP Fuses, BATT RUNDOWN PROTECTION and BACKUP LP Relays
Battery, EBCM, Engine Wiring Harness Junction Blocks (Bottom and Top),Fusible Links, Generator, Remote Battery Stud and Starter