GM Service Manual Online
For 1990-2009 cars only
Makes
🢒
Chevrolet
🢒
2000
🢒
Impala
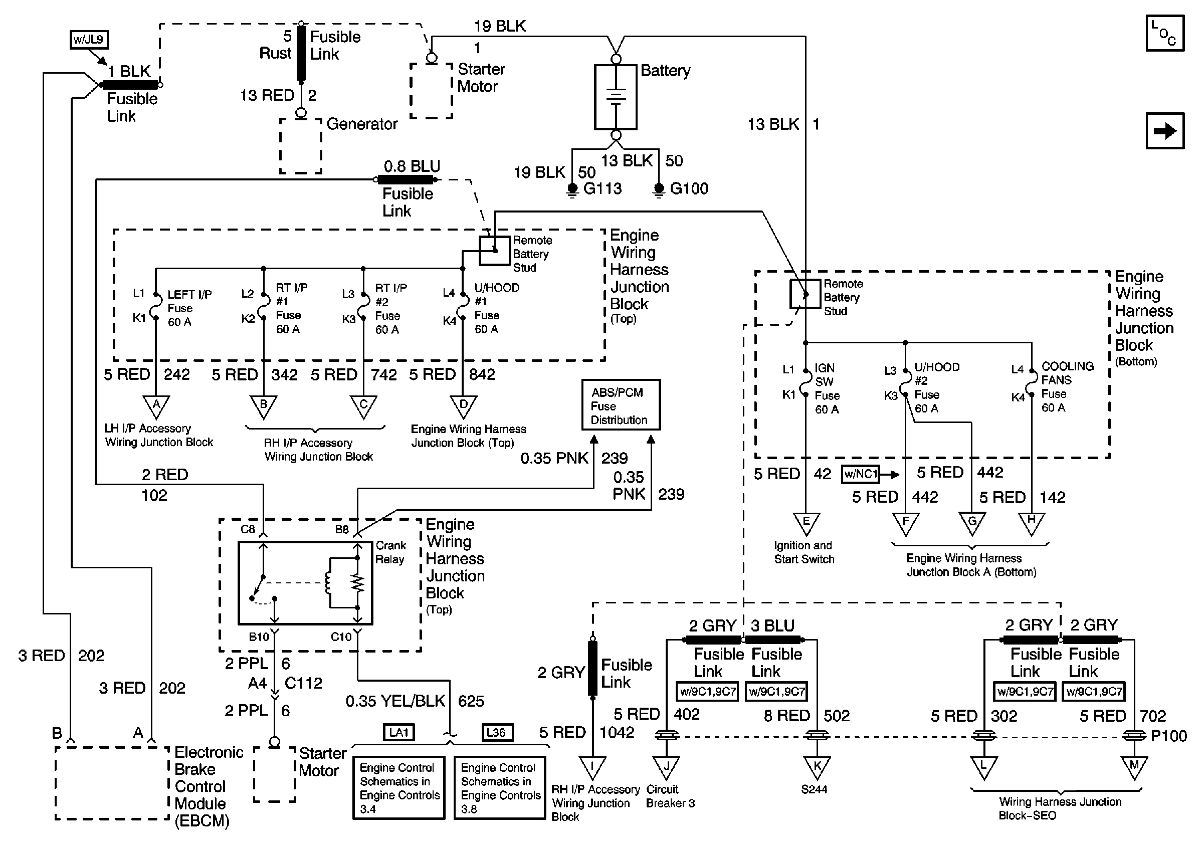
🢒 Battery, EBCM, Engine Wiring Harness Junction Blocks (Bottom and Top),Fusible Links, Generator, Remote Battery Stud and Starter
Battery, EBCM, Engine Wiring Harness Junction Blocks (Bottom and Top),Fusible Links, Generator, Remote Battery Stud and Starter
Battery, EBCM, Engine Wiring Harness Junction Blocks (Bottom and Top), Fusible Links, Generator, Remote Battery Stud and Starter
LH HTD ST/BCM, DR LK, PWR MIR and CLSTR/BCM Fuses, HEADLAMP and RETAINED ACCSRY PWR Relays, and RETAINED ACCSRY PWR Circuit Breaker
DIC/RKE, B/U LP, TRK/ROOF BRP and I/P BRP Fuses, BATT RUNDOWN PROTECTION and BACKUP LP Relays
C/LTR, AUX PWR, HAZ SW, BRK SW and HVAC BLO Fuses
FOG RLY, F/PMP RLY, DLR/EXT LTS, EXT LTS, A/C RLY (CMPR), PCM and HORN RLY Fuses
Ignition and Start Switch and CIG/AUX, WSW, BCM, TURN SIGNAL, SRS, STOP and ABS/PCM Fuses
AIR PMP RLY, FUEL INJ, TRANS SOL, A/C RLY (Coil), OXY SEN, DFI MDL, ENG DEVICES, FAN CONT #1, FAN CONT #2 & #3 Fuses, and IGN and Air Pump Relays
AIR PMP RLY, FUEL INJ, TRANS SOL, A/C RLY (Coil), OXY SEN, DFI MDL, ENG DEVICES, FAN CONT #1, FAN CONT #2 & #3 Fuses, and IGN and Air Pump Relays
AIR PMP RLY, FUEL INJ, TRANS SOL, A/C RLY (Coil), OXY SEN, DFI MDL, ENG DEVICES, FAN CONT #1, FAN CONT #2 & #3 Fuses, and IGN and Air Pump Relays
RADIO and HTD MIR Fuses, REAR DEFOG Circuit Breaker and REAR DEFOG Relay
Fuse Block (SEO): Circuit Breaker 1, Circuit Breaker 2 and Circuit Breaker 3
Fuse Block (SEO): Circuit Breaker 1, Circuit Breaker 2 and Circuit Breaker 3
SEO: Wiring Harness Junction Block - RPO 9C1, 9C6
SEO: Wiring Harness Junction Block - RPO 9C1, 9C6
ABS/PCM, STOP, TURN SIGNAL and SRS Fuses
Automatic Transaxle Position Encoder, Crank Relay
Power, Generator, EBCM, I/P and Ground
Power and Grounding Components
LH HTD ST/BCM, DR LK, PWR MIR and CLSTR/BCM Fuses, HEADLAMP and RETAINED ACCSRY PWR Relays, and RETAINED ACCSRY PWR Circuit Breaker