GM Service Manual Online
For 1990-2009 cars only
Makes
🢒
Chevrolet
🢒
2000
🢒
Impala
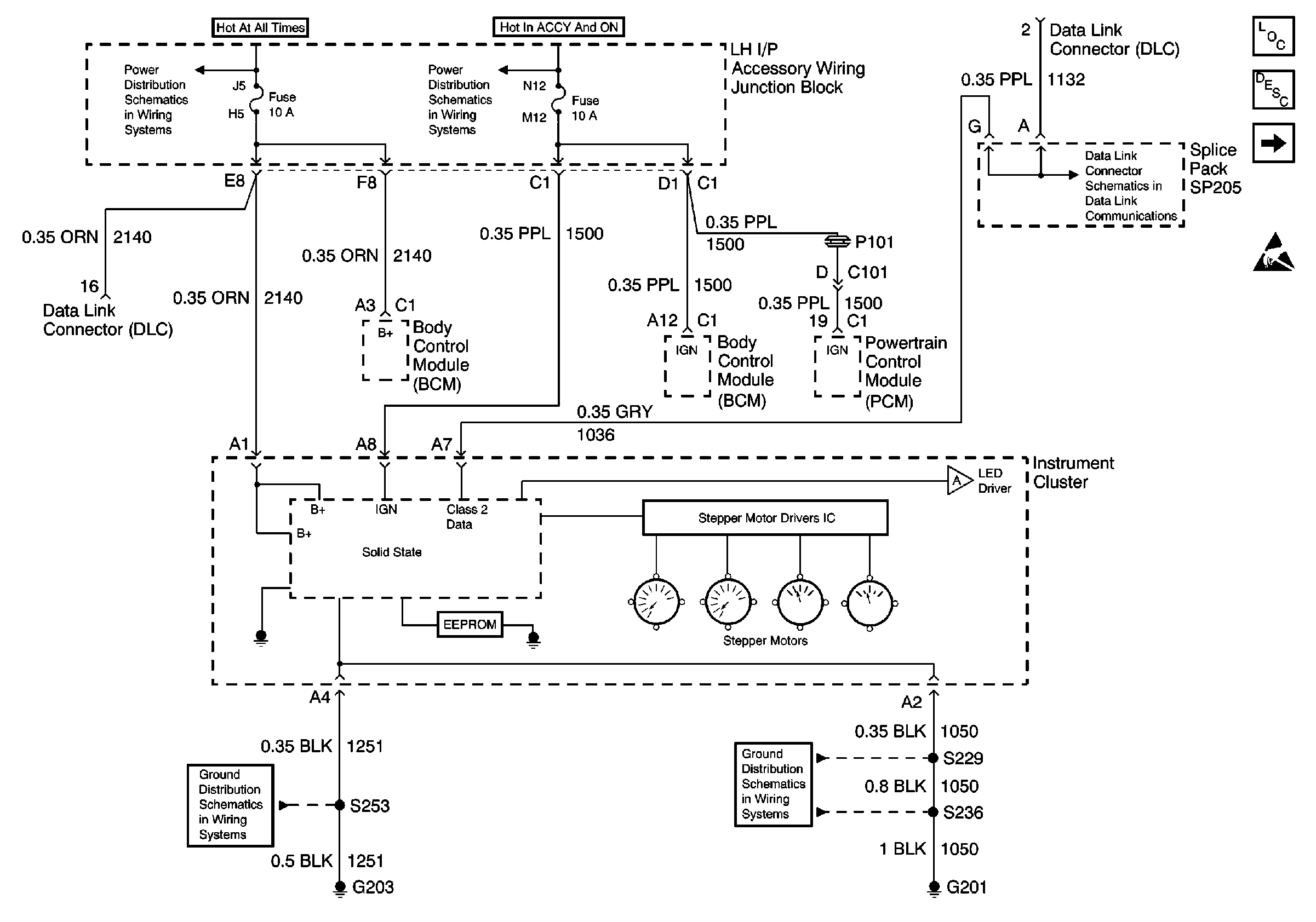
🢒 Power, DLC, BCM, PCM, SP205, G203
Power, DLC, BCM, PCM, SP205, G203
Power, DLC, BCM, PCM, SP205, G203
Instrument Cluster Components
Instrument Cluster Circuit Description
LED Displays
OBD II Symbol Description Notice
Handling ESD Sensitive Parts Notice