GM Service Manual Online
For 1990-2009 cars only
Makes
🢒
Chevrolet
🢒
2000
🢒
Impala
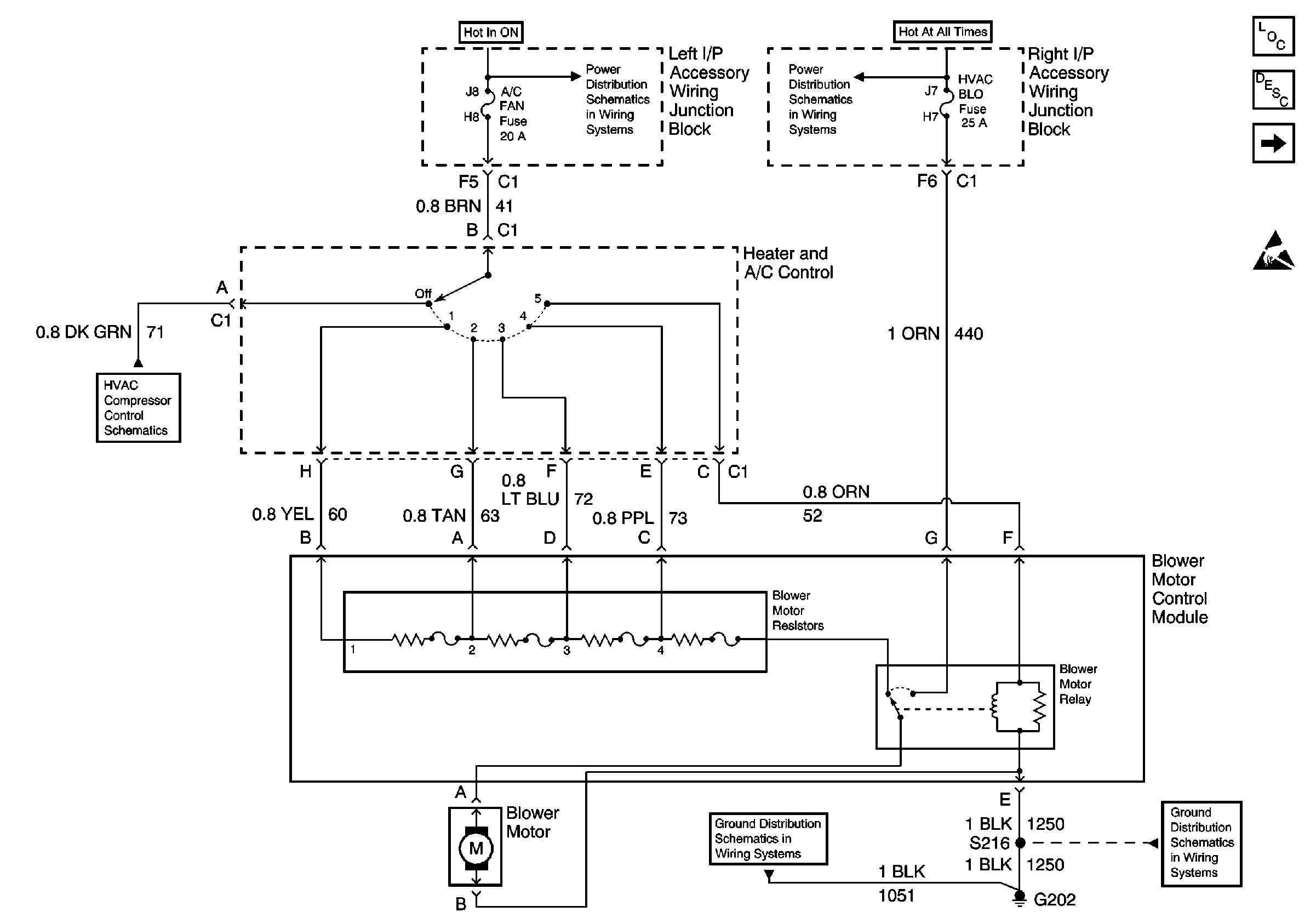
🢒 HVAC Blower Control SChematics
HVAC Blower Control SChematics
HVAC Components
HVAC Blower Controls Circuit Description
HVAC Compressor Controls Schematics
Handling ESD Sensitive Parts Notice
Ignition and Start Switch and A/C CRUISE, A/C FAN, CRUISE, PCM (Crank)and PCM/BCM/CLSTR Fuses
C/LTR, AUX PWR, HAZ SW, BRK SW and HVAC BLO Fuses
HVAC Compressor Controls Schematics
G202