GM Service Manual Online
For 1990-2009 cars only
Makes
🢒
Chevrolet
🢒
2000
🢒
Impala
🢒 Backup Lights Schematics
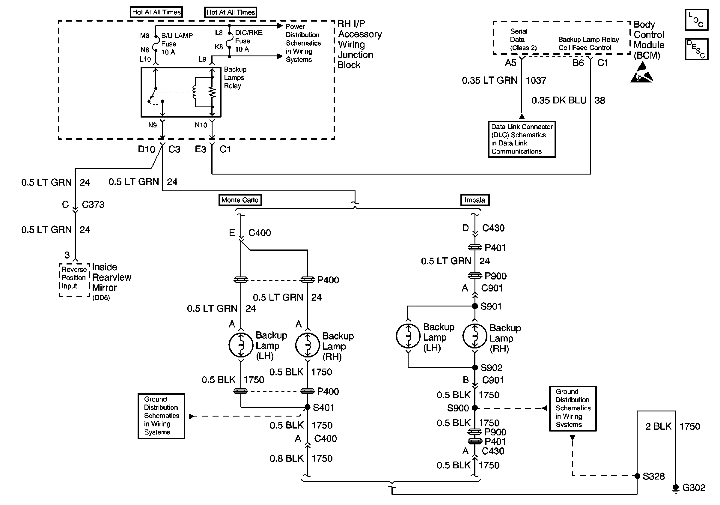
Backup Lights Schematics
Lighting Systems Components
DIC/RKE, B/U LP, TRK/ROOF BRP and I/P BRP Fuses, BATT RUNDOWN PROTECTION and BACKUP LP Relays
G302 - Continued and G309
G302
Data Link Communications Schematic
Handling ESD Sensitive Parts Notice
Backup Lamp Circuit Description